led灯驱动电源电路图 led灯的驱动原理电路图方案详解 KIA MOS管
信息来源:本站 日期:2018-05-09
接触过LED的人都知道:由于LED正向伏安特性非常陡图1.1(正向动态电阻非常小),要给LED正常供电就比较困难。不能像普通白炽灯一样,直接用电压源供电,否则电压波动稍增,电流就会增大到将LED烧毁的程度。为了稳定LED的工作电流,保证LED能正常可靠地工作,具有”镇流功能”的各种各样的LED驱动电路就应运而生。最简单的是串联一只镇流电阻,而比较复杂的是用许多电子元件构成的“恒流驱动器”。
1、LED区域照明电源架构及典型LED驱动方案
1)适合线性灯、线槽灯等应用的分布式/模块化方案
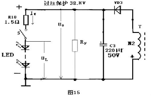
大功率LED区域照明应用中,一种常见的电源架构是“功率因数校正(PFC)+恒压(CV)+恒流(CC)”的三段式架构。这种架构中,交流输入电源经过功率因数校正和隔离型直流-直流(DC-DC)转换后,输出24至80 Vdc的固定电压,提供给后面内置DC-DC降压转换电路的恒流LED模块(见图2)。这种架构的设计提供了能够现场升级的模块化途径,可根据实际需求,灵活改变LED光条数量,从而增加或减小光输出,满足具体区域照明应用要求。这种架构下,交流-直流(AC-DC)转换与LED驱动电路并未集成在一起,而是采用分布式配置,既简化安全考虑又增强系统灵活性,也称作分布式方案,典型应用包括线性灯及线槽灯等。
在这种模块化途径下,一项设计能够扩展用于多种光输出等级。而且随着LED光输出性能增强,LED模块要提供相同光输出等级,所需采用的灯条就更好。而每个灯条都设有一个专用的DC-DC LED驱动器,如可以采用安森美半导体的CAT4201高能效降压LED驱动器。CAT4201专门优化用于驱动大电流LED,采用具有专利的开关控制算法,提供高能效及精确的LED稳流(可达350 mA)。CAT4201可采用最高36 V的电源电压供电,并兼容于12 V和24 V标准照明系统。图3显示的是CAT4201的高压LED驱动器配置,外围的N沟道MOSFET支持高压输入:100V输入电压时LED功率达30W;50V输入时LED功率达13W.

此方案的原理电路图见图1。这是一种极其简单,自LED面世以来至今还一直在用的经典电路。
LED工作电流I按下式计算:
I与镇流电阻R成反比;当电源电压U上升时,R能限制I的过量增长,使I不超出LED的允许范围。
此电路的优点是简单,成本低;缺点是电流稳定度不高;电阻发热消耗功率,导致用电效率低,仅适用于小功率LED范围。
一般资料提供的镇流电阻R的计算公式是:
按此公式计算出的R值仅满足了一个条件:工作电流I。而对驱动电路另两个重要的性能指标:电流稳定度和用电效率,则全然没有顾及。因此用它设计出的电路,性能没有保证。
电路的工作是基于在交流电路中,电容存在容抗XC也有”镇流作用”的原理。另外电容消耗无功功率,不发热;而电阻则消耗有功功率,会转化为热能耗散掉,所以镇流电容比镇流电阻,能节省一部分电能,并能设计成将LED灯直接接到市电~220V上,使用更为方便。
此方案的优点是简单,成本低,供电方便;缺点是电流稳定度不高,效率也不高。仅适用于小功率LED范围。当LED的数量较多,串联后LED支路电压较高的场合更为适用。
上面已经提到电阻、电容镇流电路的缺点是电流稳定度低(△I/I达±20~50%),用电效率也低(约50~70%),仅适用于小功率LED灯。
为满足中、大功率LED灯的供电需要,利用电子技术常见的电流负反馈原理,设计出恒流驱动电路。和直流恒压电源一样,按其调整管是工作在线性,还是开关状态,恒流驱动电路也分成两类:线性恒流驱动电路和开关恒流驱动电路。
图4是最简单的两端线性恒流驱动电路。它借用三端集成稳压器LM337组成恒流电路,外围仅用两个元件:电流取样电阻R和抗干扰消振电容C。
上述线性恒流驱动电路虽具有电路简单、元件少、成本低、恒流精度高、工作可靠等优点,但使用中也发现几点不足:
a、调整管工作在线性状态,工作时功耗高发热大(特别是工作压差过大时),不仅要求较大尺寸的散热器,而且降低了用电效率。
b、电源电压要求按公式(13)与LED工作电压严格匹配,不允许大范围改变。也就是说它对电源电压及LED负载变化的适应性差。
c、它仅能工作在降压状态,不能工作在升压状态。即电源电压必须高于LED工作电压。
d、供电不太方便,一般要配开关稳压电源,不能直接用~220V供电。
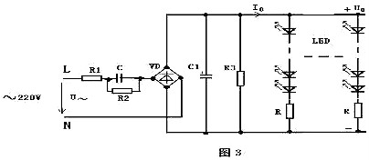
输入整流:将正负变化的交流电变成单向变化的直流电
滤波:将变化的电压波形平滑成波动较小的直流电压波形
变压器:储存能量,产生需要的输出电压.原、副边隔离。
输出稳压:稳定输出电压
取样反馈:将输出电压的变化反映到控制电路,以便采取相应的措施保证输出电压在规定的范围内
PWM+开关:控制电路,根据反馈回来的信号控制变压器储存能量的多少,从而保证输出的稳定
采用开关电源驱动的优点:效率高,一般可以做到80%~90%,输出电压、电流稳定。输出纹波小。且这种电路都有完善的保护措施,属高可靠性电源。
(1)恒压式:
a、当稳压电路中的各项参数确定以后,输出的电压是固定的,而输出的电流却随着负载的增减而变化;
b、恒压电路不怕负载开路,但严禁负载完全短路。
c、以稳压驱动电路驱动LED,每串需要加上合适的电阻方可使每串LED显示亮度平均;
d、亮度会受整流而来的电压变化影响。
(2)恒流式:
1、恒流驱动电路驱动LED是很理想的,缺点就是价格较高.
2、恒流电路虽然不怕负载短路,但是严禁负载完全开路.
3、恒流驱动电路输出的电流是恒定的,而输出的直流电压却随着负载阻值的大小不同在一定范围内变化.
4、要限制LED的使用数量,因为它有最大承受电流及电压值.
我们已经很清楚的知道LED驱动电源只有两种方式:
恒流式:电流不变电压在一定范围内变化(随负载变化)
恒压式:电压不变电流在一定范围内变化(随负载变化)
而LED灯配合的方式有三种:串联式,并联式,串并混联式。
串联式:
要求LED驱动器输出较高的电压。当LED的一致性差别较大时,分配在不同的LED两端电压不同,通过每颗LED的电流相同,LED的亮度一致。
当某一颗LED品质不良短路时,如果采用稳压式驱动,由于驱动器输出电压不变,那么分配在剩余的LED两端电压将升高,驱动器输出电流将增大,导致容易损坏余下所有LED。如采用恒流式LED驱动,当某一颗LED品质不良短路时,由于驱动器输出电流保持不变,不影响余下所有LED正常工作。当某一颗LED品质不良断开后,串联在一起的LED将全部不亮。解决的办法是在每个LED两端并联一个齐纳管,当然齐纳管的导通电压需要比LED的导通电压高,否则LED就不亮了。
并联式:
要求LED驱动器输出较大的电流,负载电压较低。分配在所有LED两端电压相同,当LED的一致性差别较大时,而通过每颗LED的电流不一致,LED的亮度也不同。可挑选一致性较好的LED,适合用于电源电压较低的产品
当某一个颗LED品质不良断开时,如果采用恒压式LED驱动,驱动器输出电流将减小,而不影响余下所有LED正常工作。如果是采用恒流式LED驱动,由于驱动器输出电流保持不变,分配在余下LED电流将增大,导致容易损坏所有LED。解决办法是尽量多并联LED,当断开某一颗LED时,分配在余下LED电流不大,不至于影响余下LED正常工作。所以功率型LED做并联负载时,不宜选用恒流式驱动器。当某一颗LED品质不良短路时,那么所有的LED将不亮,但如果并联LED数量较多,通过短路的LED电流较大,足以将短路的LED烧成断路。
串并混联方式
在需要使用比较多LED的产品中,如果将所有LED串联,将需要LED驱动器输出较高的电压。如果将所有LED并联,则需要LED驱动器输出较大的电流。将所有LED串联或并联,不但限制着LED的使用量,而且并联LED负载电流较大,驱动器的成本也会大增。解决办法是采用混联方式。串并联的LED数量平均分配,分配在一串LED上的电压相同,通过同一串每颗LED上的电流也基本相同,LED亮度一致。同时通过每串LED的电流也相近。
当某一串联LED上有一颗品质不良短路时,不管采用恒压式驱动还是恒流式驱动,这串LED相当于少了一颗LED,通过这串LED的电流将大增,很容易就会损坏这串LED。大电流通过损坏的这串LED后,由于通过的电流较大,多表现为断路。断开一串LED后,如果采用恒压式驱动,驱动器输出电流将减小,而不影响余下所有LED正常工作。如果是采用恒流式LED驱动,由于驱动器输出电流保持不变,分配在余下LED电流将增大,导致容易损坏所有LED。解决办法是尽量多并联LED,当断开某一颗LED时,分配在余下LED电流不大,不至于影响余下LED正常工作。
混联方式还有另一种接法,即是将LED平均分配后,分组并联,再将每组串联一起。
当有一颗LED品质不良短路时,不管采用恒压式驱动还是恒流式驱动,并联在这一路的LED将全部不亮,如果是采用恒流式LED驱动,由于驱动器输出电流保持不变,除了并联在短路LED的这一并联支路外,其余的LED正常工作。假设并联的LED数量较多,驱动器的驱动电流较大,通过这颗短路的LED电流将增大,大电流通过这颗短路的LED后,很容易就变成断路。由于并联的LED较多,断开一颗LED的这一并联支路,平均分配电流不大,依然可以正常工作,哪么整个LED灯,仅有一颗LED不亮。
如果采用恒压式驱动,LED品质不良短路瞬间,负载相当少并联一路LED,加在其余LED上的电压增高,驱动器输出电流将大增,极有可能立刻损坏所有LED,幸运的话,只将这颗短路的LED烧成断路,驱动器输出电流将恢复正常,由于并联的LED较多,断开一颗LED的这一并联支路,平均分配电流不大,依然可以正常工作,哪么整个LED灯,也仅有一颗LED不亮。
通过对以上分析可知,驱动器与负载LED串并联方式搭配选择是非常重要的,恒流式驱动功率型LED是不适合采用并联负载的,同样的,恒压式LED驱动器不适合选用串联负载。
工程中的简易计算方法
例:SLT5-12VC额定输出功率为5W电源,输出电压12V,白光LED额定正向电压3.3V,耗散功率为65mW,可配置多少个LED?
(1)计算每条支路的LED个数:3.3V×3=9.9V
65mW÷3.3V=20mA(12V-9.9V)÷20mA=105Ω
(2)计算并联支路数:5W÷(65mW×3+20mA×20mA×105Ω)=21
(3)总共可以接多少个LED:21×3=63个(串并混联)
例:SLT10-350IF一个额定输出电流为DC 0.35A,额定功率为10W电源,耗散功率为65mW,正向电为0.02A的白光LED,可怎样配置?
(1)计算每条支路的LED个数:10W÷0.35A=28.6V
65mW÷0.02A=3.25V 28.6V÷3.25V=8
(2)计算并联支路数:0.35A÷0.02=18
(3)总共可以接多少个LED:8×18=144个(串并混联)
A.LED降额使用。
B.使用线性恒流驱动器,特别注意其工作压差。
C.隔离式开关恒流驱动器次级输出电源不宜悬空,负极应接地。
D.对开关恒流驱动器,要严格遵守:先接好LED灯,再接通驱动器电源的操作顺序。
如果相反操作,在接通LED灯瞬间,将会有极大的冲击电流通LED灯,威胁LED灯的使用安全。现以图10电路为例,对此冲击电流值作一下计算,并对其产生原因作一次分析。
联系方式:邹先生
联系电话:0755-83888366-8022
手机:18123972950
QQ:2880195519
联系地址:深圳市福田区车公庙天安数码城天吉大厦CD座5C1
请搜微信公众号:“KIA半导体”或扫一扫下图“关注”官方微信公众号
请“关注”官方微信公众号:提供 MOS管 技术帮助