实亿国际

实亿国际

国家高新企业

cn

新闻中心

24V开关电源电路图 24V电源电路设计原理图详解 KIA MOS管

信息来源:本站 日期:2018-04-19 

分享到:

24V开关电源电路图

开关电源是把交流电转换成电子、电气设备所需直流电源的产品、具有体积小、重量轻、纹波小、效率高、运行噪声小、工作温升低、性价比高的特点,同时短路和过载保护及软起动功能有效保护负载电路不易损坏,是传统变压器的理想替代产品。


开关电源广泛应用在广告灯箱、通讯器材、工控自动化、小功率直流电机供电等需220V或110V交流电转换为直流电的场所。分为单组、双组、三组、四组四种规格,功率范围从15W~500W,输出有-5V、5V、-12V、12V、-24V、24V、48V等常规电压。


24V开关电源,是高频逆变开关电源中的一个种类。通过电路控制开关管进行高速的道通与截止.将直流电转化为高频率的交流电提供给变压器进行变压,从而产生所需要的一组或多组电压!


24V开关电源的工作原理

1.交流电源输入经整流滤波成直流;


2.通过高频PWM(脉冲宽度调制)信号控制开关管,将那个直流加到开关变压器初级上;


3.开关变压器次级感应出高频电压,经整流滤波供给负载;


4.输出部分通过一定的电路反馈给控制电路,控制PWM占空比,以达到稳定输出的目的。


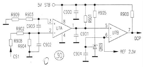
24V开关电源电路图

24V开关电源电路图

(一)

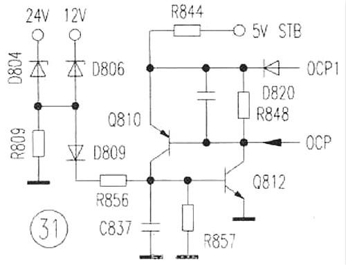
24V开关电源电路图

(二)

联系方式:邹先生

联系电话:0755-83888366-8022

手机:18123972950

QQ:2880195519

联系地址:深圳市福田区车公庙天安数码城天吉大厦CD座5C1


请搜微信公众号:“KIA半导体”或扫一扫下图“关注”官方微信公众号

请“关注”官方微信公众号:提供 MOS管  技术帮助

24V开关电源电路图