实亿国际

实亿国际

国家高新企业

cn

新闻中心

实亿国际浪涌电流产生的原因与5种抑制冲击电流的方法分析-KIA MOS管

信息来源:本站 日期:2019-04-29 

分享到:

开关电源,电流,浪涌电流

开关电源概述

开关电源又称交换式电源、开关变换器,是一种高频化电能转换装置,是电源供应器的一种。其功能是将一个位准的电压,透过不同形式的架构转换为用户端所需求的电压或电流。开关电源的输入多半是交流电源(例如市电)或是直流电源,而输出多半是需要直流电源的设备,例如个人电脑,而开关电源就进行两者之间电压及电流的转换。


开关电源不同于线性电源,开关电源利用的切换晶体管多半是在全开模式(饱和区)及全闭模式(截止区)之间切换,这两个模式都有低耗散的特点,切换之间的转换会有较高的耗散,但时间很短,因此比较节省能源,产生废热较少。理想上,开关电源本身是不会消耗电能的。电压稳压是透过调整晶体管导通及断路的时间来达到。相反的,线性电源在产生输出电压的过程中,晶体管工作在放大区,本身也会消耗电能。开关电源的高转换效率是其一大优点,而且因为开关电源工作频率高,可以使用小尺寸、轻重量的变压器,因此开关电源也会比线性电源的尺寸要小,重量也会比较轻。


若电源的高效率、体积及重量是考虑重点时,开关电源比线性电源要好。不过开关电源比较复杂,内部晶体管会频繁切换,若切换电流尚加以处理,可能会产生噪声及电磁干扰影响其他设备,而且若开关电源没有特别设计,其电源功率因数可能不高。


浪涌电流概述

通常在开关电源起动时,可能需要输入端的主电网提供短时的大电流脉冲,这种电流脉冲通常被称为“输入浪涌电流(inrush current)”。输入浪涌电流首先给主电网中的断路器(main circuit breaker)和其它熔断器的选择造成了麻烦:断路器一方面要保证在过载时熔断,起到保护作用;另一方面又必须在输入浪涌电流出现时不能熔断,避免误动作。其次,输入浪涌电流会产生输入电压波形塌陷,使供电质量变差,进而影响其它用电设备的工作。


出现输入浪涌电流的原因

如图1所示的开关电源中,输入电压首先经过干扰滤波,再通过桥式整流器变成直流,然后通过一个很大的电解电容器进行波形平滑,之后才能进入真正的直流/直流转换器。输入浪涌电流就是在对这个电解电容器进行初始充电时产生的,它的大小取决于起动上电时输入电压的幅值以及由桥式整流器和电解电容器所形成回路的总电阻。如果恰好在交流输入电压的峰值点起动时,就会出现峰值输入浪涌电流。


开关电源,电流,浪涌电流

图1 开关电源输入端简图


5种抑制冲击电流的方法解析

(一)

最常用的输入浪涌电流限制方法:串联负温度系数热敏限流电阻器(ntc)


开关电源,电流,浪涌电流

图2 串联NTC限制开机浪涌电流


串联负温度系数热敏限流电阻器ntc无疑是目前为止最简单的抑制输入浪涌电流的方法。因为ntc电阻器会随温度升高而降低。在开关电源起动时,ntc电阻器处于常温,有很高的电阻,可以有效地限制电流;而在电源起动之后,ntc电阻器会由于自身散热而迅速升温至约110oc,电阻值则减少到室温时的约十五分之一,减少了开关电源正常工作时的功率损耗。


优点:

电路简单实用、成本低


缺点:

1. ntc电阻器的限流效果受环境温度影响较大:如果在低温(零下)起动时,电阻过大,充电电流过小,开关电源可能无法起动;如果在高温起动,电阻器的阻值过小,则可能达不到限制输入浪涌电流的效果。

2. 限流效果在短暂的输入主电网中断(约几百毫秒数量级)时只能部分地达到。在这个短暂的中断期间,电解电容器已被放电,而ntc电阻器的温度仍很高,阻值很小,在需要电源马上重新起动时,ntc无法有效地实现限流作用。

3. ntc电阻器的功率损耗降低了开关电源的转换效率。


(二)

在做微小功率的开关电源时,直接使用功率电阻限制浪涌电流。


开关电源,电流,浪涌电流

图3 直接串联功率电阻限制浪涌电流(只适合微小功率开关电源)


优点:

电路简单、成本低、对浪涌电流的的限制方面几乎不受高低温的影响


缺点:

只适合微小功率开关电源

对效率影响很大


(三)

NTC热敏电阻与普通功率电阻并联的方式来限制浪涌电流


开关电源,电流,浪涌电流

图4 NTC热敏电阻与功率电阻并联的方式来抑制开机浪涌电流


常温起机时,功率电阻与热敏电阻并联后的阻值来限制浪涌电流,在低温起机时NTC热敏电阻的阻值急剧升高但功率电阻阻值基本是不变的能保证低温启动,不过在高温实验时浪涌电路也很大。


优点:

简单实用、对于常温和低温起机时效果不错


缺点:

效率影响较大

高温浪涌电流大


(四)

串联固定电阻器配合晶闸管,来限制输入浪涌电流


开关电源,电流,浪涌电流

图5 串联固定电阻器配合晶闸管来限制开机浪涌电流


上电时,Vs截止,电流经过R1,R1起到限流作用,达到一定条件,VS导通,将R1断路。是效率损失大大降低。


优点:

功耗低

对浪涌电流的的限制方面几乎不受高低温的影响


缺点:

体积大、成本高


(五)

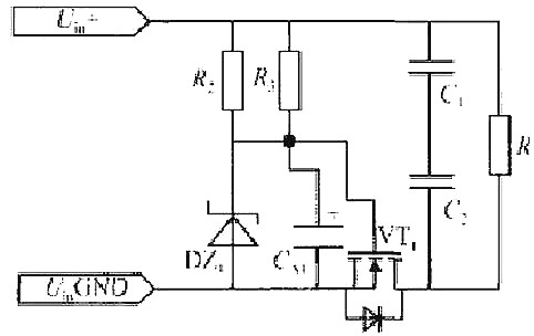
利用MOSFET开关管及延时网络电路进行浪涌电流抑制浪涌电流


开关电源,电流,浪涌电流

图6 利用开关管延时电路进行浪涌电流抑制浪涌电流


电路工作的基本原理是:由于DC-DC开关电源的输入端接有容性滤波电路,当开机加电瞬间由于需要为滤波电容C1、C2充电,所以瞬间产生较大的浪涌电流,此时在母线输入的地线上介入的MOSFET(VT1)的漏原极之间并未导通,随着R2、R3、DZ1及CA1组成的延时电路给MOSFET(VT1)的栅极加电,是MOSFET(VT1)的漏源极逐渐导通,从而有效减小了开机瞬间由输入端的容性滤波电路充电而产生的浪涌电流值。当电路进入稳定工作状态下,其漏源极始终处于导通状态。

由于实际的开关电源产品产品设计中对于浪涌电流抑制不尽相同,可通过调节CA1的具体参数而获得不同的浪涌电流抑制的结果。


优点:

功耗低

常温、低温、高温对浪涌电流的限制效果都特别好


缺点:

体积大

成本高


浪涌电流

浪涌电流指电源接通瞬间,流入电源设备的峰值电流。由于输入滤波电容迅速充电,所以该峰值电流远远大于稳态输入电流。电源应该限制AC开关、整流桥、保险丝、EMI滤波器件能承受的浪涌水平。反复开关环路,AC输入电压不应损坏电源或者导致保险丝烧断。浪涌电流也指由于电路异常情况引起的使结温超过额定结温的不重复性最大正向过载电流。


联系方式:邹先生

联系电话:0755-83888366-8022

手机:18123972950

QQ:2880195519

联系地址:深圳市福田区车公庙天安数码城天吉大厦CD座5C1


请搜微信公众号:“KIA半导体”或扫一扫下图“关注”官方微信公众号

请“关注”官方微信公众号:提供 MOS管 技术帮助






相关资讯