MOS管-MOS管短路保护电路以及短路保护电路原理图汇总-KIA MOS管
实亿国际信息来源:本站 日期:2018-07-19
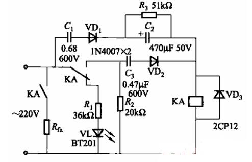
交流电源电压正常时,继电器吸合,接通负载(Rfz)回路。当负载发生短路故障时,KA两端电压迅速下降,KA释放,切断负载回路。同时,发光二极管VL点亮,指示电路发生短路。
实亿国际 这是一个自锁的保护电路,短路时:Q3极被拉低,Q2导通,形成自锁,迫使Q3截止,Q3截至后面负载没有电压,这时有没有负载已经没有关系了,所以即使拿掉负载也不会有输出。要想拿掉负载后恢复输出,可以在Q3得CE结上接一个电阻,取1K左右。
C2和c3很重要,在自锁后,重启电路就靠这两个电容,否则启动失败。原理是上电时,电容两端电压不能突变,C2使得Q2基极在上电瞬间保持高电平,使得Q2不导通。C3则使得上电瞬间Q3基极保持低电平,使得Q3导通Vout有电压。这样R5位高电平,锁住导通。
由于电网自身原因或电源输入接线不可靠,开关电源有时会出现缺相运行的情况,且掉相运行不易被及时发现。当电源处于缺相运行时,整流桥某一臂无电流,而其它臂会严重过流造成损坏,同时使逆变器工作出现异常,因此必须对缺相进行保护。检测电网缺相通常采用电流互感器或电子缺相检测电路。由于电流互感器检测成本高、体积大,故开关电源中一般采用电子缺相保护电路。图5是一个简单的电子缺相保护电路。三相平衡时,R1~R3结点H电位很低,光耦合输出近似为零电平。当缺相时,H点电位抬高,光耦输出高电平,经比较器进行比较,输出低电平,封锁驱动信号。比较器的基准可调,以便调节缺相动作阈值。该缺相保护适用于三相四线制,而不适用于三相三线制。电路稍加变动,亦可用高电平封锁PWM信号。

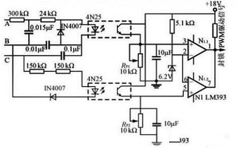
图是一种用于三相三线制电源缺相保护电路,A、B、C缺任何一相,光耦器输出电平低于比较器的反相输入端的基准电压,比较器输出低电平,封锁PWM驱动信号,关闭电源。比较器输入极性稍加变动,亦可用高电平封锁PWM信号。这种缺相保护电路采用光耦隔离强电,安全可靠,RP1、RP2用于调节缺相保护动作阈值。
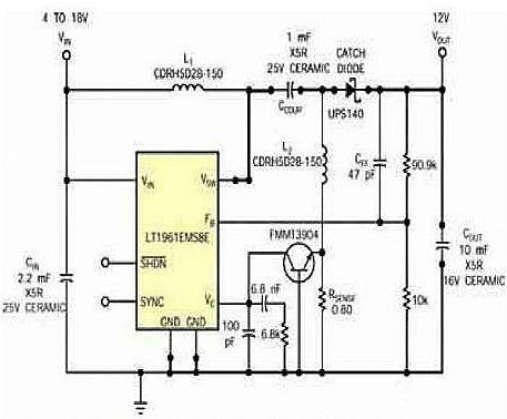
在某些直流/直流转换器中,芯片上的逐周期限流措施在短路期间可能不足以防止故障发生。一个非同步升压转换器可通过电感器和箝位二极管来提供一条从输入端到短路处的直接通路。当负载存在短路时,不管集成电路中限流保护功能如何,流过负载通路的极大电流可能会损坏箝位二极管、电感器和集成电路。在一个 SEPIC(单端初级电感变换器)电路中,耦合电容会中断这条道路。因此,当负载存在短路时,也就不存在电流从输入端流到输出端的直接通路。但是,如果所要求的最短导通时间比专用负载周期还短,则电感器电流和开关电流就会迅速增大,造成集成电路故障、输入端过载,或两种情况兼而有之。甚至在某些降压稳压器中,负载周期的种种限制有时也会使开关导通时间过长,以致无法在输出短路时保持控制,特别是在极高频率集成电路的输入电压非常高的时候。使用单个晶体管方法,可以在负载过载或短路致使电感电流开始失控时,将 VC 脚(误差放大器的输出端)电压下拉,这样就可以防止 SEPIC 电路发生短路故障。

高可靠性短路保护电路的实现电路如图1所示,其中VMP是线性稳压器的功率MOS管,R1、R2为稳压器的反馈电阻;VMO和VMP管是电流镜电路,VMOS管以一定的比例复制功率管的电流,通过电阻R4转化为检测电压;晶体管VM1完成电平移位功能,最后接入由VM8~VM12等MOS管组成的比较器的正输入端(Vinp),比较器的负输入端(Vinm)与输出端(0UT)相连;VM13、VM14组成二极管连接形式为负载的共源级放大电路;VM14和VMp1构成电流镜电路;晶体管VMp1完成对功率管VMP的开关控制,正常工作时,VMp1的栅级电位(Vcon)为高电平,不会影响系统的正常工作,短路发生时,Vcon将为低电平,使功率管关断。
当短路发生时,比较器的负输入端电位(Vinm)为0 V;同时VM1管将导通,因此比较器的正输入端电位大于0 V,最终比较器的输出节点电位(Vcom)为高电平,在MOS管VM13、VM14作用下,控制信号Vcon将为低电平,最终VMP管的栅极电压将升高,进而关断P功率管,实现短路保护。实现短路保护后,VM1管将关断;VM3和VM4组成电流镜,晶体管VM2的作用是保证电路在短路期间(VM1管关断),比较器正输入端的电压始终高于比较器的负输入端电压(即使系统存在地平面噪声),从而使Vcon电压始终为低电平,确保电路在短路发生期间始终都能关断P功率管,实现保护电路的高可靠性。同时当短路发生时(即Vcon信号为低电平),VM7管正常工作,VM5管将导通,有一定的电流流向0UT端;因此一旦短路消除(即0UT端接有负载电阻),VM5管将对负载电容和负载电阻组成的并联RC网络充电,0UT端电压升高,Vcon信号将变为高电平,电路自动恢复正常状态。
联系方式:邹先生
联系电话:0755-83888366-8022
手机:18123972950
QQ:2880195519
联系地址:深圳市福田区车公庙天安数码城天吉大厦CD座5C1
请搜微信公众号:“KIA半导体”或扫一扫下图“关注”官方微信公众号
请“关注”官方微信公众号:提供 MOS管 技术帮助

