锂电池保护板常用MOS管型号、基本知识详解及应用领域、工作原理等介绍-KIA MOS管
实亿国际信息来源:本站 日期:2018-08-14
锂电池主要由两大块构成,电芯和保护板PCM(动力电池一般称为电池管理系统BMS),电芯相当于锂电池的心脏,管理系统相当于锂电池的大脑。电芯主要由正极材料、负极材料、电解液、隔膜和外壳构成,而保护板主要由保护芯片(或管理芯片)、MOS管、电阻、电容和PCB板等构成。
锂电池可以分成两个大类:一次性不可充电电池和二次充电电池(又称为蓄电池)。
不可充电电池如锂二氧化锰电池、锂-亚硫酰胺电池。
二次充电电池又可以分为下面根据不同的情况分类。
1. 按外型分:方形锂电池(如普通手机电池)和圆柱形锂电池(如电动工具的18650);
2. 按外包材料分:铝壳锂电池,钢壳锂电池,软包电池;
3.按正极材料分:钴酸锂(LiCoO2)、锰酸锂(LiMn2O4)、三元锂(LiNixCoyMnzO2)、磷酸铁锂(LiFePO4);
4. 按电解液状态分:锂离子电池(LIB)和聚合物电池(PLB);
5. 按用途分:普通电池和动力电池。
6. 按性能特性分:高容量电池、高倍率电池、高温电池、低温电池等。
一般锂电池参数范围是在:50A 30V,90A 30V,110A 40V,160A 60V。
(KIA原厂直销系列MOS管国内合作客户,拓邦,德赛,欣旺达,力通威等保护板厂家锂电池由于其本身特性决定不能过充、不能过放、不能过流、不能过温,因此考虑安全性和电池寿命,电池要做好相关保护。有几个参数是经常碰到的,一并列出来。电压情况不同厂商差异不大,工作温度和放电倍率不同的电池或不同的厂家会有一些差异。
电池主要应用在消费类产品、数码类产品、动力产品、医疗和安防等。

锂在元素周期表上第3位,外层电子1个,容易失去形成稳定结构,所以是非常活泼的一种金属。而锂离子电池具有放电电流大、内阻低、寿命长、无记忆效应等被人们广泛使用,锂离子电池在使用中严禁过充电、过放电、短路,否则将会使电池起火、爆炸等致命缺点,所以,在使用可充锂电池都会带有一块保护板来保护电芯的安全。

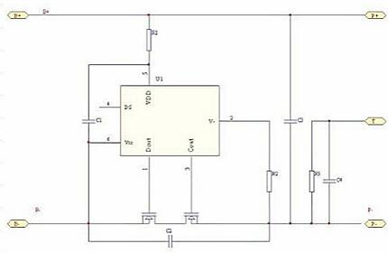
保护板有两个核心部件:一块保护IC,它是由精确的比较器来获得可靠的保护参数;另外是MOSFET串在主充放电回路中担当高速开关,执行保护动作。电路原理图如下:

下面介绍:锂电池保护板主要由维护IC(过压维护)和MOS管(过流维护)构成,是用来保护锂电池电芯安全的器材。锂电池具有放电电流大、内阻低、寿数长、无回忆效应等被人们广泛运用,锂离子电池在运用中禁止过充电、过放电、短路,不然将会使电池起火、爆破等丧命缺陷,所以,在运用可充锂电池都会带有一块维护板来维护电芯的安全。
1、电压保护能力
过充电保护板:保护板有必要具有防止电芯电压超越预设值的才干过放电维护:保护板有必要具有防止电芯电压底于预设值的才干。
2、电流能力
保护板作为锂电芯的安全保护器材,既要在设备的正常作业电流规模内,能可靠工作,又要在当电池被意外短路或过流时能迅速动作,使电芯得到保护。
3、导通电阻
定义:当充电电流为500mA时,MOS管的导通阻抗。
由于通讯设备的工作频率较高,数据传输要求误码率低,其脉冲串的上升及下降沿陡,故对电池的电流输出能力和电压稳定度要求高,因而保护板的MOS管开关导通时电阻要小,单节电芯保护板通常在70mΩ,如太大会导致通讯设备作业不正常,如手机在通话时突然断线、电话接不通、噪声等现象。
4、自耗电流
定义:IC作业电压为3。6V,空载状况下,流经保护IC的作业电流,一般极小。
保护板的自耗电流直接影响电池的待机时刻,通常规则保护板的自耗电流小于10微安。
5、机械功能、温度适应能力、抗静电能力
保护板有必要能通过国标规则的轰动,冲击实验;保护板在40到85度能安全工作,能经受±15KV的非触摸ESD静电测验。
KIA半导体专业生产MOS管场效应管厂家(国家高新技术企业)成立于2005年,公司成立初期就明确立足本市场,研发为先导,了解客户需求,运用创新的集成电路设计方案和国际同步研发技术,结合中国市场的特点,向市场推出了BIPOLAR,CMOS,MOSSFET等电源相关产品,产品的稳定性,高性价比,良好的服务,以及和客户充分的技术,市场沟通的严谨态度.
Part Numbe
ID(A)
VDSS(v)
RDS(Ω)(MAX)
RDS(Ω)(TYP)
ciss
pF
KIA2803A
150
30
0.003
0.0022
4050
KIA100N03A
90
30
0.005
0.0041
2200
KIA50N03A
50
30
0.009
0.0065
1180
KIA2806A
160
40
0.0045
0.0035
4376
KNB3306B
80
60
0.008
0.007
3080
KIA3204A
90
40
0.005
0.0038
3250
KIA2910N
130
100
0.009
0.007
6800
KNB3308A
80
80
0.09
0.0062
3110
KNB2906A
130
60
0.007
0.0055
3100
联系方式:邹先生
联系电话:0755-83888366-8022
手机:18123972950
QQ:2880195519
联系地址:深圳市福田区车公庙天安数码城天吉大厦CD座5C1
请搜微信公众号:“KIA半导体”或扫一扫下图“关注”官方微信公众号
请“关注”官方微信公众号:提供 MOS管 技术帮助