实亿国际

实亿国际

国家高新企业

cn

新闻中心

锂电池保护板电路图-分析锂电池保护板电路的特点及工作原理-KIA MOS管

实亿国际信息来源:本站 日期:2018-01-16 

分享到:


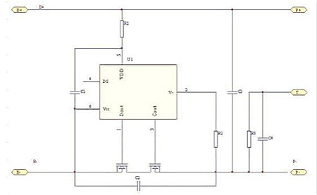
锂电池保护板电路图

锂在元素周期表上第3位,外层电子1个,容易失去形成稳定结构,所以是非常活泼的一种金属。而锂离子电池具有放电电流大、内阻低、寿命长、无记忆效应等被人们广泛使用,锂离子电池在使用中严禁过充电、过放电、短路,否则将会使电池起火、爆炸等致命缺点,所以,在使用可充锂电池都会带有一块保护板来保护电芯的安全。


保护板有两个核心部件:一块保护IC,它是由精确的比较器来获得可靠的保护参数;另外是MOSFET串在主充放电回路中担当高速开关,执行保护动作。电路原理图如下:

下面介绍:锂电池保护板主要由维护IC(过压维护)和MOS管(过流维护)构成,是用来保护锂电池电芯安全的器材。锂电池具有放电电流大、内阻低、寿数长、无回忆效应等被人们广泛运用,锂离子电池在运用中禁止过充电、过放电、短路,不然将会使电池起火、爆破等丧命缺陷,所以,在运用可充锂电池都会带有一块维护板来维护电芯的安全。


1、电压保护能力

过充电保护板:保护板有必要具有防止电芯电压超越预设值的才干过放电维护:保护板有必要具有防止电芯电压底于预设值的才干。


2、电流能力

(过流保护电流,短路保护)


保护板作为锂电芯的安全保护器材,既要在设备的正常作业电流规模内,能可靠工作,又要在当电池被意外短路或过流时能迅速动作,使电芯得到保护。


3、导通电阻

定义:当充电电流为500mA时,MOS管的导通阻抗。


由于通讯设备的工作频率较高,数据传输要求误码率低,其脉冲串的上升及下降沿陡,故对电池的电流输出能力和电压稳定度要求高,因而保护板的MOS管开关导通时电阻要小,单节电芯保护板通常在《70mΩ,如太大会导致通讯设备作业不正常,如手机在通话时突然断线、电话接不通、噪声等现象。


4、自耗电流

定义:IC作业电压为3。6V,空载状况下,流经保护IC的作业电流,一般极小。


保护板的自耗电流直接影响电池的待机时刻,通常规则保护板的自耗电流小于10微安。


5、机械功能、温度适应能力、抗静电能力

保护板有必要能通过国标规则的轰动,冲击实验;保护板在40到85度能安全工作,能经受±15KV的非触摸ESD静电测验。


相关搜索:

锂电池保护板

锂电池mos管厂家

12V锂电池保护板电路图



实亿国际 联系方式:邹先生(KIA MOS管)

手机:18123972950

QQ:2880195519

联系地址:深圳市福田区车公庙天安数码城天吉大厦CD座5C1


实亿国际 可关注KIA半导体工程专辑请搜微信号:“KIA半导体”或点击本文下方图片扫一扫进入官方微信“关注”


长按二维码识别关注


3000万彩票-追求健康,你我一起成长 乐发IV - welcome u284彩票- 欢迎您 实亿国际(中国区)官方网站 永兴集团yx06 5630彩票(中国区)官方网站 佰利乐·(中国区)有限公司官网 金彩汇 - welcome首页