实亿国际

实亿国际

国家高新企业

cn

新闻中心

深度分析12V锂电池保护板电路图工作原理与特点应用-KIA MOS管

信息来源:本站 日期:2018-01-10 

分享到:

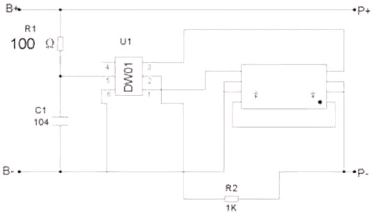
12V锂电池保护板电路图

12V锂电池保护板,16串磷酸铁锂电池保护板,18650电池维护板,线路板厂在双面线路板设计时都会优先思索锂电池保护板工作原理,电池之都带大家看一个单节电芯的锂电池保护板原理,希望能起到触类旁通的作用。


锂电池保护板依据运用IC,电压等不同而电路及参数有所不同,下面以DW01配MOS管8810A停止散布,其中包括其锂电池保护板的正常工作行为。


锂电池保护板工作原理

当电芯电压在2.5V至4.3V之间时,DW01 的第1脚、第3脚均输出高电平(等于供电电压),第二脚电压为0V。此时DW01 的第1脚 、第3脚电压将分别加到8810的第5、4脚,8810内的两个电子开关因其G极接到来自DW01 的电压,故均处于导通状态,即两个电子开关均处于开状态。此时电芯的负极与维护板的P-端相当于直接连通,维护板有电压输出。


12V锂电池保护板电路图


保护板过放电保护控制原理

当电芯经过外接的负载停止放电时,电芯的电压将渐渐降低,同时DW01内部将经过R1电阻实时监测电芯电压,当电芯电压降落到约2.3V时DW01将以为电芯电压已处于过放电电压状态,便立刻断开第1脚的输出电压,使第1脚电压变为0V,8810内的开关管因第5脚无电压而关闭。此时电芯的B-与维护板的P-之间处于断开状态。即电芯的放电回路被切断,电芯将中止放电。保护板处于过放电状态并不断坚持。等到保护板的P与P-间接上充电电压后,DW01经B-检测到充电电压后便立刻中止过放电状态,重新在第1脚输出高电压,使8810内的过放电控制管导通,即电芯的B-与维护板的P-又重新接上,电芯经充电器直接充电。


保护板过充电保护控制原理

当电池经过充电器正常充电时,随着充电时间的增加,电芯的电压将越来越高,当电芯电压升高到4.4V时,DW01将以为电芯电压已处于过充电电压状态,便立刻断开第3脚的输出电压,使第3脚电压变为0V,8810内的开关管因第4脚无电压而关闭。此时电芯的B-与维护板的P-之间处于断开状态。即电芯的充电回路被切断,电芯将中止充电。保护板处于过充电状态并不断坚持。等到保护板的P与P-间接上放电负载后,因而时固然过充电控制开关管关闭,但其内部的二极管正方向与放电回路的方向相同,故放电回路能够停止放电,当电芯的电压被放到低于4.3V时,DW01中止过充电维护状态重新在第3脚输出高电压,使8810内的过充电控制管导通,即电芯的B-与维护板P-又重新接上,电芯又能停止正常的充放电。


保护板短路保护控制原理

在保护板对外放电的过程中,8810内的两个电子开关并不完整等效于两个机械开关,而是等效于两个电阻很小的电阻,并称为8810的导通内阻,每个开关的导通内阻约为30mU03a9共约为60mU03a9,加在G极上的电压实践上是直接控制每个开关管的导通电阻的大小当G极电压大于1V时,开关管的导通内阻很小(几十毫欧),相当于开关闭合,当G极电压小于0.7V以下时,开关管的导通内阻很大(几MΩ),相当于开关断开。电压UA就是8810的导通内阻与放电电流产生的电压,负载电流增大则UA必然增大,因UA0.006L&TImes;IUA又称为8205A的管压降,UA能够简接标明放电电流的大小。上升到0.2V时便以为负载电流抵达了极限值,于是中止第1脚的输出电压,使第1脚电压变为0V、8810内的放电控制管关闭,切断电芯的放电回路,将关断放电控制管。换言之DW01 允许输出的最大电流是3.3A,完成了过电流保护。


12V锂电池保护板电路图


锂电池保护板过电流保护

电池在对负载正常放电过程中,放电电流在经过串联的2个MOSFET时,由于MOSFET的导通阻抗,会在其两端产生一个电压,该电压值U=I*RDS*2,RDS为单个MOSFET导通阻抗,控制IC上的“V-”脚对该电压值停止检测,若负载因某种缘由招致异常,使回路电流增大,当回路电流大到使U》0.1V(该值由控制IC决议,不同的IC有不同的值)时,其“DO”脚将由高电压转变为零电压,使T2由导通转为关断,从而切断了放电回路,使回路中电流为零,起到过电流维护作用。


发如今控制IC检测到过电流发作至发出关断T2信号之间,也有一段延时时间,该延时时间的长短由C2决议,通常为13毫秒左右,以防止因干扰而形成误判别。在上述控制过程中可知,其过电流检测值大小不只取决于控制IC的控制值,还取决于MOSFET的导通阻抗,当MOSFET导通阻抗越大时,对同样的控制IC,其过电流维护值越小。


短路保护控制过程短路保护是过电流保护的一种极限方式,其控制过程及原理与过电流保护一样,短路只是在相当于在P-间加上一个阻值小的电阻(约为0Ω)使保护板的负载电流瞬时到达10A以上,维护板立刻停止过电流保护。


锂电池充电电路原理及应用

锂离子电池以其优秀的特性,被普遍应用于: 手机、摄录像机、笔记本电脑、无绳电话、电开工具、遥控或电动玩具、照相机等便携式电子设备中。


锂离子电池的负极为石墨晶体,正极通常为二氧化锂。充电时锂离子由正极向负极运动而嵌入石墨层中。放电时,锂离子从石墨晶体内负极外表脱离移向正极。所以,在该电池充放电过程中锂总是以锂离子形态呈现,而不是以金属锂的形态呈现。因此这种电池叫做锂离子电池,简称锂电池。

锂电池具有:体积小、容量大、重量轻、无污染、单节电压高、自放电率低、电池循环次数多等优点,但价钱较贵。镍镉电池因容量低,自放电严重,且对环境有污染,正逐渐被淘汰。镍氢电池具有较高的性能价钱比,且不污染环境,但单体电压只要1.2V,因此在运用范围上遭到限制。


相关搜索:

电池保护板

动力锂电池保护板

保护板场效应管



联系方式:邹先生(KIA MOS管)

实亿国际 手机:18123972950

QQ:2880195519

联系地址:深圳市福田区车公庙天安数码城天吉大厦CD座5C1


关注KIA半导体工程专辑请搜微信号:“KIA半导体”或点击本文下方图片扫一扫进入官方微信“关注”


长按二维码识别关注