实亿国际

实亿国际

国家高新企业

cn

新闻中心

KIA7805中文资料|KIA7805管脚判断|7805引脚图|-KIA MOS管

实亿国际信息来源:本站 日期:2018-04-16 

分享到:

7805引脚图

7805引脚图

7805是常用的三端稳压器,一般使用的是TO-220封装,能提供DC 5V的输出电压,应用范围广,内含过流和过载保护电路。带散热片时能持续提供1A的电流,如果使用外围器件,它还能提供不通的电压和电流。

LM7805引脚图(管脚图)

7805引脚图

7805是常用的三端稳压器件,顾名思义05就是输出电压为5v,还可以微调,7805输出波纹很小。

(1) 集成三端稳压器根据稳定电压的正、负极性分为78×××,79×××系列。附图给出了正、负稳压的典型电路。

7805引脚图

〈正、负稳压7805电路〉

(2) 三端稳压器的型号规格和管脚分布。

7805引脚图

例如:78M05三端稳压器可输出+5 V、0.5 A的稳定电压;7912三端稳压器可输出 12V、1A的稳定电压。

(3) 外形及管脚分布,如附图1-25所示。

7805引脚图

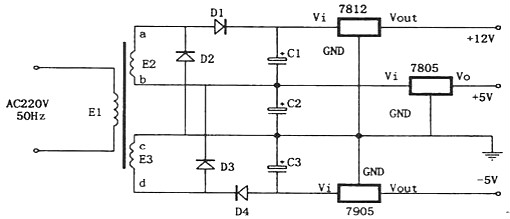
由7805,7905,7812组成的特殊的线性稳压电源

如图所示为一种特殊的电源电路。该电路虽然简单,但可以从两个相同的次级绕组中产生出三组直流电压:+5V、-5V和+12V。其特点是:D2、D3跨接在E2、E3这两组交流电源之间,起着全波整流的作用。

7805引脚图



三端稳压器(78、79系列)管脚判断技巧

电子产品中常见到的三端稳压集成电路有正电压输出的78××系列和负电压输出的79××系列。故名思义,三端IC是指这种稳压用的集成电路只有三条引脚输出,分别是输入端、接地端和输出端。它的样子象是普通的三极管,TO-220的标准封装,也有9013样子的TO-92封装。


1、用78/79系列三端稳压IC来组成稳压电源所需的外围元件极少,电路内部还有过流、过热及调整管的保护电路,使用起来可靠、方便,而且价格便宜。该系列集成稳压IC型号中的78或79后面的数字代表该三端集成稳压电路的输出电压,如7806表示输出电压为正6V,7909表示输出电压为负9V。


2、78/79系列三端稳压IC有很多电子厂家生产,80年代就有了,通常前缀为生产厂家的代号,如TA7805是东芝的产品,AN7909是松下的产品。


3、有时在数字78或79后面还有一个M或L,如78M12或79L24,用来区别输出电流和封装形式等,其中78L调系列的最大输出电流为100mA,78M系列最大输出电流为1A,78系列最大输出电流为1.5A。它的封装也有多种,详见图。塑料封装的稳压电路具有安装容易、价格低廉等优点,因此用得比较多。79系列除了输出电压为负。引出脚排列不同以外,命名方法、外形等均与78系列的相同。


4、因为三端固定集成稳压电路的使用方便,电子制作中经常采用,可以用来改装分立元件的稳压电源,也经常用作电子设备的工作电源。电路图如图所示。


5、注意三端集成稳压电路的输入、输出和接地端绝不能接错,不然容易烧坏。一般三端集成稳压电路的最小输入、输出电压差约为2V,否则不能输出稳定的电压,一般应使电压差保持在4-5V,即经变压器变压,二极管整流,电容器滤波后的电压应比稳压值高一些。


6、在实际应用中,应在三端集成稳压电路上安装足够大的散热器(当然小功率的条件下不用)。当稳压管温度过高时,稳压性能将变差,甚至损坏。


7、当制作中需要一个能输出1.5A以上电流的稳压电源,通常采用几块三端稳压电路并联起来,使其最大输出电流为N个1.5A,但应用时需注意:并联使用的集成稳压电路应采用同一厂家、同一批号的产品,以保证参数的一致。另外在输出电流上留有一定的余量,以避免个别集成稳压电路失效时导致其他电路的连锁烧毁。


在78**、79**系列三端稳压器中最常应用的是TO-220和TO-202两种封装。这两种封装的图形以及引脚序号、引脚功能如附图所示。


图中的引脚号标注方法是按照引脚电位从高到底的顺序标注的。这样标注便于记忆。引脚①为最高电位,③脚为最低电位,②脚居中。从图中可以看出,不论正压还是负压,②脚均为输出端。对于78**正压系列,输入是最高电位,自然是①脚,地端为最低电位,即③脚,如附图所示。对与79**负压系列,输入为最低电位,自然是③脚,而地端为最高电位,即①脚,如附图所示。


此外,还应注意,散热片总是和最低电位的第③脚相连。这样在78**系列中,散热片和地相连接,而在79**系列中,散热片却和输入端相连接.


联系方式:邹先生

联系电话:0755-83888366-8022

手机:18123972950

QQ:2880195519

联系地址:深圳市福田区车公庙天安数码城天吉大厦CD座5C1


请搜微信公众号:“KIA半导体”或扫一扫下图“关注”官方微信公众号

请“关注”官方微信公众号:提供  MOS管  技术帮助

7805引脚图