实亿国际

实亿国际

国家高新企业

cn

新闻中心

最简单逆变器电路图与工作原理图解大全-KIA MOS管

实亿国际信息来源:本站 日期:2018-01-11 

分享到:

什么是逆变器?

逆变器是一种把直流电能(电池、蓄电瓶)转变成交流电(普通为220伏50HZ正弦波或方波)的安装。我们常见的应急电源,普通是把直流电瓶逆变成220V交流的。简单来讲,逆变器就是一种将直流电转化为交流电的安装。


不论是在偏僻家村,或是野外需求或是停电应急,逆变器都是一个十分不错的选择。比拟常见的是机房会用到的UPS电源,在忽然停电时,UPS可将蓄电池里的直流电逆变为交流供计算机运用,从而避免因忽然断电而招致的数据丧失问题。


本文将引见两种比拟简单的逆变器电路图。并附以简单的逆变器电路图阐明,有兴味的朋友能够研讨下,自已入手做一个逆变器也的确是一件十分有成就感的事。以一就是一张较常见的逆变器电路图。


逆变器电路图


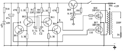
以上是一款较为容易制造的逆变器电路图,能够将12V直流电源电压逆变为220V市电电压,电路由BG2和BG3组成的多谐振荡器推进,再经过BG1和BG4驱动,来控制BG6和BG7工作。其中振荡电路由BG5与DW组的稳压电源供电,这样能够使输出频率比拟稳定。在制造时,变压器可选有常用双12V输出的市电变压器。可依据需求,选择恰当的12V蓄电池容量。


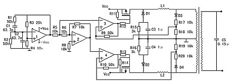
以下是一款高效率的正弦波逆变器电器图,该电路用12V电池供电。先用一片倍压模块倍压为运放供电。可选取ICL7660或MAX1044。运放1产生50Hz正弦波作为基准信号。运放2作为反相器。运放3和运放4作为迟滞比拟器。其实运放3和开关管1构成的是比例开关电源。运放4和开关管2也同样。它的开关频率不稳定。在运放1输出信号为正相时,运放3和开关管工作。这时运放2输出的是负相。这时运放4的正输入端的电位(恒为0)总比负输入端的电位高,所以运放4输出恒为1,开关管关闭。在运放1输出为负相时,则相反。这就完成了两开关管交替工作。


逆变器电路图


当基准信号比检测信号,也即是运放3或4的负输入端的信号比正输入端的信号高一微小值时,比拟器输出0,开关管开,随之检测信号疾速进步,当检测信号比基准信号高一微小值时,比拟器输出1,开关管关。这里要留意的是,在电路翻转时比拟器有个正反应过程,这是迟滞比拟器的特性。比方说在基准信号比检测信号低的前提下,随着它们的差值不时地靠近,在它们相等的霎时,基准信号马上比检测信号高出一定值。这个“一定值”影响开关频率。它越大频率越低。这里选它为0.1~0.2V。


C3,C4的作用是为了让频率较高的开关续流电流经过,而对频率较低的50Hz信号产生较大的阻抗。C5由公式:50=算出。L普通为70H,制造时最好测一下。这样C为0.15μ左右。R4与R3的比值要严厉等于0.5,大了波形失真明显,小了不能起振,但是宁可大一些,不可小。开关管的最大电流为:I==25A。


现有的逆变器,有方波输出和正弦波输出两种。方波输出的逆变器效率高,关于采用正弦波电源设计的电器来说,除少数电器不适用外大多数电器都可适用,正弦波输出的逆变器就没有这方面的缺陷,却存在效率低的缺陷,如何选择这就需求依据本人的需求了。


联系方式:邹先生

实亿国际 手机:18123972950

QQ:2880195519

联系地址:深圳市福田区车公庙天安数码城天吉大厦CD座5C1


关注KIA半导体工程专辑请搜微信号:“KIA半导体”或点击本文下方图片扫一扫进入官方微信“关注”


长按二维码识别关注


相关资讯

3000万彩票-追求健康,你我一起成长 乐发IV - welcome u284彩票- 欢迎您 实亿国际(中国区)官方网站 永兴集团yx06 5630彩票(中国区)官方网站 佰利乐·(中国区)有限公司官网 金彩汇 - welcome首页