实亿国际

实亿国际

国家高新企业

cn

新闻中心

逆变器工作原理电路图原理基础-逆变器电路图及设计方案-KIA MOS管

实亿国际信息来源:本站 日期:2018-05-31 

分享到:

逆变器工作原理电路图

1)要求具有较高的效率

由于目前太阳能电池的价格偏高,为了最大限度的利用太阳能电池,提高系统效率,必须设法提高逆变器的效率。

2)要求具有较高的可靠性

目前光伏电站系统主要用于边远地区,许多电站无人值守和维护,这就要求逆变器有合理的电路结构,严格的元器件筛选,并要求逆变器具 备各种保护功能,如:输入直流极性接反保护、交流输出短路保护、过热、过载保护等。

3)要求输入电压有较宽的适应范围

由于太阳能电池的端电压随负载和日照强度变化而变化。特别是当蓄电池老化时其端电压的变化范围很大,如12V的蓄电池,其端电压可能在 10V~16V之间变化,这就要求逆变器在较大的直流输入电压范围内保证正常工作。

逆变器工作原理电路图分类

有关逆变器分类的方法很多,例如:根据逆变器输出交流电压的相数,可分为单相逆变器和三相逆变器;根据逆变器使用的半导体器件类型不同,又可分为晶体管逆变器、晶闸管逆变器及可关断晶闸管逆变器等。根据逆变器线路原理的不同,还可分为自激振荡型逆变器、阶梯波叠加型逆变器和脉宽调制型逆变器等。根据应用在并网系统还是离网系统中又可以分为并网逆变器和离网逆变器。为了便于光电用户选用逆变器,这里仅以逆变器适用场合的不同进行分类。


集中型逆变器

逆变器工作原理,集中逆变技术是若干个并行的光伏组串被连到同一台集中逆变器的直流输入端,一般功率大的使用三相的IGBT功率模块,功率较小的使用场效应晶体管,同时使用DSP转换控制器来改善所产出电能的质量,使它非常接近于正弦波电流,一般用于大型光伏发电站(>10kW)的系统中。最大特点是系统的功率高,成本低,但由于不同光伏组串的输出电压、电流往往不完全匹配(特别是光伏组串因多云、树荫、污渍等原因被部分遮挡时),采用集中逆变的 方式会导致逆变过程的效率降低和电户能的下降。同时整个光伏系统的发电可靠性受某一光伏单元组工作状态不 良的影响。最新的研究方向是运用空间矢量的调制控制以及开发新的逆变器的拓扑连接,以获得部分负载情况下的高效率。


组串型逆变器

逆变器工作原理,组串逆变器是基于模块化概念基础上的,每个光伏组串(1-5kw)通过一个逆变器,在直流端具有最大功率峰值跟踪,在交流端并联并网,已成为现在国际市场上最流行的逆变器。


许多大型光伏电厂使用组串逆变器。优点是不受组串间模块差异和遮影的影响,同时减少了光伏组件最佳工作点与逆变器不匹配的情况,从而增加了发电量。技术上的这些优势不仅降低了系统成本,也增加了系统的可靠性。同时,在组串间引人"主-从"的概念,使得系统在单串电能不能使单个逆变器工作的情况下,将几组光伏组串联系在一起,让其中一个或几个工作,从而产出更多的电能。


最新的概念为几个逆变器相互组成一个"团队"来代替"主-从"的概念,使得系统的可靠性又进了一步。目前,无变压器式组串逆变器已占了主导地位。


微型逆变器

逆变器工作原理在传统的PV系统中,每一路组串型逆变器的直流输入端,会由10块左右光伏电池板串联接入。当10块串联的 电池板中,若有一块不能良好工作,则这一串都会受到影响。若逆变器多路输入使用同一个MPPT,那么各路输入 也都会受到影响,大幅降低发电效率。在实际应用中,云彩,树木,烟囱,动物,灰尘,冰雪等各种遮挡因素都会引起上述因素,情况非常普遍。


而在微型逆变器的PV系统中,每一块电池板分别接入一台微型逆变器,当电池 板中有一块不能良好工作,则只有这一块都会受到影响。其他光伏板都将在最佳工作状态运行,使得系统总体效率更高,发电量更大。在实际应用中,若组串型逆变器出现故障,则会引起几千瓦的电池板不能发挥作用,而微 型逆变器故障造成的影响相当之小。


功率优化器


逆变器工作原理,太阳能发电系统加装功率优化器(OptimizEr)可大幅提升转换效率,并将逆变器(Inverter)功能化繁为简降低成本。为实现智慧型太阳能发电系统,装置功率优化器可确实让每一个太阳能电池发挥最佳效能,并随时监控电池耗损状态。


功率优化器是介于发电系统与逆变器之间的装置,主要任务是替代逆变器原本的最佳功率点追踪功 能。功率优化器藉由将线路简化以及单一太阳能电池即对应一个功率优化器等方式,以类比式进行极为快速的最佳功率点追踪扫描,进而让每一个太阳能电池皆可确实达到最佳功率点追踪,除此之外,还能藉置入通讯晶片随 时随地监控电池状态,即时回报问题让相关人员尽速维修。


介绍两种比较简单的逆变器工作原理电路图。并附以简单的逆变器工作原理电路图说明,有兴趣的朋友可以研究下,自已动手做一个逆变器也确实是一件非常有成就感的事。以一就是一张较常见的逆变器电路图。

逆变器工作原理电路图

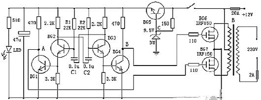
以上是一款较为容易制作的逆变器工作原理电路图,可以将12V直流电源电压逆变为220V市电电压,电路由BG2和BG3组成的多谐振荡器推动,再通过BG1和BG4驱动,来控制BG6和BG7工作。其中振荡电路由BG5与DW组的稳压电源供电,这样可以使输出频率比较稳定。在制作时,变压器可选有常用双12V输出的市电变压器。可根据需要,选择适当的12V蓄电池容量。


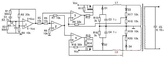
以下是一款高效率的正弦波逆变器电器图,该电路用12V电池供电。先用一片倍压模块倍压为运放供电。可选取ICL7660或MAX1044。运放1产生50Hz正弦波作为基准信号。运放2作为反相器。运放3和运放4作为迟滞比较器。其实运放3和开关管1构成的是比例开关电源。运放4和开关管2也同样。它的开关频率不稳定。在运放1输出信号为正相时,运放3和开关管工作。这时运放2输出的是负相。这时运放4的正输入端的电位(恒为0)总比负输入端的电位高,所以运放4输出恒为1,开关管关闭。在运放1输出为负相时,则相反。这就实现了两开关管交替工作。

逆变器工作原理电路图

当基准信号比检测信号,也即是运放3或4的负输入端的信号比正输入端的信号高一微小值时,比较器输出0,开关管开,随之检测信号迅速提高,当检测信号比基准信号高一微小值时,比较器输出1,开关管关。这里要注意的是,在电路翻转时比较器有个正反馈过程,这是迟滞比较器的特点。比如说在基准信号比检测信号低的前提下,随着它们的差值不断地靠近,在它们相等的瞬间,基准信号马上比检测信号高出一定值。这个“一定值”影响开关频率。它越大频率越低。这里选它为0.1~0.2V。


C3,C4的作用是为了让频率较高的开关续流电流通过,而对频率较低的50Hz信号产生较大的阻抗。C5由公式:50=算出。L一般为70H,制作时最好测一下。这样C为0.15μ左右。R4与R3的比值要严格等于0.5,大了波形失真明显,小了不能起振,但是宁可大一些,不可小。开关管的最大电流为:I==25A。


现有的逆变器,有方波输出和正弦波输出两种。方波输出的逆变器效率高,对于采用正弦波电源设计的电器来说,除少数电器不适用外大多数电器都可适用,正弦波输出的逆变器就没有这方面的缺点,却存在效率低的缺点,如何选择这就需要根据自己的需求了。


逆变器工作原理电路图

逆变器工作原理,主功率元件的选择至关重要,目前使用较多的功率元件有达林顿功率晶体管(BJT),功率场效应管(MOSFET),绝缘栅晶体管(IGBT)和可关 断晶闸管(GTO)等,在小容量低压系统中使用较多的器件为MOSFET,因为MOSFET具有较低的通态压降和较高的开关频率,在高压大容量系统中一般 均采用IGBT模块,这是因为MOSFET随着电压的升高其通态电阻也随之增大,而IGBT在中容量系统中占有较大的优势,而在特大容量(100KVA以 上)系统中,一般均采用GTO作为功率元件


大件:场效应管或IGBT、变压器、电容、二极管、比较器以及3525之类的主控。交直交逆变还有整流滤波。

功率大小和精度,关系着电路的复杂程度。


IGBT(绝缘栅双极晶体管)作为新型电力半导体场控自关断器件,集功率MOSFET的高速性能与双极性器件的低电阻于一体,具有输入阻抗高,电压控制功耗低,控制电路简单,耐高压,承受电流大等特性,在各种电力变换中获得极广泛的应用。与此同时,各大半导体生产厂商不断开发IGBT的高耐压、大电流、高速、低饱和压降、高可靠性、低成本技术,主要采用1um以下制作工艺,研制开发取得一些新进展。


联系方式:邹先生

联系电话:0755-83888366-8022

手机:18123972950

QQ:2880195519

联系地址:深圳市福田区车公庙天安数码城天吉大厦CD座5C1


请搜微信公众号:“KIA半导体”或扫一扫下图“关注”官方微信公众号

请“关注”官方微信公众号:提供  MOS管  技术帮助

逆变器工作原理电路图

相关资讯