电子镇流器电路图大全(解析常用六款电路原理图详解)KIA MOS管
信息来源:本站 日期:2018-04-19
电子镇流器完成的是将工频交流电源转换成高频交流电源的变换器,首先,工频电源经过射频干扰滤波器、全波整流器、无源/有源功率因数校正器转变为直流电源,其次,经过直流/交流变换器转变为高频交流电源。将转换过后的高频交流电源加到LC串联谐振电路上对灯丝进行加热,在电容器上产生谐振高压使得灯管经导通状态转变为发光状态,以提供灯管正常工作所需的电压和电流。还可在其基础上添加异常保护、电流保护、温度保护等保护电路以完成各种所需功能。下面小编整理了几款电子镇流器电路设计原理图供大家参考。
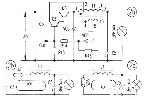
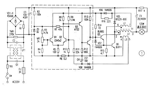
该电路由整流、控制(虚线框部分)、功率输出部分等组成,是典型的串联型开关电路。交流220V电压经。VD1-4,桥式整流,C3滤波产生300V左右直流电压后分为两路:一路送到功率输出电路;另一路经R2、R9等送到控制电路部分。另外TRi、C1、C2、LF1等组成高频滤波电路,阻止外界噪声进入电路,同时也阻止高压汞灯电子镇流器内的噪声向外扩散。
功率输出部分画成图2(a)是一个自激式功率振荡电路。
图1中虚线框部分是高压汞灯电子镇流器的控制部分,用晶体管Qi、Q2等组成差动式比较电路,Q3、Q4等组成电平转换及误差信号放大电路,控制自激式功率振荡电路的导通时间。控制电路的供电电源是变压器T1的绕组L2耦合所得的矩形脉冲,经过二极管VD6取得的。当Qs.Q6饱和时,其集电极电流线性上升,使取样电阻的电压降UR6增加到设定的某电压值时,Q2导通,使Q3、Q4导通,把Q5基极的正向偏值电流吸收,促使Q5截止。因而Q5、Q6的集电极电流还未达到hFES.hfe6ib5,就提前退出饱和状态,进入截止状态,达到了控制晶体管Q5、Q6饱和时间的目的。这里还从T1的次级绕组L3取出电压,经整流、滤波后作为电压反馈叠加到输入电流的取样电路,一并起作用。
变压器T1采用2000E-17型软磁铁氧体铁芯,L1采用φ0.72mm漆包线绕98匝,l匝处抽头。L2采用φ0.27mm漆包线绕12匝,L3采用φ0.27mm漆包线绕6匝,磁芯间隙为0.6mm左右。建议晶体管Q6选用PCM≥50W、BVCEO≥1000V、Icm≥10A;晶体管Q5选用PCM≥5W、BVCEO》1000V、ICM≥1A、hFE≥50;快速恢复整流二极管VD5选用VR≥800V、IF≥10A。本人因条件方便,晶体管Q6采用BUT11,晶体管Q5采用BUX85,快恢复整流二极管VD5采用BY229-600,均能正常工作。其他元件没有特别要求。初次通电时先把电位器VR1调到低段处,使基准电压(也就是Q1的基极电压Ubl)为1V左右后通电,再等(几分钟)到高压汞灯亮度基本稳定后,调节电位器VRi提高基准电压为1.2V左右,使电路对高压汞灯的供电电流达到1.25A的额定值。
140J-06电子镇流器,重带要参数如下:功率40W,额定电流190mA,功率因数0.95,TC=70°C,U-OUT=220V。该镇流器电路有些特别,同样的灯管,配接该镇流器,灯管亮度明显提高。为此,特绘制其电路如下图所示。
该镇流器主要由干扰抑制、整流与功率因数校正、启动与振荡、保护等电路组成。
通电后约260V直流电压通过偏置电阻R2、R3(680kΩ/0.5W)给功率管Q2(D13005ED)的b极提供偏置,Q2开始导通,同时260V电压还通过C7、左灯丝、C14、右灯丝及D17(1N4007)、L2、T1的A-B绕组、Q2的c极、R5(0.5Ω/0.5W)到地,形成Q2集电极电流,T1各绕组产生了感应电势。在反馈电压的作用下,Q2快速退出饱和进入截止状态,Q1迅速由截止进入饱和状态。
此电路为变异型半桥逆变电路,在半桥桥路的无源侧C7下部与地端少了一个同容量电容。当Q1开始导通时,在Q2导通期间C7充有的上+下一电压,此时开始通过Q1的c极、R4(0.5Ω/0.5W)、L2、右灯丝、C14、左灯丝及D16(1N4007)放电。
由于电磁感应及反馈绕组的作用,Q1、Q2反复导通与截止,形成振荡。半桥在Q1、Q2的中点输出近似方波的脉冲,通过C14电流方向交替变化,使L2、C14、C7等组成的LC串联电路发生谐振,C14两端产生谐振高压点亮灯管。灯管被点亮后,内阻下降,LC串联电路失谐,Q值下降,灯管两端电压降低,同时L2又对灯管电流加以限流,满足了灯管高压启动、低压工作、电流稳定的要求。
电容C8起续流作用。在Q2截止、Q1转入导通前,流过L2中的电流(由右向左)通过C8、C7返回至灯管中,电流保持连续,避免中断;在Ql截止、Q2转入导通前,流过L2中的电流(由左向右)又通过C7,C8返回至灯管中,同样使电流保持连续,避免中断。最终保持灯管连续正常发光。实测此镇流器工作频率约为42kHz。
33157作为控制和驱动器的55W工业荧光灯电子镇流器电路如下图所示。电路中采用了以MC33262为中心的功率因数调整(PFC)升压型预调器,它可抑制电流谐波,提高功率因数,并且可输出400V的提升电压。R3、C3是IC2的启动元件。在IC2开始驱动VT1、VT2开关之后,T的辅助绕组L1、VD2、R9和C3组成泵电源,输出约13V的直流电压并加到IC,的①脚。VD1和C5分别是自举二极管和自举电容。C1为决定灯丝加热时间和点火时序循环时间的外接电容,当C1的容量为0.47μF时,灯丝的加热时间为2s。R1与R2和C2决定预热频率;R2决定灯管点火频率;C2决定稳态工作频率;C6决定从预热频率降到点火频率的时间。该电路的预热频率为70kHz,点火频率为50kHz,灯丝预热时间为2s,频率扫描时间为125ms,稳态工作频率为45kHz。
在33157开始工作后,首先输出灯丝加热频率,由于该频率远高于L2、C7串联谐振频率fo,所以半波逆变器输出的信号不会在灯管两端产生一个高压将灯管击穿。灯丝加热2s后,输出信号的频率从70kHz降到50kHz,接近L2、C7的串联谐振频率fo,导致L2、C7发生谐振。
此时在C7两端将产生约1000V的高压脉冲并施加在灯管上,将灯管击穿点燃。灯管点燃后,镇流器输出的频率会降到45kHz,L2只起稳流作用。
R6、R7、VD3、R8和Cll等组成灯管检测电路。如果灯管点火没有成功,IC2的⑨脚接到信号后,将会重新点火;如果点火程序连续4次仍无法将灯管启动,则电路会自动终止工作。
如果灯管没有接入,IC2会根据检测到的信号自动关断输出,从而保护VT1、VT2免遭破坏。
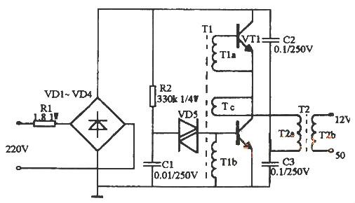
本电路说明了电子变压器,输入为AC220V,输出为AC12V,功率可达50W。它主要是在高频电子镇流器电路的基础上研制出来的一种变压器电路,其性能稳定,体积小,功率大,因而克服了传统的硅钢片变压器体大、笨重、价高等缺点。
电路如下图所示。其工作原理与开关电源相似,二极管VD1~VD4构成整流桥把市电变成直流电,由振荡变压器T1,三极管VT1、VT2组成的高频振荡电路,将脉动直流变成高频电流,然后由铁氧体输出变压器T2对高频高压脉冲降压,获得所需的电压和功率。R1为限流电阻。电阻R2、电容C1和双向触发二极管VD5构成启动触发电路。三极管VT1、VT2选用S13005,其B为15~20倍。也可用C3093等BUceo》=35OV的大功率三极管。触发二极管VD5选用32V左右的DB3或VR60。振荡变压器可自制,用音频线绕制在H7X10X6的磁环上。TIa、T1b绕3匝,Tc绕1匝。铁氧体输出变压器T2也需自制,磁心选用边长27mm、宽20mm、厚10mm的EI型铁氧体。T2a用直径为0.45mm高强度漆包线绕100匝,T2b用直径为1.25mm高强度漆包线绕8匝。二极管VD1~VD4选用IN4007型,双向触发二极管选用DB3型,电容C1~C3选用聚丙聚酯涤纶电容,耐压250V。
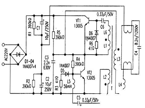
如图所示50w电子镇流器电路图
电路工作时,A点工作电压约为12V;B点约为25V;C点约为105V;D点约为10V。如果电压不满足上述数值,或电路不振荡,则应检查电路有无错焊、漏焊或虚焊。然后再检查VT1、VT2是否良好,T1a、T1b的相位是否正确。整个电路装调成功后,可装入用金属材料制作的小盒内,发利于屏蔽和散热,但必须注意电路与外壳的绝缘。引外,改变T2a、b二线圈的匝数,则可改变输出的高频电压。
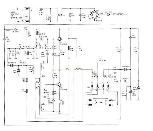
电路如下图所示。该电路由整流滤波电容、高频振荡电路以及输出负载屯路三部分构成。
交流220V经整流滤波输出约300V直流为振荡电路提供电源。开机后,电源经R5对C3充电,使Vc3迅速升高,从而使VT2迅速达到饱和导通;此时由于T的反馈作用使VTI截止。VT2一旦导通,则Vc3下降,流过L2的电流减小,引起L2两端一个上负下正的电压。据同名端原则,L1得到上正下负的反馈电压,从而使VTI迅速饱和导通,同时T的正反馈作用又使VT2迅速截止,如此周而复始形成振荡方波(R6D6、R3D5起续流作用)。负载回路由L3、L4、C4构成。VTI、VT2产生的高频振荡方波由L3加给负载作激励源。灯管点亮前,由C4、L4等形成很大的谐振电梳流过灯丝,使管内氢气电离,进而使水银变为水银蒸汽,C4两端的高电压又使水银蒸汽形成弧光放电,激发管壁荧光粉发光。灯管点亮后,C4基本上不起作用,此时L4则起阻流作用。
常见故障
1.VTl、VT2击穿进而导致D1-D4被击穿,此时将引起电源短路;
2.R4偏置损坏;
3.振荡电路中L5.L6易损坏;
4.负载电路中C4因高压易被击穿。
最后特别说明,目前市场上所见的各种40W、32W节能日光灯以及各种环形灯,均可参考此电路进行分析。
电感镇流器是利用电感的感抗和自感电动势来点亮气体放电灯具的,自感电动势“击穿”灯管的气体启动灯管,电感限制灯管电流不使其烧毁。
电子镇流器是用电子器件产生高频电振荡并限制灯管电流,利用高频电流来点亮灯具的,气体放电的灯管在高频电流作用下不须高压启辉就能放电而发光,且点亮的灯管没有闪烁感。
电感镇流器是一个铁芯电感线圈,电感的性质是当线圈中的电流发生变化时,则在线圈中将引起磁通的变化,从而产生感应电动势,其方向与电流的方向相反,因而阻碍着电流变化,起到限制电流的作用。
2、电感镇流器是产生高电压的理论依据
电感镇流器是产生高电压的理论依据来自于线圈的自感现象,即当导体中的电流发生变化时,导体本身就产生感生电动势,这个电动势总是阻碍导体中原来电流的变化。这种由于导体本身的电流发生变化而产生的电磁感应现象,叫自感现象,在自感现象中产生的感生电动势,叫做自感电动势。线圈自感电动势的大小与自感系数有关,线圈越长,单位上的匝数越多,截面积越大,自感系数就越大。有铁芯的线圈的自感系数,比没有铁芯时要大的多。由上可知,我们就知道了电感式镇流器为了获得一个瞬时的高电压而做得笨重的道理了。
在电路中起开关作用,它由一个氖气放电管与一个电容并联而成,电容的作用为消除对电源的电磁的干扰并与镇流器形成振荡回路,增加启动脉冲电压幅度。放电管中一个电极用双金属片组成,利用氖泡放电加热,使双金属片在开闭时,引起电感镇流器电流突变并产生高压脉冲加到灯管两端。
当日光灯接入电路以后,起辉器两个电极间开始辉光放电,使双金属片受热膨胀而与静触极接触,于是电源、镇流器、灯丝和起辉器构成一个闭合回路,电流使灯丝预热,当受热时间1-3秒后,起辉器的两个电极间的辉光放电熄灭,随之双金属片冷却而与静触极断开,当两个电极断开的瞬间,电路中的电流突然消失,于是镇流器产生一个瞬时高电压(自感电动势),它与电源叠加后,加到灯管两端,使灯管内的惰性气体电离而引起弧光放电。在日光灯正常发光过程中,由于交流电不断地通过镇流器的线圈,线圈中就有自感电动势,它总是阻碍着电流的变化,这是镇流器起着降压限流的作用,保证日光灯的正常工作。
1)、功率因数低,损耗大,有电网污染;
2)、输入电压范围小,低电难以启动,启动时间长;
3)、系统本身无稳压/稳功率措施,造成亮度不稳定;
4)、较低的功率因数导致配电变压器和配线的容量增大,初装费用高;
5)、由于铁芯片在电磁场力的作用下发生震动而产生噪声;
6)、结构笨重。
一般故障处理遵循由易到难的原则。
故障一:启辉器无任何动作,灯管不亮。
处理:1、灯开关坏;2、启辉器坏;3、灯管断丝;4、镇流器坏。
故障二:启辉器频繁动作,无法点亮灯管
处理:灯管性能下降,更换灯管。
故障三:灯管两头发红,无法点亮。
处理:启辉器电容击穿,或是双金属片失效,更换启辉器。
现在的荧光灯越来越多的采用电子镇流器。
荧光灯电子镇流器问世于八十年代初,由荷兰飞利浦公司首先研制成功。由于它与传统的电感式镇流器相比,特别在电性能上更有独特之处。实际上是一个高频谐振逆变器,它体积小,重量轻,能耗低,低电压下仍能起动和工作,无频闪和噪声。但是,该电路的工作频率高达20~30kHz,因此有较严重的射频干扰和电磁辐射干扰,影响其他电子仪器的正常工作,还容易对电网造成污染,对人体造成伤害。经过实际使用,它的寿命(和对灯管寿命的影响),都不如电感式流器,更有“省电不省钱”的说法,这些说法,主要是针对劣质的镇流器而言。
联系方式:邹先生
联系电话:0755-83888366-8022
手机:18123972950
QQ:2880195519
联系地址:深圳市福田区车公庙天安数码城天吉大厦CD座5C1
请搜微信公众号:“KIA半导体”或扫一扫下图“关注”官方微信公众号
请“关注”官方微信公众号:提供 MOS管 技术帮助
