实亿国际

实亿国际

国家高新企业

cn

新闻中心

常见LED恒流源电路图 详解LED恒流源电路图原理大全KIA MOS管

信息来源:本站 日期:2018-04-24 

分享到:

LED恒流源电路图

首先来看一下LED到底是什么样的器件。因为LED的亮度是和它的正向电流成正比,而且一些LED的结构决定了它的散热也就是功耗。所以大多数LED会给出额定电流,例如Φ5为20mA,1W的为350mA…等,但这并不等于LED只能工作于这些额定电流,更不意味着LED就是一个恒流器件。

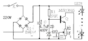
本文先从采用恒流源的电路开始,本电路中的主要元件三极管,要求其耐压要400V以上,功率也要10W以上的大功率管,如13003、13005等,并且要加上散热片,滤波电容C容量为4.7uF,耐压要有400V以上,发光管电流的大小由R2调整决定,为方便调整可用可变电阻调整后再换上相同阻值的固定电阻,本电路可带发光管数量少则十几只,最多可达到90多只。


虽然增加了一些成本,但使用效果要比只用电阻限流的电路好得多,即使电压波动较大,电路仍然能保持电流恒定不变,这对发光管的寿命是非常有利的,在此范围内的电流都能基本保持恒定不变。本电路使用发光管数量也不可太少,越少其效率也越低。电路总耗电功率约6W。


LED恒流源电路图


1. 恒流源的电路

在这里顺便给大家讲讲LED采用并联接法好还是采用串联接法好?

LED采用并或串联接法,主要应该根据电源盒电路的形式及要求决定。

采用串联接法的电路,当其中一只LED断路时整串的LED都不亮;但当其中一只LED短路时其他LED都还能亮。采用并联接法的电路,当其中一只LED断路时其它的LED都还能亮;但当其中一只LED短路时则整个电路的电源将被短路,这样不仅其它的LED都不能正常工作,而且还有可能损坏电源。故相比之下还是串联接法的电路较有优势。

并联接法只需要在每个LED两端施加较低的电压,但需要利用镇流电阻或电流源来保证每个LED的亮度一致。如果流过每个LED的偏置电流大小不同,则它们的亮度也不同,从而导致整个光源亮度不均匀。然而,利用镇流电阻或电流源来保证LED的亮度一致将缩短电池的使用寿命。


采用串联接法本质上可以很好保证流过每只LED电流的一致性,但要求电源电压要高。LED采用并联接法时,由于电路的总电流是各个LED电流之和,所以要求电源要能供给足够大的电流。


其实严格意义上并联或串联接法各有它们的优缺点。需要你在实用的予以考虑多方面因素。在实际运用中常采用串并联形成的LED阵列,这样可以克服或减小上述单个LED断路或短路造成整串LED不亮或对整个电路和电源的影响。所谓串并联就是先用少量LED串联再串镇流电阻组成一条支路,再将若干条支路并联组成“支路组”。


此外,还能采用串并串形式,就是在已组成的“支路组”的基础上,再将若干“支路组”串联构成整个灯具电路,此种接法不仅缩小了一只LED故障时的影响面,而且将镇流电阻化整为零,将几只大功率电阻变成几十只小功率电阻,由集中安装变成分散安装,这样既利于电阻散热,又可以将灯具设计的更紧凑。


首先任何电路我们必须要考虑其电源驱动,通常驱动LED采用专用恒流源或者驱动芯片,容易受体积和成本等因素的限制,最经济实用的方法就是采用电容降压式电源。


用它驱动小功率LED,具有不怕负载短路、电路简单等优点,而且一个电路能驱动1~70个小功率LED(但是,这种电源电路启动时的电流冲击,尤其是频繁启动,会给LED造成破坏。当然,采取适当的保护便可避免这种冲击,在这方面,可以采用安森美半导体的NUD4700 LED分流保护解决方案。


在LED正常工作时,泄漏电流仅为近100 μA;而在遭遇瞬态或浪涌条件时,LED就会开路,这时NUD4700分流保护器所在的分流通道激活,所带来的压降仅为1.0 V,将带给电路的影响尽可能地减小。这器件采用节省空间的小型封装,设计用于1 W LED(额定电流为350 mA@ 3 V),如果散热处理恰当,也支持大于1 A电流的操作。

LED恒流源电路图


2. 电容降压式电源的典型电路

对驱动电路的检查,应该根据电路图仔细核对电路是否接错,特别注意检查整流桥(长脚的是正极输出,其对角是负极输出,另外两脚是交流输入)或整流二极管以及稳压二极管的极性是否正确(印有黑线或白线的一端是负极),还有检查晶体三极管或稳压集成电路的三个电极是否错接等。


C1为降压电容器(采用金属化聚丙烯电容),R1为C1提供放电回路。电容C1为整个电路提供恒定的工作电流。电容C2为电解电容,其耐压值取决于所串联的LED的个数(约为其总电压的1.5倍以上),它的主要作用是抑制通电瞬间引起的电压突变,从而降低电压冲击对LED寿命的影响。R4为电容C2的泄流电阻,其阻值应随着LED个数的增加适当增加。

由于电容降压电源是一种非隔离式电源,在通电瞬间会产生很大的电流,也就是所谓的浪涌电流。此外,由于外界环境的影响(如雷击) 电网系统会侵入各种浪涌信号,有些浪涌会导致LED的损坏。

所以,要提供热敏电阻保护,这个主要有负温度系数热敏电阻保护(NTC热敏电阻,NTC是Negative Temperature Coefficient的缩写)和正温度系数热敏电阻保护(PTC(Positive Temperature Coefficient))然后有瞬态电压抑制器保护((Transient Voltage Suppressor),简称TVS)

负温度系数意思是负的温度系数,泛指负温度系数很大的半导体材料或元器件,限制浪涌电流的最简单有效的方法是在线路输入端串联一只NTC热敏电阻。

正温度系数电流通过PTC热敏电阻后引起温度升高,即发热体的温度上升,当超过居里点温度后,电阻增加,从而限制电流增加,于是电流的下降导致元件温度降低,电阻值的减小又使电路电流增加,元件温度又升高,周而复始。


瞬态电压抑制器主要用于对电路元件进行快速过压保护。当TVS管两极受到反向瞬态高能量冲击时,它能以10-12s量级的速度将两极间的高阻抗变为很低的阻抗,吸收高能量的浪涌,将两极间的电压钳位于个预定值,保护电子线路中的元器件免受各种浪涌脉冲的冲击而损坏。


智能型LED恒流源就是一个实例。

1、经典的线性恒流源

我们知道所有的电源都可以分为恒压电源和恒流电源两种,恒压电源就是输出电压稳定,不随输入电压和负载的变化而变化,而恒流电源则是输出的电流恒定,不随输入电压和负载的变化而变化。LED因为是一种半导体二极管,它的伏安特性具有负温度系数,如果采用恒压电源供电,就会使其电流越来越大而烧毁,所以必须采用恒流电源供电。而其实现方法,也有两种,一种是开关型,另一种是线性型。开关型的优点是效率比较高(90%左右),缺点是元件数较多,可靠性低,体积大,成本高,而线性恒流源正好相反,元件数很少,可靠性高,体积很小,成本很低,缺点是效率很低,只有85%左右。

2、线性恒流源的效率

线性恒流源的效率随输入电压的升高而降低。它的典型的效率曲线如图1所示:

LED恒流源电路图

在市电电压为220V时,它的效率只有85%。

但是,在输入电压越低的时候,效率就高,那么有没有可能让这种线性恒流源在220V的时候效率也很高呢?

这需要我们来详细地研究线性恒流源的电路构成和性能。

3、采用普通恒流二极管的线性恒流源

最简单的线性恒流源就是采用普通恒流二极管了,它的的电路如下图所示:

LED恒流源电路图

图中的CRD就是恒流二极管,图上采用了几个CRD并联,以得到所需的恒流值,实际上现在有很多不同恒流值的恒流二极管可供选用,所以也不需要采用并联的方法来得到所需的恒流值了。所以只要采用一个恒流值相当的恒流二极管和所有LED相串联就可以实现对LED的恒流供电,可见它的电路是十分简单的!


它的工作原理可以从它的伏安特性中看出:

LED恒流源电路图

它可以在Vk一直到POV很大的输入直流电压范围内都保持电流恒定。而Vk的绝对值低于3V,假定整流后的直流电压为300V,恒流值为0.1A,那么总功率为30W,如果LED串的总电压也正好接近300V,而使恒流二极管工作于Vk点,那么它消耗的功率就只有0.3W,其效率为(30-0.3)/30=99%。


但是当输入电压增加的时候,恒流二极管就必须承担起消耗这些多余电压的功能,它的工作点就右移,而功耗就逐渐增大,整体的效率也就逐渐降低,表现为其效率的线性下降。


由此可知,采用恒流二极管的低效率特性是天生的,所有恒流二极管都必须采用带有很大散热片的管壳封装,看上去似乎无法避免的。

这也是一般教科书里就是那么说的。

4、采用自适应方法来提高线性恒流源的效率

为了提高线性恒流源的效率必须想出完全不同的途径。

因为我们的应用是对LED的供电,LED就是我们的线性恒流源的负载。它的数目就必须满足整流后的电压输出,例如,假定整流后的电压是300V,每颗LED的正向电压为3V,那么就需要100颗LED相串联。当市电电压增加时,整流后的电压也增加,但是LED是由恒流源供电的,所以它的正向电压不会变,所增加的整流后电压就必须由恒流二极管来承担,这样整体效率就必然降低。


那么有没有办法不要让恒流二极管来承担这个整流后电压的升高呢?


最好的解决方法就是自适应地改变LED的数目。当市电电压升高时,就增加LED的个数,当市电电压降低时,就减少LED的数目,这可以很容易采用一种自适应的数字式开关电路来实现。它的原理图如下所示。

LED恒流源电路图

其中方块中的这部分LED就是可以自适应地接入到主串LED中,也可以从主串中自适应地断开。接入或断开的个数由输入电压变化的大小而决定。它能感知输入电压的变化,并由此来决定LED数目的变化,所以它是自适应的,也可以说是智能的。

现在这种能够自动开关的芯片已经由深圳埃菲莱公司开发成功,命名为AICS,意即Adaptive-Intelligence-Current-Source,也就是自适应-智能-电流-源。

5、智能型LED恒流源的性能

5.1、对输入电压的自适应 ?

如前所述,采用自适应控制以后,这种恒流源的效率可以高达99%。而且这个效率可以在很大的输入电压变化范围内都能实现。下面就是效率和输入电压变化的关系曲线:

LED恒流源电路图

图中蓝色为恒流源本身的效率,红色为加上整流器以后的总效率,在市电电压在175V-265V内变化时,恒流源的效率都能保持99%不变,加上镇流器的损耗也可以高于98%。

5.2、对温度的自适应 ? ?

当环境温度变化时,恒流二极管的功耗也会加大,例如当环境温度升高时,由于LED伏安特性的负温度系数,它的正向电压也会降低,这时候LED串的总电压就会低于整流后电压,于是恒流二极管的压降就会升高,功耗就会加大。这个智能的恒流源就会增加LED串中的LED数目,使得其总电压升高,而使这个总电压和整流后电压仍然保持匹配从而保持高效率,其实测结果如下:

LED恒流源电路图

由图中可以看到,当环境温度从35度升高到85度时,整个效率随输入电压变化曲线几乎完全一样,始终保持在98%以上(包括了整流器的效率在内)。

5.3、对不同正向电压的LED的自适应 ? ? ? ?

这种智能型LED恒流源还有一个自适应的功能,就是对不同正向电压的LED的自适应。在同一个LED串中,可以采用具有不同正向电压的LED,混编以后,自适应智能LED恒流源仍然可以自动地切换LED数,以保证其总效率在99%

5.4、改变LED的数目而不改变其光通量 ?

如果只是改变LED的数目,由于恒流源的电流没有改变,就会改变总的光通量。在智能型LED恒流源的整体设计中也考虑到这个问题,在改变LED数目的同时还自适应地改变恒流源的电流值,使得其总功率和总光通量不变。其结果如下:

LED恒流源电路图

LED恒流源电路图

LED恒流源电路图

由图中可见,采用这种自适应调节以后,在不同的输入电压范围内,其输入功率,输出光通量和整体光效都基本上保持不变。

6、光电一体化的光引擎

这种智能型LED恒流源彻底打破了教科书里描述的线性恒流源效率很低的常规认识,而破天荒地实现了99%的效率。从而可以实现把恒流源和光源放在同一块铝基板上,而做成光电一体化的光引擎。因为它本身的功耗极低,所以把它放到光源的铝基板上不会增加LED的结温。深圳埃菲莱公司采用这种智能型恒流源已经生产了一系列不同功率的光引擎:

LED恒流源电路图


7、结束语

这种智能型的LED恒流源的效率高达99%,这等于是说实现了一种不耗电的恒流源。通常LED恒流源的效率为85-90%,也就是说采用这种智能型的恒流源以后就可以进一步节能10-15%。其意义是十分重大的!

中国的照明用电量为总用电量的14.5%,2014年总发电量为56496亿度电,即照明用电量为8191.9亿度电。采用埃菲莱的光引擎以后至少可以节约10%的能量,也就是819.2亿度电,而三峡发电站的年发电量为847亿度电,所以也就能够节约出一个三峡发电站来。而全球照明用电量占总用电量的19%,2014全球总发电量为238670亿度电,所以照明用电量为45350亿度电,采用埃菲莱的光引擎以后就可以节约4535亿度电,相当于5.5个三峡电站的发电量!

联系方式:邹先生

联系电话:0755-83888366-8022

手机:18123972950

QQ:2880195519

联系地址:深圳市福田区车公庙天安数码城天吉大厦CD座5C1

请搜微信公众号:“KIA半导体”或扫一扫下图“关注”官方微信公众号

请“关注”官方微信公众号:提供 ?MOS管 ?技术帮助

LED恒流源电路图

3000万彩票-追求健康,你我一起成长 乐发IV - welcome u284彩票- 欢迎您 实亿国际(中国区)官方网站 永兴集团yx06 5630彩票(中国区)官方网站 佰利乐·(中国区)有限公司官网 金彩汇 - welcome首页