实亿国际

实亿国际

国家高新企业

cn

新闻中心

实亿国际盘点8大经典电工电路原理图-电工千万别错过 值得收藏-KIA MOS管

信息来源:本站 日期:2019-01-07 

分享到:

电路图

电路图是指用电路元件符号表示电路连接的图。电路图是人们为研究、工程规划的需要,用物理电学标准化的符号绘制的一种表示各元器件组成及器件关系的原理布局图。由电路图可以得知组件间的工作原理,为分析性能、安装电子、电器产品提供规划方案。在设计电路中,工程师可从容在纸上或电脑上进行,确认完善后再进行实际安装。通过调试改进、修复错误、直至成功。采用电路仿真软件进行电路辅助设计、虚拟的电路实验,可提高工程师工作效率、节约学习时间,使实物图更直观。


电路图几大分类

1、原理图

又被叫做“电原理图”。这种图,由于它直接体现了电子电路的结构和工作原理,所以一般用在设计、分析电路中。分析电路时,通过识别图纸上所画的各种电路元件符号,以及它们之间的连接方式,就可以了解电路实际工作时的原理,原理图就是用来体现电子电路的工作原理的一种工具。


2、方框图

简称框图,方框图是一种用方框和连线来表示电路工作原理和构成概况的电路图。从根本上说,这也是一种原理图,不过在这种图纸中,除了方框和连线,几乎就没有别的符号了。它和上面的原理图主要的区别就在于原理图上详细地绘制了电路的全部的元器件和它们的连接方式,而方框图只是简单地将电路按照功能划分为几个部分,将每一个部分描绘成一个方框,在方框中加上简单的文字说明,在方框间用连线(有时用带箭头的连线)说明各个方框之间的关系。所以方框图只能用来体现电路的大致工作原理,而原理图除了详细地表明电路的工作原理之外,还可以用来作为采集元件、制作电路的依据。


3、装配图

它是为了进行电路装配而采用的一种图纸,图上的符号往往是电路元件的实物的外形图。我们只要照着图上画的样子,依样画葫芦地把一些电路元器件连接起来就能够完成电路的装配。这种电路图一般是供初学者使用的。 装配图根据装配模板的不同而各不一样,大多数作为电子产品的场合,用的都是下面要介绍的印刷线路板,所以印板图是装配图的主要形式。 在初学电子知识时,为了能早一点接触电子技术,我们选用了螺孔板作为基本的安装模板,因此安装图也就变成另一种模式。


4、印板图

印板图的全名是“印刷电路板图”或“印刷线路板图”,它和装配图其实属于同一类的电路图,都是供装配实际电路使用的。 印刷电路板是在一块绝缘板上先覆上一层金属箔,再将电路不需要的金属箔腐蚀掉,剩下的部分金属箔作为电路元器件之间的连接线,然后将电路中的元器件安装在这块绝缘板上,利用板上剩余的金属箔作为元器件之间导电的连线,完成电路的连接。


由于这种电路板的一面或两面覆的金属是铜皮,所以印刷电路板又叫“覆铜板”。印板图的元件分布往往和原理图中大不一样。这主要是因为,在印刷电路板的设计中,主要考虑所有元件的分布和连接是否合理,要考虑元件体积、散热、抗干扰、抗耦合等等诸多因素,综合这些因素设计出来的印刷电路板,从外观看很难和原理图完全一致;而实际上却能更好地实现电路的功能。 


随着科技发展,现在印刷线路板的制作技术已经有了很大的发展;除了单面板、双面板外,还有多面板,已经大量运用到日常生活、工业生产、国防建设、航天事业等许多领域。 在上面介绍的四种形式的电路图中,电原理图是最常用也是最重要的,能够看懂原理图,也就基本掌握了电路的原理,绘制方框图,设计装配图、印板图这都比较容易了。掌握了原理图,进行电器的维修、设计,也是十分方便的。因此,关键是掌握原理图。


8大电工电路原理图

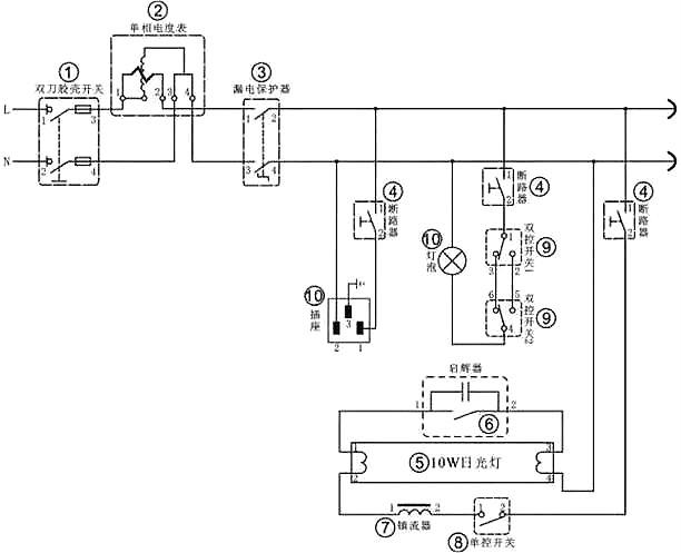
(一)电工电路原理图-日光灯照明与两控一灯一插座线路

原理图,电工电路

图1 日光灯照明与两控一灯一插座线路


里面包含②单相电表的接线,两个⑨和一个⑩是一灯双控的接线,⑤⑥⑦⑧为日光灯的接线。这个电路非常的实用,是家装照明控制的经典案列。


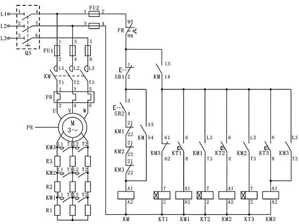
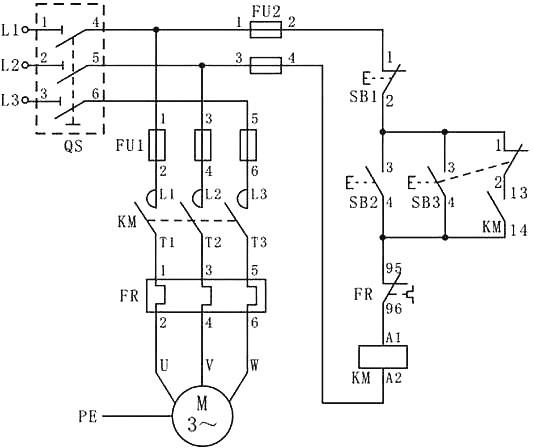
(二)电工电路原理图-线绕式异步电动机控制线路

原理图,电工电路

图2 线绕式异步电动机控制线路


转子绕组上串联电阻来改变电机的机械特性,从而实现小电流启动、增大启动转矩及调速的目的。利用了三个时间继电器和三个接触器相互配合,启动时,串入多级电阻然后分段切除。电机的转速会逐级提高,最后达到额定转速稳定运行。


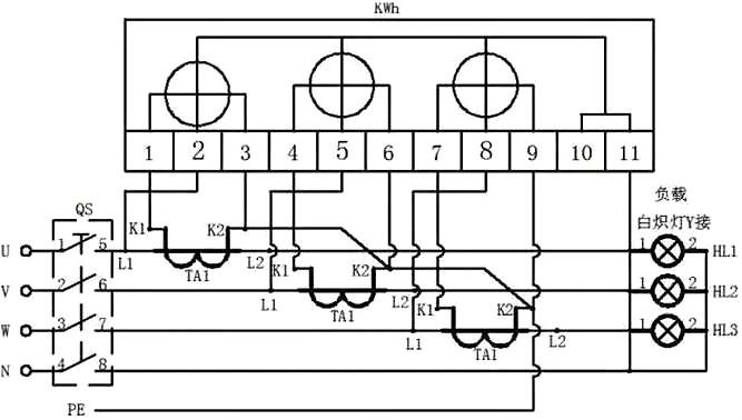
(三)电工电路原理图-三相四线电度表带互感器电路图

原理图,电工电路

图3 三相电表接线

三相四线电表的接线要点:1、4、7接互感器的K1,3、6、9接互感器的K2并连一起做接地保护,2、5、8接UVW三相电源,11为零线。


(四)电工电路原理图-星/三角降压起动控制线路

原理图,电工电路

图4 星三角启动


经典的星三角降压启动,虽然比不上软启动,但是应用还是很广的。一个主接触器,一个星接触器,一个角接触器。通过时间继电器,实现自动转换的目的。


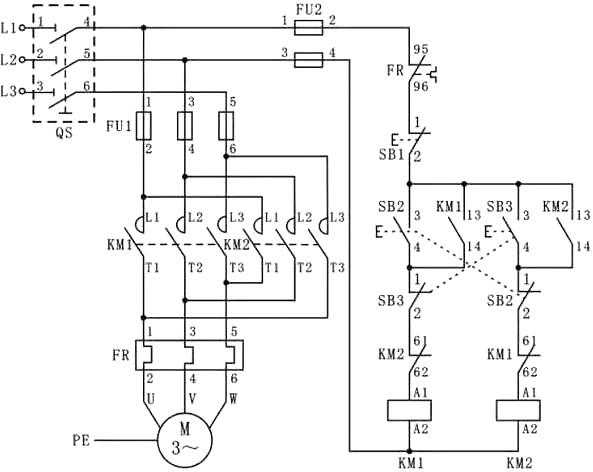
(五)电工电路原理图-双重联锁正、反转控制线路

原理图,电工电路

图5 正反转电路


电机的正反转电路相来应用广泛,双重互锁提高了电路的安全性。2个接触器组成的电气互锁和2个启动按钮组成的机械互锁。


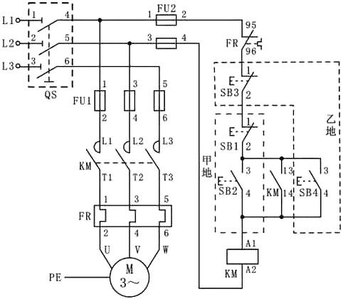
(六)电工电路原理图-电动机单向两地控制线路

原理图,电工电路

图6 异地控制


异地控制相对来说非常简单,要点就是:启动按钮并联,停止按钮串联。


(七)电工电路原理图-电动机点动、连动控制

原理图,电工电路

图7 点动加自锁


这个是基础电路,SB2按下去KM吸合自锁,SB3是点动按钮。


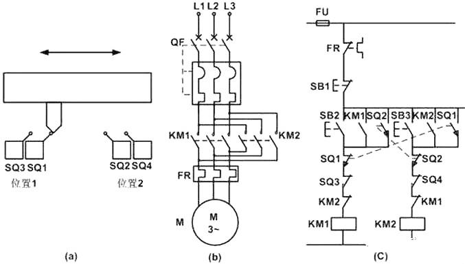
(八)电工电路原理图-自动往返控制电路

原理图,电工电路

图8 自动往返电路


自动往返电路和双重互锁电路其实是类似的,限位开关的触点和按钮开关的触点类似。所以两个行程开关机械互锁加两个接触器电气互锁。


电气接线图怎么看

如果是发电厂的主接线图,先看发电机,顺着往前看,到厂用。在看厂用负荷,在看厂用变。在看厂用变是明备用还是暗备用。厂用系统就看完了。接着看主变及线路连接方式。基本就看完了。


1、接线图中一般示出如下内容:电气设备和电器元件的相对位置、文字符号、端子号、导线号、导线类型、导线截面、屏蔽和导线绞合等。


2、所有的电气设备和电器元件都按其所在的实际位置绘制在图纸上,且同一电器的各元件根据其实际结构,使用与电路图相同的图形符号画在一起,并用点画线框上,其文字符号以及接线端子的编号应与电路图中的标注一致,以便对照检查接线。


3、接线图中的导线有单根导线、导线组(或线扎)、电缆等之分,可用连续线和中断线来表示。凡导线走向相同的可以合并,用线束来表示,到达接线端子板或电器元件的连接点时再分别画出。在用线束表示导线组、电缆等时可用加粗的线条表示,在不引起误解的情况下也可采用部分加粗。另外,导线及套管、穿线管的型号、根数和规格应标注清楚。接线图与实物相对照不难看懂。


电气接线图,是根据电气设备和电器元件的实际位置和安装情况绘制的,只用来表示电气设备和电器元件的位置、配线方式和接线方式,而不明显表示电气动作原理。主要用于安装接线、线路的检查维修和故障处理的指导。


联系方式:邹先生

联系电话:0755-83888366-8022

手机:18123972950

QQ:2880195519

联系地址:深圳市福田区车公庙天安数码城天吉大厦CD座5C1


请搜微信公众号:“KIA半导体”或扫一扫下图“关注”官方微信公众号

请“关注”官方微信公众号:提供 MOS管 技术帮助