实亿国际

实亿国际

国家高新企业

cn

新闻中心

mos管驱动电机电路图-电机驱动电路的作用及电路原理图分析-KIA MOS管

实亿国际信息来源:本站 日期:2018-11-13 

分享到:

mos管驱动电机电路图

mos管驱动电机电路图,工作频率和驱动信号的占空比不是很大,并且VMOS的功率规格也不是很大时,普通并不需求为VMOS配置特地的驱动电路。通用的CMOS半导体(互补金属氧化物品体管逻辑IC)、TTL(晶体管逻辑)集成电路、常见的PWM专用IC的输出级都能够直接驱动VMOS。这种驱动方式普通适用于驱动信号的产生及控制电路与VMOS构成的功率级电路共地的状况。

TTL集成电路的逻辑电平为5V,输出级通常由BJT(双极性晶体管)组成,信号普通从集电极输出,这就是常说的“集电极开路输出”,当然,输出级也有采用MOSFET的,这就是“开漏输出”。上述开路输出方式需求外部电路配置偏置电阻,以树立工作点,限定输出电流。

mos管驱动电机电路图

mos管驱动电机电路图的作用与电路原理图

电机驱动电路的作用

电机驱动电路的作用指通过控制电机的旋转角度和运转速度,以此来实现对占空比的控制,来达到对电机怠速控制的方式。

电机驱动电路原理图及电路控制方案

电机驱动电路既可通过继电器或功率晶体管驱动,也可利用可控硅或功率型MOS场效应管驱动。为了适应不同的控制要求(如电机的工作电流、电压,电机的调速,直流电机的正反转控制等),下面介绍几种电机驱动电路,以满足以上要求:

mos管驱动电机电路图

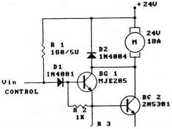
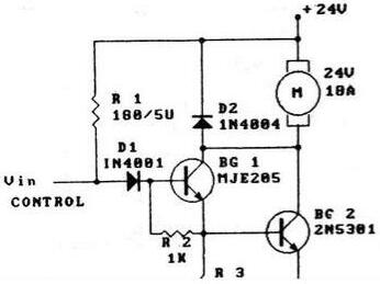
图1 

图1电路利用了达林顿晶体管扩大电机驱动电流,图示电路将BG1的5A扩流到达林顿复合管的30A,输入端可用低功率逻辑电平控制。上述电路采用的驱动方式属传统的单臂驱动,它只能使电机单向运转,双臂桥式推挽驱动可使控制更为灵活。

mos管驱动电机电路图

图2

图2为一款单端逻辑输入控制的桥式驱动电路,它控制电机正反转工作,这个电路的另一个特点是控制供电与电机驱动供电可以分开,因此它较好地适应了电机的电压要求。

mos管驱动电机电路图

图3

图3也为单端正负电平驱动桥式电路,它采用双组直流电源供电,该电路实际是两个反相单臂驱动电路的组合。图3也能控制电机的正反转。

mos管驱动电机电路图

图4

图4电路以达林顿管为基础驱动电机的正反转,它由完全对称的两部分组成。当A、B两输入端之一为髙电平,另一端为低电平时,电机正转或反转;当两输入端同为高或低电平时,电机停转;如采用脉宽调制,则可控制电机的转速,因此图4具有四种组合输入状态,电机却可以产生五种运行状态。这里箝位二极管D1、D2的加入具有重要的作用,它使达林顿管BG2,BG3不会产生失控,这在大功率下运转时更显安全。本电路的另一特点是输入控制逻辑电平的高低与电机的直流工 作电压无关,用TTL标准电平就能可靠地控制。

mos管驱动电机电路图

图5

与图4相比,图5的桥式驱动电路更为有趣,其一它是以低电平触发电机运转;其二控制端A、B具有触发锁定功能;其三具有多种保护,如D1、D2的触发锁定,D3—D6的功率管集电极保护等。因此本电路只有三种输入状态有效,电机仍有五种工作状态。D1 ,D2的作用是:若A为低电平时,BG1、BG2、BG5导通,BG2集电极的髙电平将通过D2封锁B端的输入,保证BG6截止,若本电路采用TTL电路触发,必须选用集电极开路门电路。

mos管驱动电机电路图

图6

因电机对供电稳定的要求并不高,图6的驱动电路不失为一种交流供电方案,交流电经全桥整流后,驱动并联使用的MOS场效应管Q1、Q2,R3、C1起滤波作用;续流二极管D用以防止高电压对Q1、Q2的破坏。

mos管驱动电机电路图

图7

图7利用可控硅的整流特性驱动直流电机,本电路仅适用于小功率电机调速,R2,C3的滤波网络可以吸收电机的反电动势保护SCR,C2与L组成的滤波器,能抑制电网干扰。

mos管驱动电机电路图

图8

用集成电路驱动电机的情况也较多,和一般的三端稳压器直接驱动不同,图8电路使电机可以获得从0V至7V的驱动电压,因而具有低压调速性能,IC1为 正输出的固定稳压器,IC2为可调负输出的四端稳压器,调节R1可以使电机获得零电压,由于IC2的散热片内部与输入端相连,因此IC1, IC2可用公共散热器,以适应低压工作。

mos管驱动电机电路图

图9

图9采用功率型运放驱动电机,属桥式驱动电路,控制信号从R1,R2,RP1, RP2组成的惠斯登电桥臂上得到,若RP2用于信号的检测,电机对RP1进行反馈跟踪调节,则可实现误差比例控制,这里LM378可提供最大达1A的驱动电流,本电路在伺服系统中具有广泛的应用。

联系方式:邹先生

联系电话:0755-83888366-8022

手机:18123972950

QQ:2880195519

联系地址:深圳市福田区车公庙天安数码城天吉大厦CD座5C1


请搜微信公众号:“KIA半导体”或扫一扫下图“关注”官方微信公众号

请“关注”官方微信公众号:提供 MOS管 技术帮助