电机正反转电路图 电机正反转电路工作原理及电路详解 KIA MOS管
实亿国际信息来源:本站 日期:2018-05-02
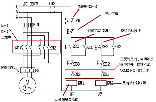
电动机正反转,看似只是一张简单的电路图,但其实里面包含了多种电工常用知识。因此这张图常常当作电工入门教学之用,或者说,此图是许多电工的启蒙教材。七彩教育方老师也在电气工程师班的二次线路里会现场直播接线讲解这一块的内容!
此图直接拿来使用的情况也很多,比如起重机、卷扬机、车床、电梯等。凡是需要做往返动作的机器,几乎都需要用到正反转。科技发展到今天,很多机械实现了自动化,如数控车床等,都是使用plc控制,但需要知道,PLC在编程过程中,程序员必须清楚其机械控制原理,才能在编程时通过控制电路通断来实现控制功能。有机会我们会向大家分享控制电动机正反转的PLC控制程序,但在学习PLC之前,学习其机械原理是绝对必须的。
电动机正反转控制原理图中,涉及到的知识点有:1.电动机转动方向变换原因;2.电路保护装置;3.按钮和接触器的元件原理;4.自锁与互锁;5.机械互锁的用处。
常开触点: 不按或线圈不通电时断开 ,按下或线圈通电时闭合;
常闭触点: 不按或线圈不通电时闭合. 按下或线圈通电时断开;
第一个问题看图纸;
第二个问题,KM1、KM2由辅助触点互锁只能有一个工作。
第三个问题看常开、常闭触点的差别;
SB2,SB3分别是正反转启动按钮都用了一个常开,一个常闭。
联系方式:邹先生
联系电话:0755-83888366-8022
手机:18123972950
QQ:2880195519
联系地址:深圳市福田区车公庙天安数码城天吉大厦CD座5C1
请搜微信公众号:“KIA半导体”或扫一扫下图“关注”官方微信公众号
请“关注”官方微信公众号:提供 MOS管 技术帮助
