实亿国际

实亿国际

国家高新企业

cn

新闻中心

电动推杆-电动推杆电机控制电路设计原理-如何控制它的速度变化-KIA MOS管

信息来源:本站 日期:2019-03-11 

分享到:

电动推杆电机控制电路

电动推杆概述

在了解电动推杆电机控制电路之前,我们来看看电动推杆的一些基本知识。电动推杆是一种将电动机的旋转运动转变为推杆的直线往复运动的电力驱动装置。可用于各种简单或复杂的工艺流程中做为执行机械使用,以实现远距离控制、集中控制或自动控制。

多用于家用电器、厨具、医疗器械、汽车等行业的运动驱动单元。


电动推杆工作原理

电动机经齿轮或蜗轮蜗杆减速后,带动一对丝杆螺母。把电机的旋转运动变成直线运动,利用电动机正反转完成推杆动作。如通过各种杠杆、摇杆或连杆等机构可完成转动、摇动等复杂动作。通过改变杠杆力臂长度,可以增大或减小行程。行程控制装置


蜗轮蜗杆传动形式:电机齿轮上的蜗杆带动蜗轮转动,使蜗轮内的小丝杆作轴向移动,由连接板带动限位杆相应作轴向移动,至所需行程时,通过调节限位块压下行程开关断电,电动机停止运转(正反控制相同)。


齿轮传动形式:电机通过减速齿轮后带动安装于内管的小丝杆,带动与之连接一起的做轴向运行螺母,至所设定的行程时螺母触角压住限位开关断开电源,电机停止运动(反向与之相同)。


电动推杆电机控制电路详解

电动推杆是一种位移执行机构,也是一种 位置控制机构。工作时,通过对推杆行程的控制,使其按一定的位移速度和方向实现风门的开启和闭合动作 (又称风门电机);在推杆行程极限处,要求停机并保持 位置;在推杆行程中发出行程的位置信号,再与主控中心协调,以控制门的开关走向,从而达到调控局部单元系统温度的目的。要求电动推杆既能提供一定的负载能力,又能满足要求的位移速度。


目前国内有些单位正在研究,但在精度和自锁性方面不能满足用户需求。国外也有类似产品,其负载能力可达150KG,电机具备反向传动自锁性,但是结构较复杂,制作工艺有难度,代价较高昂。为此,参考国外样机自行设计研制了具有高精度、低成本,满足负荷和功能要求的新型电动推杆:采用先进的控制方法,结构上解决自锁功能,选用国产电机和电子器件,实现自主加工满足用户需求,具有很高的实用价值。

电动推杆电机控制电路

电动推杆外形结构图


电动推杆电机控制电路-结构

电动推杆的结构分为控制装置、驱动电机、传动机 构、发讯、限位装置。根据国产电机情况,从机械方面弥补电机功能的不足。传动机构保证运动的自锁性,以满足推杆带负载停机定位的需要。发讯装置采用先进的电子技术,设置位置传感器,获得无磨损、高寿命、低功耗。电动推杆的运动行程可以随意调整。根据用户要求及实际需要,将调整范围设计为:零位0~8mm;中位 ±5mm,最大位移50~80mm。


在发讯和限位装置中,调整传感器的位置可以改变机构的运动行程。按用户要求,推杆主体为圆柱体,径向尺寸较小、 轴向尺寸大,工作时轴向伸缩获得运动位移,负荷沿轴向。因此,中间传动采用行星齿轮减速机构,径向尺寸小、传动效率高;末端输出采用梯形螺纹机构,将圆周运动转化为直线运动,获得较大的轴向力、较高的传动效率;并保证机构的自锁性。


电动推杆电机控制电路原理

原风门电动机构控制电动推杆原理见图2。按用户要求和实 际需要所设计的方案电动推杆原理简述如下。

(1)关闭风门:关闭风门信号输入时,电机通电,带动机械推杆运动,机构做关门动作。当推杆退回到零位即关门到位时,K1断开(打至下端),电机断电停转,关门到位指示灯亮。


(2)开启风门:开启风门信号输入时,电机通电,带动机 械推杆运动,机构做开门动作。当推杆伸到行程最大处即开门到位时,K2断开(打至下端),电机断电停转,开门到位指示灯亮。


(3)中间位置控制:推杆运动至中间位置时,中间位置指示灯亮。若无外控信号,推杆继续前行,中间位置指示灯灭。若有外控信号,则K3断开(打至下端),电机断电停转,中间位置指示灯保持亮。

电动推杆电机控制电路

原风门电动推杆原理图


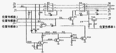
据此,电路设计方案如下图。名词及符号说明:关闭

电动推杆电机控制电路

电动推杆控制电路图


风门———表示机电机构活动臂向收缩方向移动,此时电机反转。开启风门———表示机电机构活动臂向伸长方向移动,此时电机正转。电源为27V,电流最大不超过2.5A。图中J1、J3、J5分别表示接反转,正转,中间位停止时的27V电源电压,J2、J4、J7分别表示到达相应位置时指示灯的27V电源电压。J9对应用户端接地。MOTOR代表电机,+, -号代表其正转,反转。3结论 试验结果如图4。试 验证明,该产品在最大电流不大于2.5A的情况下,负载可达150kg,行 程为(0~80)±1.5mm。

电动推杆电机控制电路


如何控制电动推杆电机控制电路的变化

电动推杆电机控制电路最大速度和最小速度

电动推杆电机控制电路


电动推杆的速度变化范围依据推杆型号不同而有所变化,我们的产品目录包含了每个推杆的数据列表,其中还有速度和负载关系的曲线图。


在一定范围内,负载固定的情况下,我们可以通过降低推杆的输入电压来降低推杆的运行速度,如果输入电压减少达到极限值,将会限制电流到达推杆从而导致推杆停止工作。大部分推杆都会在额定输入电压的+/-10%范围内运行。


PWM与速度

电动推杆电机控制电路

脉冲宽度调整简称PWM,通常用于控制速度。 带有PCB的执行器,通常不允许使用PWM,因为它会损坏电路板上的元件。


交流电动推杆速度

电动推杆电机控制电路

一般电动推杆使用单速电机,在通电时输出恒定的扭矩。 由该扭矩产生的线速度将根据所施加的负载而有所变化。

大多数情况下,还包含一个详细说明速度与负载关系的图表。


然而,对于交流执行器速度的控制,最好是选择Thomson精密直线执行器(电缸)系列。 PC系列和T系列执行器(电缸)是不带电机的。 您可以根据您个人的应用要求选择对应的电机,包括速度控制。或者,您可以选择ECT系列,ECT是带有各种交流伺服驱动系统和三相交流电机的精密直线执行器,它能够实现速度控制。


电动推杆电子元器件-MOS管厂家

电动推杆电机控制电路中会用到很多电子元器件,现在很多电子产品采用先进的控制方法,结构上解决自锁功能,基本选用国产电机和电子器件,实现自主加工满足用户需求,具有很高的实用价值。


KIA半导体是一家专业从事中、大、功率场效应管(MOSFET)、快速恢复二极管、三端稳压管开发设计,集研发、生产和销售为一体的国家高新技术企业。

电动推杆电机控制电路


已经拥有了独立的研发中心,研发人员以来自韩国(台湾)超一流团队,可以快速根据客户应用领域的个性来设计方案,同时引进多台国外先进设备,业务含括功率器件的直流参数检测、雪崩能量检测、可靠性实验、系统分析、失效分析等领域。


强大的研发平台,使得KIA在工艺制造、产品设计方面拥有知识产权35项,并掌握多项场效应管核心制造技术。自主研发已经成为了企业的核心竞争力。

电动推杆电机控制电路


从设计研发到制造再到仓储物流,KIA半导体真正实现了一体化的服务链,真正做到了服务细节全到位的品牌内涵,我们致力于成为场效应管(MOSFET)功率器件领域的领跑者,为了这个目标,KIA半导体正在持续创新,永不止步!


联系方式:邹先生

联系电话:0755-83888366-8022

手机:18123972950

QQ:2880195519

联系地址:深圳市福田区车公庙天安数码城天吉大厦CD座5C1


请搜微信公众号:“KIA半导体”或扫一扫下图“关注”官方微信公众号

请“关注”官方微信公众号:提供 MOS管 技术帮助