实亿国际

实亿国际

国家高新企业

cn

新闻中心

实亿国际电机驱动原理与电路分析-电机驱动电路设计与发展现状-KIA MOS管

实亿国际信息来源:本站 日期:2019-08-29 

分享到:

电机驱动原理与电路分析-电机驱动电路设计与发展现状

电机驱动简介

电机驱动Motor drive是组装在胶片式照相机内的微型电机或弹簧及其附件的总称,借助微型电机自动地卷取胶片,大多是指35毫米单镜头反光相机所用的。


拍一片格和连拍可以交替,连拍时一般一秒钟拍3—5片格。视照相机的种类,将背部盖子换为长胶卷用片盒,即可拍250片格。除供利用软线的遥控摄影外,亦可借连接到定时器上的间隔控拍器自动地拍摄,或靠控制快门等,应用面较广。倘不需连拍时,使用自动卷片器亦可。


电机驱动的发展现状

电机驱动的发展现状如下:


(1)交流异步电机驱动系统我国已建立了具有自主知识产权异步电机驱动系统的开发平台,形成了小批量生产的开发、制造、试验及服务体系;产品性能基本满足整车需求,大功率异步电机系统已广泛应用于各类电动客车;通过示范运行和小规模市场化应用,产品可靠性得到了初步验证。


(2)开关磁阻电机驱动系统已形成优化设计和自主研发能力,通过合理设计电机结构、改进控制技术,产品性能基本满足整车需求;部分公司已具备年产2000套的生产能力,能满足小批量配套需求,目前部分产品已配套整车示范运行,效果良好。


(3)无刷直流电机驱动系统国内企业通过合理设计及改进控制技术,有效提高了无刷直流电机产品性能,基本满足电动汽车需求;已初步具有机电一体化设计能力。


(4)永磁同步电机驱动系统已形成了一定的研发和生产能力,开发了不同系列产品,可应用于各类电动汽车;产品部分技术指标接近国际先进水平,但总体水平与国外仍有一定差距;基本具备永磁同步电机集成化设计能力;多数公司仍处于小规模试制生产,少数公司已投资建立车用驱动电机系统专用生产线。


电机驱动原理与电路分析
电机驱动电路原理

电机驱动电路原理如下图:


电机驱动


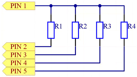
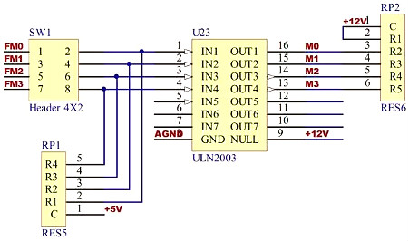
上图中Header 4X2为4排2列插针,FM0~3为FPGA芯片I/O输出口,加入的插针给予一个可动的机制,在需要使用时才用跳线帽进行相连,提高I/O口的使用效率。RES5是五端口排阻,内部集成了4个等阻值且一端公共连接的电阻,PIN 1是公共端,PIN2~5为排阻的输出端,排阻原理图,如下图所示:


电机驱动


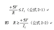
该排阻公共端接电源,即上拉电阻形式,作用是增强FPGA芯片I/O口(以下简称I/O口)的驱动能力,实际上就是增加I/O输出高电平时输出电流的大小。当I/O输出高电平时,+5V电源经排阻与IN1~4相连,相当于为I/O提供一个额外的电流输出源,从而提高驱动能力。当I/O输出低电平时,可将I/O近似看做接地,而IN1~4因与I/O由导线直接相连,因此直接接受了I/O的低电平输出信号。此时,+5V电源经排阻R、I/O内部电路(电阻近似为零)后接地,因此该路的电流不能大于I/O的拉电流(Ii)最大值,如下公式:


电机驱动


由公式2-2可以得出排阻的取值范围。


该上拉电阻除了提高驱动能力外,还有一个作用,就是进行电平转换。经查,ULN2003的接口逻辑为:5V-TTL, 5V-CMOS逻辑。而在3.3V供电的情况下,I/O口可以提供3.3V-LVTTL,3.3V-LVCMOS,3.3V-PCI和SSTL-3接口逻辑电平。因此,需要外接5V的上拉电阻将I/O电平规格变成5V电平逻辑。


芯片ULN2003内部集成7组达林顿管,专门用于提高驱动电流,芯片引脚间逻辑如下图所示:


电机驱动


于I/O电流远远不足以驱动电机,因此需要外接该芯片驱动电机,ULN2003内部集成的达林顿管电路如下图所示。达林顿管的形式具有将弱点信号转化成强电信号的特点,I/O电平逻辑从PIN IN输入,通过达林顿管控制PIN 9(COMMON)端输入的强电信号按照I/O信号规律变化。值得注意的是:ULN2003输出逻辑将与输入逻辑相反,编程时应该注意该特点。


RES6是六端口排阻,内部集成了5个等阻值且一端公共连接的电阻,PIN 1是公共端,PIN2~6为排阻的输出端,原理图与接法说明可参考上述图2-2,排阻取值范围计算参见公式2-2,此处不再赘述。值得注意的是:RES6的PIN 1与PIN 2相连,是因为多出了一个不使用的电阻,为了避免PIN 2悬空,因此将PIN 2与PIN 1(公共端)相连,即PIN 2对应的电阻被短路,从而既避免的悬空的引脚,又能使该电阻失效。


电机驱动


(一)电机驱动电路分析-电机指示灯电路原理

电机指示灯电路如下图所示:


电机驱动


电机部分指示灯用于指示各路信号的逻辑电平状态,其中R106~109为限流电阻,防止发光二极管因电流过大烧毁。值得注意的是:该指示灯的发光二极管接成共阳极,由M0~3信号端口产生低电平点亮对应的二极管,而ULN2003的OUT与IN逻辑电平相反,因此对于I/O口FM0~3来说,输出高电平就能点亮对应的发光二极管,例如:FM0输出高电平,则对应LD17点亮,编程时应注意此电路将I/O实际逻辑反相了两次,对应关系为I/O口输出哪路高电平则对应点亮哪路指示灯。


(二)电机驱动电路分析-时钟电路原理

时钟电路如下图所示:


电机驱动


采用50Mhz有源晶振产生时钟信号,接法采用有源晶振的典型接法:PIN 1悬空,PIN 2接地,PIN 3输出时钟信号,PIN 4接电源。由于FPGA的I/O供电为3.3V,而时钟电路产生的时钟信号要由I/O口接收,因此时钟信号最大值不能超过3.3V,故时钟电路电源采用3.3V供电。


(三)电机驱动电路分析-FPGA部分电路原理

FPGA部分电路原理图如下图所示:


电机驱动


Header 18X2为18排2列排阵,两组排阵分别与PIN口、3.3V电源、数字地相连,提供了可动的机制,使得PIN口可根据需要用排线与目标相连,打到信号传输的目的。而3.3V电源以及数字地针口则可以根据需要,用排线为目标提供逻辑高电平或逻辑低电平。

U21D为FPGA芯片的时钟信号接收部分,通过网络标号“CLK0~3”与对应的时钟信号端口相连。


U21C为FPGA芯片的供电及接地部分,含有“GND”字样的是“地”端口,与数字地相连,VCCIO1~4为I/O口供电端口,采用3.3V电源供电,通过网络标号“+3.3V”与3.3V电源端口相连。VCCA_PLL1、VCCA_PLL2、VCCINT为内部运算器和输入缓冲区的供电端口,采用1.5V电源供电,通过网络标号“+1.5V”与1.5V电源端口相连。


电机驱动电路设计

常见的电机驱动有两种方式:1、采用集成电机驱动芯片。 2、采用MOSFET和专用栅极驱动芯片。下面一一详细解析。


1、采用集成电机驱动芯片

通过电机驱动模块控制驱动电机两端电压来对电机进行制动,我们可以采用飞思卡尔半导体公司的集成桥式驱动芯片 MC33886。MC33886 最大驱动电流为 5A,导通电阻为 140 毫欧姆,PWM 频率小于 10KHz,具有短路保护、欠压保护、过温保护等功能。体积小巧,使用简单,但由于是贴片的封装,散热面积比较小,长时间大电流工作时,温升较高,如果长时间工作必须外加散热器,而且 MC33886的工作内阻比较大,又有高温保护回路,使用不方便。


电机驱动


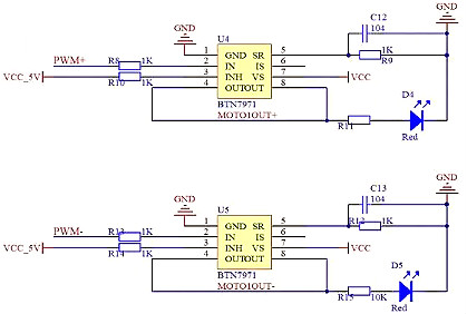
下面,着重介绍我们在平时设计驱动电路时最常用的驱动电路。我们普遍使用的是英飞凌公司的半桥驱动芯片 BTS7960 搭成全桥驱动。其驱动电流约 43A,而其升级产品 BTS7970 驱动电流能够达到 70 几安培!而且也有其可替代产品 BTN7970,它的驱动电流最大也能达七十几安!


其内部结构基本相同如下:


电机驱动


每片芯片的内部有两个 MOS 管,当 IN 输入高电平时上边的 MOS 管导通,常称为高边 MOS 管,当 IN 输入低电平时,下边的 MOS 管导通,常称为低边 MOS管;当 INH 为高电平时使能整个芯片,芯片工作;当 INH 为低电平时,芯片不工作。

其典型运用电路图如下图所示:


电机驱动


INH一般使用时,我们直接接高电平,使整个电路始终处于工作状态。


下面就是怎么样用该电路使得电机正反转?假如当PWM1端输入PWM波,PWM2端置0,电机正转;那么当 PWM1端为0,PWM2端输入PWM 波时电机将反转!使用此方法需要两路PWM信号来控制一个电机!其实可以只用一路 PWM 接 PWM1 端,另外 PWM2 端可以接在 IO 端口上,用于控制方向!假如 PWM2=0,PWM1 输入信号时电机正转;那么当 PWM2=1是,PWM1 输入信号电机反转(必须注意:此时PWM信号输入的是其对应的负占空比)!


以上的电路,对于普通功率的底盘,其驱动电流已经能够满足,但是对于更大功率的底盘,可能有点吃力。尤其是当我们加的底盘在不停的加减速时,这就需要电机不停的正反转,此时的电流很大,还用以上的驱动电路,芯片会很烫!!这个时候就需要我们自己用 MOSFET 和栅极驱动芯片自己设计H桥!


2、采用MOSFET和专用栅极驱动芯片

大功率 MOS 管组成电机驱动电路,用这个方法电路非常简单,控制只需要一路PWM,在管子上消耗的电能也比较少,可以有效地避免多片MC33886 并联时由于芯片分散性导致的驱动芯片某些片发热某些不发热的现象。但是缺点是不能控制电机的电流方向,在小车的刹车的性能的提升上明显有弱势,而且电流允许值也比较小。


当我们按照下图接线时,也就是两路PWM输入组成H桥,则可以通过控制PWM1和PWM2的相对大小控制电流的方向,从而控制电机的转向。


电机驱动


这里给大家介绍的是 IR 公司的 IR2104,因为 IR 公司号称功率半导体领袖,当然 2104 也相对比较便宜!IR2104 可以驱动可以驱动高端和低端两个 N 沟道MOSFET,能提供较大的栅极驱动电流使用两片 IR2104 型半桥驱动芯片可以组成完整的直流电机 H 桥式驱动电路。但是需要 12V 驱动!


联系方式:邹先生

联系电话:0755-83888366-8022

手机:18123972950

QQ:2880195519

联系地址:深圳市福田区车公庙天安数码城天吉大厦CD座5C1


请搜微信公众号:“KIA半导体”或扫一扫下图“关注”官方微信公众号

请“关注”官方微信公众号:提供 MOS管 技术帮助