详解常见三种电动车充电器电路图及结构和工作原理 KIA MOS管
信息来源:本站 日期:2018-04-24
充电器是电动自行车的附件,是给蓄电池补充电能的装置。它可以满足电动自行车用电的需要,并对蓄电池产生保护,有效的延长蓄电池的使用寿命。
电动自行车的充电器一般采用开关电源充电器,分为二阶段充电模式和三阶段充电模式两种。
二阶段充电模式即恒压充电,它是将充电过程分为恒流、恒压两个充电阶段,充电电流随蓄电池电压上升而逐渐减少。当蓄电池电量上升到一定程度时,再转为恒压充电,使蓄电池内的电压缓慢上升,当蓄电池的电压达到充电器的充电终止电压(不同的充电方式,电压不一样,多段式充电方式的终止电压一般为41.4V,恒压式充电方式一般为43.8~44.4V)时,再转为涓流充电,即浮充,这样可以有效的保护蓄电池,延长蓄电池的使用寿命。电动车普遍采用三阶段式充电。
电动自行车充电器是从电动自行车中独立出来的。充电器是给蓄电池补充电能的装置。充电器的好坏对蓄电池的使用寿命及电动自行车的正常行驶有着直接的影响。电动自行车使用的蓄电池有多种类型,各种类型的充电方式不尽相同,但工作原理大同小异。
充电器充电就是在蓄电池放电后,按与放电电流相反的方向用直流电通过蓄电池,使电能在蓄电池内转化为化学能储存起来,恢复其工作能力,这个过程叫做蓄电池充电。蓄电池的充电方式有恒流充电和恒压充电两种方式。蓄电池的充电电压必须高于蓄电池的总电动势。其充电方法是:将蓄电池负极与电源负极相连,蓄电池正极与电源正极相连。
充电器主要由塑料外壳、输出插头、输入插头等组成。充电器上有指示灯,同时作为电源指示和充电指示使用,使用时先插上充电的输出插头,再插上输入插头即可进行充电。蓄电池的充电并不是随意接上电源就能充的,如交流电不变成直流电不能充,电压和电流的大小不适当不能充,不能过充电等,这些都需要充电器来完成。
充电器的结构形式有两种:一种是变压器式普通充电器,另一种是开关电源式充电器,两种充电器各具有不同的特点。目前的电动自行车一般采用开关电源式充电器,其内部主要由开关变压器、晶体管、控制集成电路等构成。采用开关电源技术的充电器,其适用范围广,既适合铅酸蓄电池充电,又适合锂蓄电池充电,且具有输入电压范围宽(交流100~240V)、输出过电压保护、只能防反接、可长时间短路、采用智能三段式充电等特点。
第一种:下图为充电器的电路原理图,主要由整流滤波、高压开关、电压变换、恒流、恒压及充电控制等几部分组成。其基本原理是充电器将输入的220V市电电压经整流滤波后转变为直流300V左右的电压,通过开关管的接通和关断,使300V直流电压变成受控制的交流电压,交流电压通过开关变压器耦合后在其二次侧产生低压交流电,低压交流电再通过二极管整流后输出直流充电电压。
开关管受电源厚模块的控制,4N35光耦合器将二次电压波动信号反馈给电源厚模块,从而达到稳定输出电压的目的。使用开关电源作为充电器的好处是能有效的根据负载的大小控制输出,保护负载并节约能源。
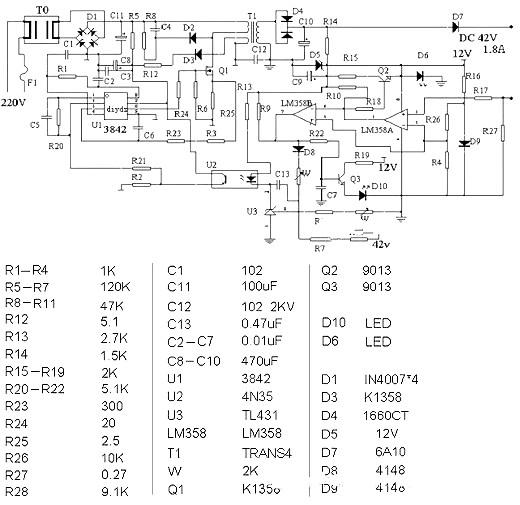
第二种:图1:以3842驱动场效应管的单管开关电源,配合358双运放来实现三阶段充电方式。其电原理图和元件参数见 图表2
图表2
工作原理:220v交流电经T0双向滤波抑制干扰,D1整流为脉动直流,再经C11滤波形成稳定的300V左右的直流电。U1 为3842脉宽调制集成电路。其5脚为电源负极,7脚为电源正极,6脚为脉冲输出直接驱动场效应管Q1(K1358) 3脚为最大电流限制,调整R25(2.5欧姆)的阻值可以调整充电器的最大电流。2脚为电压反馈,可以调节充电器的输出电压。4脚外接振荡电阻R1,和振荡电容C1。T1为高频脉冲变压器,其作用有三个。
第一是把高压脉冲将压为低压脉冲。
第二是起到隔离高压的作用,以防触电。
第三是为uc3842提供工作电源。
D4为高频整流管(16A60V)C10为低压滤波电容,D5为12V稳压二极管, U3(431)为精密基准电压源,配合U2(光耦合器4N35) 起到自动调节充电器电压的作用。调整w2(微调电阻)可以细调充电器的电压。D10是电源指示灯。D6为充电指示灯。 R27是电流取样电阻(0.1欧姆,5w)改变W1的阻值可以调整充电器转浮充的拐点电流(200-300 mA)通电开始时,C11上有300v左右电压。此电压一路经T1加载到Q1。第二路经R5,C8,C3, 达到U1的第7脚。强迫U1启动。U1的6脚输出方波脉冲,Q1工作,电流经R25到地。同时T1副线圈产生感应电压,经D3,R12给U1提供可靠电源。T1输出线圈的电压经D4,C10整流滤波得到稳定的电压。此电压一路经D7(D7起到防止电池的电流倒灌给充电器的作用)给电池充电。第二路经R14,D5,C9, 为LM358(双运算放大器,1脚为电源地,8脚为电源正)及其外围电路提供12V工作电源。D9为LM358提供基准电压,经R26,R4分压达到LM358的第二脚和第5脚。正常充电时,R27上端有0.15-0.18V左右电压,此电压经R17加到LM358第三脚,从1脚送出高电压。此电压一路经R18,强迫Q2导通,D6(红灯)点亮,第二路注入LM358的6脚,7脚输出低电压,迫使Q3关断,D10(绿灯)熄灭,充电器进入恒流充电阶段。当电池电压上升到44.2V左右时,充电器进入恒压充电阶段,输出电压维持在44.2V左右,充电器进入恒压充电阶段,电流逐渐减小。当充电电流减小到200mA—300mA时,R27上端的电压下降,LM358的3脚电压低于2脚,1脚输出低电压,Q2关断,D6熄灭。同时7脚输出高电压,此电压一路使Q3导通,D10点亮。另一路经D8,W1到达反馈电路,使电压降低。充电器进入涓流充电阶段。1-2小时后充电结束。
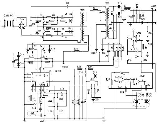
第三种:充电器的控制芯片一般是以TL494为核心,推动2只13007高压三极管。配合324(4运算放大器),实现三阶段充电。见图表4
220V交流电经D1-D4整流,C5滤波得到300V左右直流电。此电压给C4充电,经TF1高压绕组,TF2主绕组,V2等形成启动电流。TF2反馈绕组产生感应电压,使V1,V2轮流导通。因此在TF1低压供电绕组产生电压,经D9,D10整流,C8滤波,给TL494,LM324,V3,V4等供电。此时输出电压较低。TL494启动后其8脚,11脚轮流输出脉冲,推动V3,V4,经TF2反馈绕组激励V1,V2。使V1,V2,由自激状态转入受控状态。TF2输出绕组电压上升,此电压经R29,R26,R27分压后反馈给TL494的1脚(电压反馈)使输出电压稳定在41.2V上。R30是电流取样电阻,充电时R30产生压降。此电压经R11,R12反馈给TL494的15脚(电流反馈)使充电电流恒定在1.8A左右。另外充电电流在D20上产生压降,经R42到达LM324的3脚。使2脚输出高电压点亮充电灯,同时7脚输出低电压,浮充灯熄灭。充电器进入恒流充电阶段。而且7脚低电压拉低D19阳极的电压。使TL494的1脚电压降低,这将导致充电器最高输出电压达到44.8V。当电池电压上升至44.8V时,进入恒压阶段。当充电电流降低到0.3A—0.4A时LM324的3脚电压降低,1脚输出低电压,充电灯熄灭。同时7脚输出高电压,浮充灯点亮。而且7脚高电压抬高D19阳极的电压。使TL494的1脚电压上升,这将导致充电器输出电压降低到41.2V上。充电器进入浮充。
1:高压故障
高压故障的主要现象是指示灯不亮,其特征有保险丝熔断,整流二极管D1击穿,电容C11鼓包或炸裂。Q1击穿,R25开路。U1的7脚对地短路。R5开路,U1无启动电压。更换以上元件即可修复。若U1的7脚有11V以上电压,8脚有5V电压,说明U1基本正常。应重点检测Q1和T1的引脚是否有虚焊。若连续击穿Q1,且Q1不发烫,一般是D2,C4失效,若是Q1击穿且发烫,一般是低压部分有漏电或短路,过大或UC3842的6脚输出脉冲波形不正常,Q1的开关损耗和发热量大增,导致Q1过热烧毁。高压故障的其他现象有指示灯闪烁,输出电压偏低且不稳定,一般是T1的引脚有虚焊,或者D3,R12开路,TL3842及其外围电路无工作电源。另有一种罕见的高压故障是输出电压偏高到120V以上,一般是U2失效,R13开路所致或U3击穿使U1的2脚电压拉低,6脚送出超宽脉冲。此时不能长时间通电,否则将严重烧毁低压电路。
2:低压故障
低压故障大部分是充电器与电池正负极接反,导致R27烧断,LM358击穿。其现象是红灯一直亮,绿灯不亮,输出电压低,或者输出电压接近0V,更换以上元件即可修复。另外W2因抖动,输出电压漂移,若输出电压偏高,电池会过充,严重失水,发烫,最终导致热失控,充爆电池。若输出电压偏低,会导致电池欠充。
3:高压、低压均有故障
高低压电路均有故障时,通电前应首先全面检测所有的二极管,三极管,光耦合器4N35,场效应管,电解电容,集成电路,R25,R5,R12,R27,尤其是D4(16A60V,快恢复二极管),C10(63V,470UF)。避免盲目通电使故障范围进一步扩大。有一部分充电器输出端具有防反接,防短路等特殊功能。其实就是输出端多加一个继电器,在反接,短路的情况下继电器不工作,充电器无电压输出。还有一部分充电器也具有防反接,防短路的功能,其原理与前面介绍的不同,其低压电路的启动电压由被充电池提供,且接有一个二极管(防反接)。待电源正常启动后,就由充电器提供低压工作电源。
联系方式:邹先生
联系电话:0755-83888366-8022
手机:18123972950
QQ:2880195519
联系地址:深圳市福田区车公庙天安数码城天吉大厦CD座5C1
请搜微信公众号:“KIA半导体”或扫一扫下图“关注”官方微信公众号
请“关注”官方微信公众号:提供 MOS管 技术帮助
