实亿国际

实亿国际

国家高新企业

cn

新闻中心

实亿国际mos恒流电路-mos恒流电路在电源中的应用与LED恒流驱动电路图-KIA MOS管

信息来源:本站 日期:2018-12-19 

分享到:

mos恒流电路

mos恒流电路,由信号源和电压控制电流源(VCCS)两部分组成。正弦信号源采用直接数字频率合成(DDS)技术,即以一定频率连续从EPROM中读取正弦采样数据,经D/A转换并滤波后产生EIT所需的正弦信号。本系统采用DDS集成芯片AD9830,其内部有两个12位相位寄存器和两个32位频率寄存器。在单片机的控制下对相应的寄存器置数就可以方便得到2MHz以下的任意频率和相位的输出,其中频率精度为1/ 2 32,相位分辨率为2π/2 12,输出幅度也可以在一定的范围内调节,因此能满足系统多频激励(10kHz~1MHz)的要求。


mos恒流电路基本概念

mos恒流电路(电流反射镜电路)

恒流源是输出电流保持恒定的电流源,而理想的恒流源应该具有以下特点:

a)不因负载(输出电压)变化而改变;

b)不因环境温度变化而改变;

c)内阻为无限大(以使其电流可以全部流出到外面);

能够提供恒定电流的电路即为恒流源电路,又称为电流反射镜电路。


mos恒流电路在电源中的应用

由于市场需求,电源模块越来越追求宽电压输入,宽电压输入就会导致供电电流随输入电压变化而变化,为了高电压和低电压输入的情况下,都能获得恒定的供电电流,在输入端加一个恒流电路,以获得性能的一致性。


理想的恒流源

理想的恒流源是电流不随输入电压的变化而变化,不受环境温度的影响,内阻无穷大。但是,实际中的恒流电路跟理想的还是存在差距,所以要根据实际应用选取合适的恒流源电路。


几种简单的恒流源介绍

由两个三极管组成的恒流源电路,如电路图1

mos恒流电路

由两个同型号的三极管,根据三极管Vbe电压相对稳定,以及三极管的基极电流相对集电极电流较小的特点,组成一个电流相对恒定的恒流源,电流Io=Vbe/R1;这个恒流源没有用到特殊器件,两个三极管和两个电阻组成,成本低,电流Io可调;缺点是Vbe的大小会随电流及温度的变化而变化,电流大Vbe大,温度低Vbe大,所以不适合用在精度要求高的地方。

由稳压管组成的恒流源电路,如电路图2

mos恒流电路

此恒流电路主要是运用了稳压二极管上的电压较稳定特性,以及三极管Vbe的稳定性,组成的恒流电路,Io=(Vd-Vbe)/R3;此电路优点是成本低,电流可调,缺点是温度特性差,稳流精度不高,适用于对精度要求不高的场合。

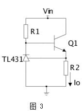
由TL431组成的恒流源,如电路图3

mos恒流电路

TL431提供一个基准电压Vref,组成一个恒流源,电流Io=Vref/R2。

由三端稳压器组成的恒流源,如电路图4

mos恒流电路

三端稳压器提供一个恒定电压Vout,组成一个恒流源,Io=Vout/R1。

以上都是一些比较常见的简单的恒流源,而且有一个共性,稳压精度都不高,电流Io也不大。除了以上列举的几个,还有其他类似的恒流源,但万变不离其宗,都是以一个恒压源为基准组成,在此就不一 一列举。

在应用过程中,如果需要高精度、大电流的恒流源,可以使用一个运放,组成一个高精度、大电流的恒流源,如电路图5

mos恒流电路

使用运放组成的恒流源,Io=Vref/R1。


恒流源在宽电压输入模块中的应用

在模块电源中,小功率电源的短路保护一般不外接短路保护电路,这种模块的特点是功率小,体积小,成本低;适合当前竞争激烈的市场;然而它们本身存在一个致命的特点,短路保护功能和启动能力存在矛盾,启动能力强,短路保护就会变差;短路保护变强,启动能力就会变弱。特别是在需要超宽电压范围输入的情况下,启动能力跟短路能力更不好兼容。

举个例子,E4805UHBD-15W,18~72VDC输入,15W输出的模块电源,如果是用电阻加电容组成RC启动电路如图6,电流会随输入电压的变化,低压和高压短路时,打嗝周期会相差很大,短路功率高压输入时会较大;调好低压启动能力和短路保护后,高压短路保护就会变差,启动能力超强,反过来调好高压启动和短路能力,低压的短路保护能力很好,但是,启动能力很差,会出现启动不良现象。

mos恒流电路

为了解决以上矛盾,把启动电路改为用一个恒定电流的电路替代,如图7,输入电流基本不会随输入电压的变化而变化,两种启动电路,低压提供相同的启动电流,高压短路时,第二种启动电路的短路功耗会小很多,低压和高压的短路周期也会较接近。

mos恒流电路

如图8、9所示,是采用了恒流电路,测试的短路波形图,用恒流电路替代电阻启动解决了启动和短路的矛盾。

mos恒流电路


简单高效的LED恒流驱动电路图

基于LED发光特性,本文提出了一种宽电压输入、高效率、高调光比LED 恒流驱动电路。该电路具有结构简单、动态响应快、不需要补偿电路等优点。通过外部引脚,可以方便的进行LED开关、模拟调光和PWM调光。

mos恒流电路



联系方式:邹先生

联系电话:0755-83888366-8022

手机:18123972950

QQ:2880195519

联系地址:深圳市福田区车公庙天安数码城天吉大厦CD座5C1


请搜微信公众号:“KIA半导体”或扫一扫下图“关注”官方微信公众号

请“关注”官方微信公众号:提供 MOS管 技术帮助