实亿国际MOSFET结构与主要参数等详解-全面的MOSFET驱动技术剖析-KIA MOS管
信息来源:本站 日期:2018-12-19
MOSFET的全称为:metal oxide semiconductor field-effect transistor,中文通常称之为,金属-氧化层-半导体-场效晶体管.MOSFET最早出现在大概上世纪60年代,首先出现在模拟电路的应用。功率MOSFET在上世纪80年代开始兴起,在如今电力电子功率器件中,无疑成为了最重要的主角器件。
下图是典型平面N沟道增强型NMOSFET的剖面图。它用一块P型硅半导体材料作衬底,在其面上扩散了两个N型区,再在上面覆盖一层二氧化硅(SiO2)绝缘层,最后在N区上方用腐蚀的方法做成两个孔,用金属化的方法分别在绝缘层上及两个孔内做成三个电极:G(栅极)、S(源极)及D(漏极),如图所示。
下图中可以看出栅极G与漏极D及源极S是绝缘的,D与S之间有两个PN结。一般情况下,衬底与源极在内部连接在一起,这样,相当于D与S之间有一个PN结。
下图是常见的N沟道增强型MOSFET的基本结构图。为了改善某些参数的特性,如提高工作电流、提高工作电压、降低导通电阻、提高开关特性等有不同的结构及工艺,构成所谓VMOS、DMOS、TMOS等结构。
耐压:通常所说的VDS,或者说是击穿电压。那么一般MOS厂家是如何来定义这个参数的呢?
上面这个例子显示,当驱动电压为0,Vds达到200V的时候,Id这个电流达到了250uA,这个时候认为已经达到击穿电压。
不同的厂家对此定义略有不同,但是基本上来说,当电压超过击穿电压,MOS的漏电流就会急剧上升。
导通电阻:MOSFET在导通之后,其特性可以近似认为是一个电阻
上面这个例子表示,在驱动电压为10V的时候,导通电阻为0.18欧姆。
导通电阻的温度关系:MOS的导通电阻随温度上升而上升,下图显示该MOS的导通电阻在结温为140度的时候,为20度时候的2倍。
导通阀值电压:就是当驱动电压到达该值之后,可认为MOS已经开通。
上面这个例子,可以看到当Vgs达到2-4V的时候,MOS电流就上升到250uA。这时候可认为MOS已经开始开通。
驱动电压和导通电阻,最大导通电流之间的关系
从下图可以看到,驱动电压越高,实际上导通电阻越小,而且最大导通电流也越大。
导通阀值电压随温度上升而下降。
MOSFET的寄生二极管
寄生二极管比较重要的特性,就是反向恢复特性。这个在ZVS,同步整流等应用中显得尤为重要。
MOSFET的寄生电容

这三个电容的定义如下:
MOS的寄生电容都是非线性电容,其容值和加在上面的电压有关。所以一般的MOS厂家还会用另外一个参数来描述这个特性:
MOS的寄生电容都是非线性电容,其容值和加在上面的电压有关。所以一般的MOS厂家还会用另外一个参数来描述这个特性:
![]()
MOSFET驱动技术,MOS虽然是电压型驱动,但是由于寄生电容的存在,必须要求驱动电路提供一定的驱动电流。
较小的驱动电流,会导致MOS的GS电压上升缓慢,降低了开关速度,提高了开关损耗。
米勒电容Cgd
米勒电容虽然看起来很小,但是对驱动的影响很大,特别在VDS比较高的场合。但是在ZVS和同步整流等应用中,由于VDS会在驱动上来之前,下降到零,就不存在这个问题。
当IC本身的驱动能力不足的时候,就需要外加驱动电路来增强驱动能力,以达到快速开关MOS的需求:
1.采用分立器件,比如图腾柱。2.采用集成的驱动IC.
MOSFET的低端(low side)驱动:所谓低端驱动,就是驱动电路的参考地,就是MOS的S端。
低端驱动,电路往往比较简单,除了驱动能力之外,还是需要注意一些细节。
MOSFET的高端(High Side)驱动:很多情况下,MOSFET的S极并不是IC的参考地,比如BUCK开关管,桥式电路的上管。
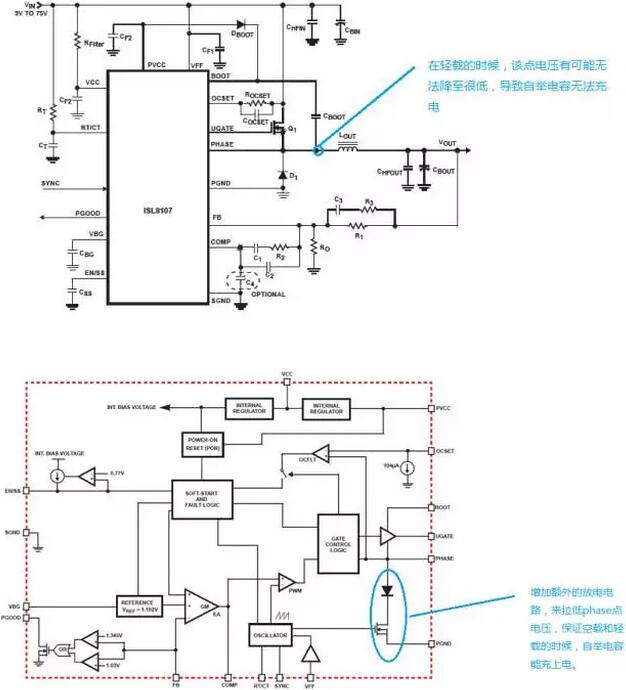
自举驱动,利用自举电路,自动抬升供电电压。自举的驱动芯片种类很多,但是需要注意其耐压。
对于二极管整流的buck,自举驱动需要注意的问题。
利用变压器隔离驱动:对于浮地的MOS,或者和IC隔离的MOS,通常可以采用变压器隔离驱动。
变压器隔离驱动的关键:变压器隔离驱动关键考虑的问题,就是变压器的复位,比较常用是利用隔直电容来复位,但是需要注意的是,采用隔直电容之后,有可能变压器传递的电压幅度和占空比有关。需要考虑变压器的变比。
对于跨初次级的驱动变压器,还需要考虑其耐压的问题。利用简单倍压电路来抬升驱动电压。
下图的驱动电路,可以传递大占空比的驱动信号,而且可以让驱动电压不下降。
隔直电容带来的问题:由于隔直电容会储存能量,所以在驱动消失之后,隔直电容会和变压器产生谐振,导致驱动电路传递错误的驱动信号。
为了降低这个问题的影响。可以利用这些电阻来阻尼这个震荡。
对具有隔直电容的驱动电路,有些IC会植入soft stop的功能:在关机时候,让驱动的占空比逐渐降低到0.
为了避免这个隔直电容带来的问题,可以采用无电容的变压器驱动电路。
如果用IC直接驱动变压器,那么需要注意:
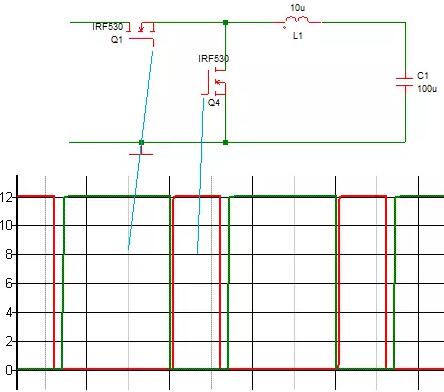
同步整流驱动,需要注意逻辑的问题
同步整流2个管子的驱动关系为互补,但是当主管长时间关断的时候,整流管就会出现长时间导通的情况。
所以在关机的时候,不能简单的把主管驱动信号置低,而要同时把整流管的驱动信号也置低。
MOS的并联驱动,并联驱动要尽量保证每个管子的驱动线对称。
联系方式:邹先生
联系电话:0755-83888366-8022
手机:18123972950
QQ:2880195519
联系地址:深圳市福田区车公庙天安数码城天吉大厦CD座5C1
请搜微信公众号:“KIA半导体”或扫一扫下图“关注”官方微信公众号
请“关注”官方微信公众号:提供 MOS管 技术帮助