实亿国际

实亿国际

国家高新企业

cn

新闻中心

实亿国际体二极管的 N 型 MOSFET

信息来源:本站 日期:2017-05-11 

分享到:

MOSFET管的内部构造中,漏栅源三个极之间存在一个固有的寄生二极管,如图9.18所示。体二极管的极性能够阻止反向电压经过MOS管阻T管,其正向电流接受才能和反向额定电压与MOS目T管的标称值分歧。它的反向恢复时间比普通的交流电源整流二极管短,比快’恢复二极管的长。消费商数据表列出了各种MOSFET管的体二极管的反向恢复时间 。

实亿国际 体二极管的 N 型 MOSFET 体二极管的 P 型 MOSFET图 9.18 N 型和 P 型 MOS四T 管中的体二极管 。


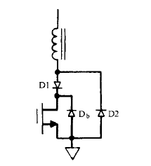
关于 N 沟道 MOSFET 管,二极管阻止 负的漏据极间电压 ,关于 P 沟道 MOSFET 管,二极管阻止正的漏掘极间电压由于在漏源极之间普通不会施加反向电压 ( 关于 N 型 MOSFET 管,漏极相对源极为负 : 关于 P 型 MOSFET 管,漏极相对源极极性为正) ,所以这个寄生二极管对大局部开关电源拓扑是没有什么影响的 。但有一些状况下也需求 MOSFET 管接受反压 ,特别 是在如图 3.1 和图3.3所示的半桥和全桥拓扑中。不过在这些拓扑中简直都有一个死区时间,这个死区时间是从体 二极管导通的时辰(贮存在变压器漏感中的能量反应到电网时)到它被施加反向电压的时辰。死区使正向电流和反向电压之间有延迟,所以MOSFET管的二极管较弱的反 向恢复特性是没什么影响的 。但是,假如一个全新的电路拓扑需求MOS因T管承图9.19当必需允许反向电流流过受反向电压,则必需在漏极串连一个阻断二极管。由于体MOSFET管时,应防止运用体二极管。二极管的存在,马达驱动电路或具有电感负载的电路可能为阻止电流流经体二极管(它的反向恢复特性不好),要附加阻断二极管DI串联到漏极。将反向恢复特性更好会存在问题。高频谐振电路拓扑 C 13 章) 通常请求开关管必需能 在接受正向电流以后立刻展受反向电压 。这时能够运用如的 D2 并联在 DI  阳极和 Ql 源极上图9.19所示的电路 。二极管 Dl  阻止正向电流过 MOSFET管中的体二极管 ,快速反向恢复二极管实亿国际 D2 为正向电流提供通路 。


实亿国际 联系方式:邹先生

实亿国际 手机:18123972950

QQ:2880195519

联系地址:深圳市福田区车公庙天安数码城天吉大厦CD座5C1


关注KIA半导体工程专辑请搜微信号:“KIA半导体”或点击本文下方图片扫一扫进入官方微信“关注”

长按二维码识别关注


3000万彩票-追求健康,你我一起成长 乐发IV - welcome u284彩票- 欢迎您 实亿国际(中国区)官方网站 永兴集团yx06 5630彩票(中国区)官方网站 佰利乐·(中国区)有限公司官网 金彩汇 - welcome首页