实亿国际

实亿国际

国家高新企业

cn

新闻中心

MOSFET栅极电压对电流的影响-MOSFET栅极应用电路深度剖析-KIA MOS管

信息来源:本站 日期:2018-12-08 

分享到:

MOSFET栅极简介

MOSFET栅极,场效应管根据三极管的原理开发出的新一代放大元件,有3个极性,栅极,漏极,源极,它的特点是栅极的内阻极高,采用二氧化硅材料的可以达到几百兆欧,属于电压控制型器件。场效应晶体管(FieldEffectTransistor缩写(FET))简称场效应管。由多数载流子参与导电,也称为单极型晶体管。它属于电压控制型半导体器件。


MOSFET栅极常见电路

1:去除电路耦合进去的噪音,提高系统的可靠性。


2:加速MOSFET的导通,降低导通损耗。


3:加速MOSFET的关断,降低关断损耗。


4:降低MOSFET DI/DT,保护MOSFET同时抑制EMI干扰。


5:保护栅极,防止异常高压条件下栅极击穿。


6:增加驱动能力,在较小的信号下,可以驱动MOSFET。


(一)直接驱动

首先说一下电源IC直接驱动,下图是我们最常用的直接驱动方式,在这类方式中,我们由于驱动电路未做过多处理,因此我们进行PCB  LAYOUT时要尽量进行优化。如缩短IC至MOSFET的栅极走线长度,增加走线宽度,尽量将Rg放置在离MOSFET栅极较进的位置,从而达到减少寄生电感,消除噪音的目的。

MOSFET栅极


当然另一个问题我们得考虑,那就是PWM  CONTROLLER的驱动能力,当MOSFET较大时,IC驱动能力较小时,会出现驱动过慢,开关损耗过大甚至不能驱动的问题,这点我们在设计时需要注意。


(二)IC内部驱动能力不足时

当然,对于IC内部驱动能力不足的问题我们也可以采用下面的方法来解决。

MOSFET栅极


这种增加驱动能力的方式不仅增加了导通时间,还可以加速关断时间,同时对控制毛刺及功率损耗由一定的效果。当然这个我们在LAYOUT时要尽量将这两个管子放的离MOSFET栅极较近的位置。这样做的好处还有减少了寄生电感,提高了电路的抗干扰性。


(三)增加MOSFET的关断速度

如果我们单单要增加MOSFET的关断速度,那么我们可以采用下面的方式来进行。

MOSFET栅极


关断电流比较大时,能使MOSFET输入电容放电速度更快,从而降低关断损耗。大的放电电流可以通过选择低输出阻抗的MOSFET或N沟道的负的截止的电压器件来实现,最常用的就是加加速二极管。

栅极关断时,电流在电阻上产生的压降大于二极管导通压降时,这时二极管会导通,从而将电阻进行旁路,导通后,随着电流的减小,二极管在电路中的作用越来越小,该电路作用会显著的减小MOSFET关断的延迟时间。


(四)PNP加速关断驱动电路

PNP加速关断电路是目前应用最多的电路,在加速三级管的作用下可以实现瞬间的栅源短路,从而达到最短的放电时间,之所以加二极管一方面是保护三级管基极,另一方面是为导通电流提供回路及偏置,该电路的优点为可以近似达到推拉的效果加速效果明显,缺点为栅极由于经过两个PN节,不能是栅极真正的达到0伏。

MOSFET栅极


(五)当源极输出为高电压时的驱动

当源极输出为高电压的情况时,需要采用偏置电路达到电路工作的目的,既以源极为参考点,搭建偏置电路,驱动电压在两个电压之间波动,驱动电压偏差由低电压提供,如下图所示。

MOSFET栅极


当然,这个图有点问题,不知道大家看出来来了吗?


其实问题就是“驱动电源”需要悬浮,下面就是正确的电路如,供各位参考。

MOSFET栅极


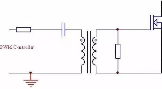
(六)满足隔离要求的驱动

为了满足安全隔离的要求或者提供高端浮动栅极驱动经常会采用变压器驱动。这种驱动将驱动控制和MOSFET进行了隔离,可以应用到低压及高压电路中去,如下图所示

MOSFET栅极


变压器驱动说白了就是隔离驱动,当然现在也有专门的驱动IC可以解决,但变压器驱动有自己的特点使得很多人一直在坚持用。


图中耦合电容的作用是为磁化的磁芯提供复位电压,如果没有这个电容,会出现磁饱和。


与电容串联的电阻的作用是为了防止占空比突然变化形成LC的震荡,因此加这个电阻进行缓解。


(七)自举逆变图

下面是一个实际的自举逆变图,供参考。

MOSFET栅极


MOSFET栅极电压对电流的影响

MOSFET栅极


图中显示的是电子密度的变化。阈值电压在0.45V左右。


FET通过影响导电沟道的尺寸和形状,控制从源到漏的电子流(或者空穴流)。沟道是由(是否)加在栅极和源极的电压而创造和影响的(为了讨论的简便,这默认体和源极是相连的)。导电沟道是从源极到漏极的电子流。


耗尽模式

在一个n沟道"耗尽模式"器件,一个负的栅源电压将造成一个耗尽区去拓展宽度,自边界侵占沟道,使沟道变窄。如果耗尽区扩展至完全关闭沟道,源极和漏极之间沟道的电阻将会变得很大,FET就会像开关一样有效的关闭(如右图所示,当栅极电压很低时,导电沟道几乎不存在)。类似的,一个正的栅源电压将增大沟道尺寸,而使电子更易流过(如右图所示,当栅极电压足够高时,沟道导通)。


增强模式

相反的,在一个n沟道"增强模式"器件中,一个正的栅源电压是制造导电沟道所必需的,因为它不可能在晶体管中自然的存在。正电压吸引了体中的自由移动的电子向栅极运动,形成了导电沟道。但是首先,充足的电子需要被吸引到栅极的附近区域去对抗加在FET中的掺杂离子;这形成了一个没有运动载流子的被称为耗尽区的区域,这种现象被称为FET的阈值电压。更高的栅源电压将会吸引更多的电子通过栅极,则会制造一个从源极到漏极的导电沟道;这个过程叫做"反型"。


联系方式:邹先生

联系电话:0755-83888366-8022

手机:18123972950

QQ:2880195519

联系地址:深圳市福田区车公庙天安数码城天吉大厦CD座5C1


请搜微信公众号:“KIA半导体”或扫一扫下图“关注”官方微信公众号

请“关注”官方微信公众号:提供 MOS管 技术帮助