实亿国际

实亿国际

国家高新企业

cn

新闻中心

晶体管的驱动 MOSFET 管

信息来源:本站 日期:2017-05-17 

分享到:

实亿国际 MOSFET管栅极驱动电路

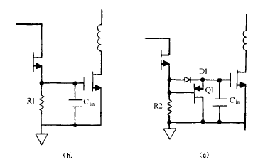
如上所述 ,栅极驱动电路必须能输出电流 ,即成为 “ 源”。同时,为了提供栅极反向电压,MOS驱动电路实亿国际必须能从栅极抽取电流 ,即成为  “ 汇”。大部分早期的 PWM 芯片 ( SG1524 系列) 的驱动电路,不能同时抽取和输出电流。即不 能同时成为漏极导通和关断的 “ 源” 和 “ 汇”。图 9.6  ( a ) 中的电路说明了这一点。

SG1524 型 PWM 芯片输出级由发射极和集电极都悬空的晶体管构成 。当输出级的晶体管 导通 ,它能从集电极抽取或从发射极输出 200mA 的电流。当利用晶体管的发射极驱动 MOSFET 管的栅极时 ,发射极电阻能从栅极抽取电流 ,降低栅极电压来关断 MOSFET 管。 通常当片内输出晶体管导通时 ,功率晶体管也要立即导通 。图9.6( b )给出了一个 N 型MOSFET 管的驱动电路 ,它的栅极由 SG1524 型 PWM 芯片的发射极驱动 。图 9.6 C b ) 中的驱动电路能提供 200mA 的电流给栅极,快速地导通 MOSFET 管。所以, 如 9.2.2 节所述 ,50ns  内需要 0.924A 的电流去驱动 MTM7N45 管栅极电压使之上升到 IOV 。

可以推导 ,SG1524   型 PWM  芯片输出 200mA   电流时,栅极电压从 ov 上升到 IOV  只需

实亿国际 ( 0.924/0.2 ) ×50=231ns 。又如 9.2.3 节所述 ,漏极电流上升时间对应于栅极电压从 2.5V 上升 到 sv 所用的上升时间 ,漏极电流上升时间就 只有 ( 2.5+10 ) ×231=58肘。初始的 2.5V 栅极电 压上升到阔值电压只产生了 58ns 的延迟。这虽然降低了最大开关频率 ,但它不会引起任何开 关损耗。

栅极电压从 ov 到 IOV  的上升时间 C 231ns ) 己经足够短了,但在图9.6 C b ) 所示电路中 , 因为没有恒定电流给电容放电 ,所以栅极电压下降时间只取决于发射极电阻 Re 和栅极输入电压。


图 9.6 C a ) PWM 芯片 SG1524 和它的输出晶体管 ( 11 脚、12 脚、13 脚和 14 脚),输出晶体管能提供或吸收 200mA 的电流:C b ) 驱动高输入电容 MOSFET 管的晶体管发射极驱动电路 。200mA 的驱动电流可以快速的导通 MOSFET 管。关断时,RI 为栅极下拉电阻 ,它在时间3R1Cin 内将栅极电压拉低: C  c) 用作吸收栅极电流的 PNP 射极跟随器和作为 200mA 驱动 “源” 的片内输出晶体管 。此时电 阻 R2  可以很大


在图 9.6 C b ) 中,当MOS管驱动芯片内输出晶体管的基极为低电平时 ,输出晶体管发射极的电压由 于 MOSFET 管的大输入电容而依然维持为高电平 。输出晶体管关断后,只剩下输出发射极电 阻给 MOSFET 管输入电容提供放电 回路。对应的电容值 ( 9.2.2 节) 为输入电容加上米勒电 容,即 1800+(180+ 10)×150=4500pF。

实亿国际 这样 ,对于标称值为 2000.的发射极电阻,MOSFET 管栅极电压下降时间为 3RI C=3× 200×4500=2.70阳。如果开关频率达到 IOOkHz 以上,则 2.70阳的栅极电压下降时间显然太长 了。这是由于存在 MOSFET 管栅极输入电容的缘故 ,因此就需要用独立的晶体管来驱动 MOSFET 管,它可以输出或吸收 200 400mA 的电流。

实亿国际 就 SG1524 型 PWM 芯片来说 ,它拥有输出或吸收电流的能力 ,但是不能同时应用 。大多数情况下 ,简单而实用的 MOSFET 管的栅极驱动电路就是使用 NPN-PNP 图腾柱式射极跟随器。如图 8.17 所示 ,晶体管 Q2 和 Q3 分别是 2N2222A 和 2N2907A ,采用 T0-18 封装,价 格不超过十美分 。它们可以输出或抽取 800mA 的电流,上升时间约为 60ns 。图腾柱上方的 晶体管可以用 PWM 芯片输出级的晶体管代替 ,如图9.6( c )所示 。虽然它的驱动能力 OOmA ) 比 2N2222A 管小,但一般情况下己经足够了 。

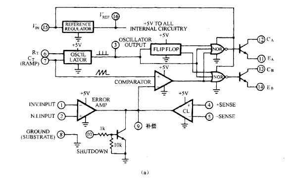
第二代 PWM 芯片,如 Unitrode 公司生产的 UC1525A[坷 ,具有内置图腾柱结构 ,它由 NPN 型反相器叠加 NPN 型射极跟随器组成 。如图 9.7 ( a ) 所示,射极跟随器和反相器由相 位相差 180。的信号驱动,交错导通。通过使用具有两个互相隔离的次级的变压器( 图 9.7( b) ) 驱动具有不同直流电压水平的半桥或全桥电路的上 F两只晶体管。类似地 ,推挽电路也可以 驱动具有相同直流电压的  MOSFET   管。

实亿国际 在图 9.7 C b ) 中,变压器初级连接到 PWM 芯片的 11 脚和 14 脚。在半周期的导通时间 内,11 脚相对于 14 脚为正 ,并输出 200mA 电流。11 脚电位对地约为 +(Vh 2)V, 14 脚电位 对地约为+2V 。在半周期的死区时间内 ,11 脚和 14 脚都对地短路 。在下半周期 ,11 脚和 14 脚的极性颠倒 。若初级电压为士 lOV ,则供电电压 vh 应约为 14V。


图 9.7 C a ) 具有图腾柱输出 ( 输出 A 和 B ) 的第二代 PWM 芯片 UC1525A 。它可以吸收或供给 MOSFET 管基极大屯流 ( Unitrode 提供)。C b) A 和 B 的图腾柱输出可以驱动大输入电容 MOS管,即可 以直接驱动栅极共地的推挽电路 ,或通过一个变压器驱动栅极不共地的半桥或全桥电路




联系方式:邹先生

手机:18123972950

QQ:2880195519

联系地址:深圳市福田区车公庙天安数码城天吉大厦CD座5C1


实亿国际 关注KIA半导体工程专辑请搜微信号:“KIA半导体”或点击本文下方图片扫一扫进入官方微信“关注”

长按二维码识别关注


3000万彩票-追求健康,你我一起成长 乐发IV - welcome u284彩票- 欢迎您 实亿国际(中国区)官方网站 永兴集团yx06 5630彩票(中国区)官方网站 佰利乐·(中国区)有限公司官网 金彩汇 - welcome首页