实亿国际

实亿国际

国家高新企业

cn

新闻中心

实亿国际详细讲解mos管电子电路

信息来源:本站 日期:2017-04-20 

分享到:

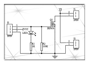
MOS管最显著的特性是开关特性好,所以被广泛应用于需要电子开关的电路中,常见的如开关电源和马达驱动电路,也有照明调光。

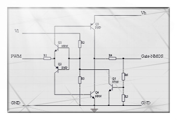
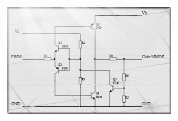
现在的MOS驱动,有几个特别的需求:

1. 低压应用

实亿国际 当使用5V电源,由于三极管的be只有0.7V左右的压降,导致实际最终加载gate上的电压只有4.3V,这时候,我们选用标称gate电压4.5V的MOS管就存在一定的风险。同样的问题也发生在使用3V或者其他低压电源的场合。

实亿国际 2. 宽电压应用

输入电压并不是一个固定值,它会随着时间或者其他因素而变动。这个变动导致PWM电路提供给MOS管的驱动电压是不稳定的。

为了让MOS管在高gate电压下安全,很多MOS管厂家内置稳压管强行限制gate电压的幅值。在这种情况下,当提供的驱动电压超过稳压管的电压,就会引起较大的静态功耗。

同时,如果简单的用电阻分压的原理降低gate电压,就会出现输入电压比较高的时候,MOS管工作良好,而输入电压降低的时候gate电压不足,引起导通不够彻底,从而增加功耗。

实亿国际 3. 双电压应用

在一些控制电路中,逻辑部分使用典型的5V或3.3V数字电压,而功率部分使用12V甚至更高的电压。两个电压采用共地方式连接。

这就提出一个要求,需要使用一个电路,让低压侧能够有效的控制高压侧的MOS管,同时高压侧的MOS管也同样会面对1和2提到的问题。

电路提供了如下的特性:

1,用低端电压和PWM驱动高端MOS管。

实亿国际 2,用小幅度的PWM信号驱动高gate电压需求的MOS管。

实亿国际 3,gate电压的峰值限制

实亿国际 4,输入和输出的电流限制

5,通过使用合适的电阻,可以达到很低的功耗。

6,PWM信号反相。NMOS并不需要这个特性,可以通过前置一个反相器来解决。


联系方式:邹先生

实亿国际 联系电话:0755-83888366-8022

实亿国际 手机:18123972950

QQ:2880195519

联系地址:深圳市福田区车公庙天安数码城天吉大厦CD座5C1


关注KIA半导体工程专辑请搜微信号:“KIA半导体”或点击本文下方图片扫一扫进入官方微信“关注”

长按二维码识别关注

3000万彩票-追求健康,你我一起成长 乐发IV - welcome u284彩票- 欢迎您 实亿国际(中国区)官方网站 永兴集团yx06 5630彩票(中国区)官方网站 佰利乐·(中国区)有限公司官网 金彩汇 - welcome首页