实亿国际

实亿国际

国家高新企业

cn

新闻中心

实亿国际MOS管怎么测量好坏视频-如何测量MOS管好坏的详解大全-KIA MOS管

信息来源:本站 日期:2018-06-26 

分享到:

mos管怎么测量好坏视频

mos管是金属—氧化物-半导体场效应晶体管,或者称是金属—绝缘体—半导体。MOS管的source和drain是可以对调的,他们都是在P型backgate中形成的N型区。在多数情况下,这个两个区是一样的,即使两端对调也不会影响器件的性能。这样的器件被认为是对称的。

万用表如何判断mos管好坏


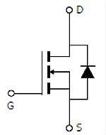
双极型晶体管把输入端电流的微小变化放大后,在输出端输出一个大的电流变化。双极型晶体管的增益就定义为输出输入电流之比(beta)。另一种晶体管,叫做场效应管(FET),把输入电压的变化转化为输出电流的变化。FET的增益等于它的transconductance,定义为输出电流的变化和输入电压变化之比。市面上常有的一般为N沟道和P沟道,以下为N沟道和P沟道符号。


N沟道mos管符号

P沟道mos管符号

1、如何快速判断其好坏及引脚功能

1)用10K档,内有15伏电池。可提供导通电压。


2)因为栅极等效于电容,与任何脚不通,不论N管或P管都很容易找出栅极来,否则是坏管。


3)利用表笔对栅源间正向或反向充电,可使漏源通或断,且由于栅极上电荷能保持,上述两步可分先后,不必同步,方便。但要放电时需短路管脚或反充。


4)大都源漏间有反并二极管,应注意,及帮助判断。


5)大都封庄为字面对自已时,左栅中漏右源。


以上前三点必需掌握,后两点灵活运用,很快就能判管脚,分好坏。


如果对新拿到的不明MOS管,可以通过测定来判断脚极,只有准确判定脚的排列,才能正确使用。


2、mos管脚测定方法

①栅极G的测定:用万用表R&TImes;100档,测任意两脚之间正反向电阻,若其中某次测得电阻为数百Ω),该两脚是D、S,第三脚为G。


②漏极D、源极S及类型判定:用万用表R&TImes;10kΩ档测D、S问正反向电阻,正向电阻约为0.2&TImes;10kΩ,反向电阻(5一∞)X100kΩ。在测反向电阻时,红表笔不动,黑表笔脱离引脚后,与G碰一下,然后回去再接原引脚,出现两种情况:


a.若读数由原来较大值变为0(0&TImes;10kΩ),则红表笔所接为S,黑表笔为D。用黑表笔接触G有效,使MOS管D、S间正反向电阻值均为0Ω,还可证明该管为N沟道。

b.若读数仍为较大值,黑表笔不动,改用红表笔接触G,碰一下之后立即回到原脚,此时若读数为0Ω,则黑表笔接的是S极、红表笔为D极,用红表笔接触G极有效,该MOS管为P沟道。


联系方式:邹先生

联系电话:0755-83888366-8022

手机:18123972950

QQ:2880195519

联系地址:深圳市福田区车公庙天安数码城天吉大厦CD座5C1


请搜微信公众号:“KIA半导体”或扫一扫下图“关注”官方微信公众号

请“关注”官方微信公众号:提供  MOS管  技术帮助