实亿国际

实亿国际

国家高新企业

cn

新闻中心

MOS管构成的存储矩阵-ROM与RAM重点分析-KIA MOS管

实亿国际信息来源:本站 日期:2018-02-28 

分享到:

半导体存储器是一种能存储大量二值信息的半导体器件。按存储功能可分为只读存储器(ROM)和随机存储器(RAM)

一、只读存储器(ROM)

实亿国际 只读存储器按写入方式一般分为三种:固定内容ROM、可编程ROM和可擦除型的EPROM

1、ROM的基本结构和工作原理

ROM的基本结构如图所示

地址译码器相当于最小项译码器。而存储单元是由N沟道增强型MOS管构成的,可以理解为有MOS管存在,则其单元内存储的信息为1。

实亿国际 地址译码器相当于“与逻辑矩阵”,ROM 存储矩阵相当于“或逻辑矩阵”,整个存储器是一个“与或”矩阵。一般情况下,“与矩阵”是不可编程,而“或矩阵”是可编程的。

若ROM有n条地址线,m条位线,则ROM矩阵的存储容量等于2n×m。


2、ROM的分类

实亿国际 简单了解掩模ROM、PROM、EPROM、E2PROM和快闪存储器(Flash Memory)的功能,不做重点。


3、ROM芯片

EEPROM典型芯片2864A的芯片引脚如图所示

A0~A12为地址译码输入端,I/O0~I/O7为8位数据输入输出端,CE为片选端,为写使能端,为读使能端。2864A共有213条字线,8条位线,其 存储容量为213×8bit(8K byte)。

实亿国际 EEPROM 2864的工作方式如图所示

此外Flash Memory芯片的引脚图和工作方式也要理解掌握。

二、随机存储器(RAM)

RAM按工作原理分为静态随机存储器SRAM和动态随机存储器DRAM。

1、ROM的基本结构和工作原理

ROM的基本结构和工作方式如图所示

SRAM和DRAM的结构和功能对比


SRAM:以触发器为基本存储单元,所以只要不掉电,其所存信息就不会丢失。该类芯片的集成度不如DRAM, 功耗也比DRAM高,但它的速度比DRAM快,也不需要刷新电路。一般用于构成高速缓冲存储器 。


DRAM实亿国际:一般用MOS型动态存储单元构成,结构简单,集成度高。但是,如果不及时进行刷新,极间电容中的电 荷会在很短时间内自然泄漏,致使信息丢失。所以,必须为它配备专门的刷新电路。


2、DRAM的刷新方式有三种,了解就好,不做重点。


3、RAM芯片

61LV25616芯片的引脚图和功能表如图所示

地址线为18根A0~A17,I/O0~I/O15为16位写入/读出数据线,其容量为218×16 bit=256k×16 bit

三、半导体存储器容量的扩展(重点内容)

1、 位数的扩展

适用于每片RAM或ROM字数够用而位数不够时。

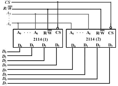
接法:将各片对应的地址线、片选端、读写控制端分别接在一起,各片的数据输出端并行使用即可。

例:用2片2114(1024×4bit)RAM构成1024×8bit的RAM


2、数够用而字数不够时

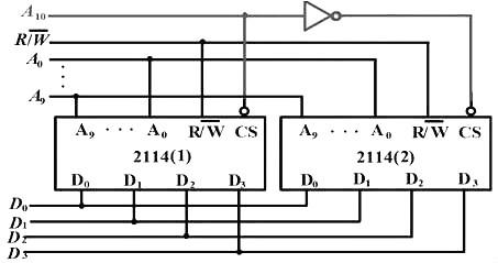
实亿国际 接法:将各片对应的地址线、读写控制端和数据输出端分别接在一起,各片的片选信号由附加地址位译出。

例: 用2片2114(1024×4bit)RAM构成2048×4bit的RAM


联系方式:邹先生

联系电话:0755-83888366-8022

手机:18123972950

QQ:2880195519

联系地址:深圳市福田区车公庙天安数码城天吉大厦CD座5C1


关注KIA半导体工程专辑请搜微信号:“KIA半导体”或点击本文下方图片扫一扫进入官方微信“关注”。

关注「KIA半导体」,做优秀工程师!


长按二维码识别关注

阅读原文可一键关注+技术总汇

3000万彩票-追求健康,你我一起成长 乐发IV - welcome u284彩票- 欢迎您 实亿国际(中国区)官方网站 永兴集团yx06 5630彩票(中国区)官方网站 佰利乐·(中国区)有限公司官网 金彩汇 - welcome首页