实亿国际

实亿国际

国家高新企业

cn

新闻中心

场效应管放大与恒流电路的识图方法与工作原理-KIA MOS管

实亿国际信息来源:本站 日期:2018-02-27 

分享到:

实亿国际 场效应管放大电路的结构及功能特点,能够正确分析和识读放大电路中各种关键元器件的作用以及信号经过放大电路后的输出状态,并且可以灵活运用到实际电子产品电路中,能够正确分析其功能及作用范围。


场效应管放大电路的基本结构

场效应管与晶体管一样,也具有放大作用,但与普通晶体管是电流控制型器件相反,场效应管是电压控制型器件。它具有输入阻抗高、噪声低的特点。


实亿国际 场效应管的3个电极,即栅极、源极和漏极分别相当于晶体管的基极、发射极和集电极。图5-21所示是场效应管的3种组态电路,即共源极、共漏极和共栅极放大器。图5-21(a)所示是共源极放大器,它相当于晶体管共发射极放大器,是一种最常用的电路。图5-21(b)所示是共漏极放大器,相当于晶体管共集电极放大器,输入信号从漏极与栅极之间输入,输出信号从源极与漏极之间输出,这种电路又称为源极输出器或源极跟随器。图5-21(c)所示是共栅极放大器,它相当于晶体管共基极放大器,输入信号从栅极与源极之间输入,输出信号从漏极与栅极之间输出,这种放大器的高频特性比较好。

场效应管放大恒流电路

绝缘栅型场效应管的输入电阻很高,如果在栅极上感应了电荷,很不容易泄放,极易将PN结击穿而造成损坏。为了避免发生PN结击穿损坏,存放时应将场效应管的3个极短接;不要将它放在静电场很强的地方,必要时可放在屏蔽盒内。焊接时,为了避免电烙铁带有感应电荷,应将电烙铁从电源上拔下。焊进电路板后,不能让栅极悬空。


1.场效应管放大电路的偏置方法

(1)固定式偏置电路

实亿国际 在场效应管放大器中,有时需要外加栅极直流偏置电源,这种方式被称为固定式偏置电路,如图5-22所示。

场效应管放大恒流电路

实亿国际 C1和C2分别是输入端耦合电容和输出端耦合电容。+UCC通过漏极负载电阻R2加到VT的漏极,VT的源极接地。-UCC是栅极专用偏置直流电源,为负极性电源,它通过栅极偏置电阻R1加到VT1的栅极,使栅极电压低于源极电压,这样就建立了VT的正常偏置电压。


在电路中,输入信号Ui经C1耦合至场效应管VT的栅极,与原来的栅极负偏压叠加。场效应管受到栅极的作用,其漏极电流I2相应变化,并在负载电阻R2上产生压降,经C2隔离直流后输出,在输出端即得到放大了的信号电压Uo。I2与Ui同相,Uo与Ui反相。


这种偏置电路的优点是VT的工作点可以任意选择,不受其他因素的制约,也充分利用了漏极直流电源+UCC,所以可以用于低压供电放大器。其缺点是需要两个直流电源。


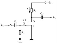
(2)自给偏压共源极放大电路

图5-23所示是典型的自给偏压共源极放大电路。图中C1和C2分别是输入、输出耦合电容,起通交流、隔直流的作用;+UCC为漏极直流电压源,为放大电路提供能源;RD是漏极电阻,它能把漏极电流的变化转变为电压的变化,以便输出信号电压;RS是源极电阻,其作用是产生一个源极到地的电压降,以提供源极偏压,建立静态偏置,同时具有电流负反馈的作用;CS是源极旁路电容,给源极交流信号提供一条通路,以免交流信号在RS上产生负反馈。


实亿国际 由于场效应管在漏极电流较大时,具有温度上升、漏极电流就减小的特点,因而热稳定性好,故源极仅需设置自偏压电路就十分稳定了。


“自给偏压”指的是由场效应管自身的电流产生偏置电压。N沟道结型场效应管正常工作时,栅极、源极之间需要加一个负偏置电压,这一点与晶体管的发射结需要正偏置电压是相反的。为了使栅极、源极之间获得所需负偏压,设置了自生偏压电阻RS。当源极电流流过RS时,将会在RS两端产生上正下负的电压降US。由于栅极通过RG接地,所以栅极为零电位。这样,RS产生的US就能使栅极、源极之间获得所需的负偏压UGS,这就是自给偏压共源极放大电路的工作原理。


(3)分压式自偏压电路

图5-24所示为分压式自偏压电路,又称栅极接正电位偏置电路。它是在自给偏压共源极放大电路的基础上,加上分压电阻Rf1和Rf2构成的。

场效应管放大恒流电路

实亿国际 图中,电源+UDD、输入耦合电容C1、输出耦合电容C2、漏极电阻RD、源极电阻RS、源极旁路电容CS的作用均与自给偏压共源极放大电路相同。Rf1和Rf2是分压偏置电阻,Rf1与Rf2的接点通过大电阻RG与场效应管的栅极相连。由于栅极绝缘无电流,所以Rf1与Rf2的分压点A与场效应管的栅极同电位。由于该电路既有“分压偏置”又有“自给偏置”,所以又称为组合偏置电路。这种偏置电路既可用于耗尽型场效应管,也可用于增强型场效应管。


2.场效应管放大电路的工作原理

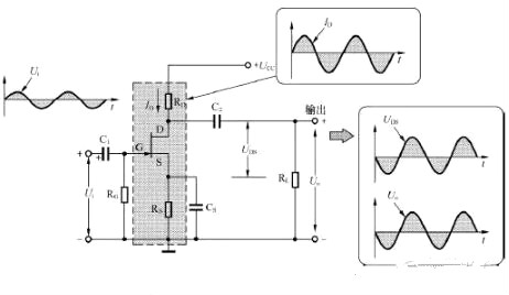
(1)源极接地放大器


源极接地放大器是场效应管放大器最重要的电路形式,其工作原理如图5-25所示。图中,交流输入电压Ui在1/4周期内处于增大的趋势,因此在这段时间内漏极电流ID增大。ID的增大使负载上的压降增大,UDS就下降;当Ui在2/4周期内时,处于减小状态,UGS增大,ID则减小,而ID的减小使负载上的压降减小,UDS就上升。以此类推,其输入与输出信号的波形如图中所示。Ui和ID的相位相同,与输出信号电压UDS的相位相反。

场效应管放大恒流电路

(2)栅极接地放大器

栅极接地放大器适用于高频宽带放大器,其基本连接方式如图5-26所示。


(3)漏极接地放大器

漏极接地放大器也称为源极跟随器或源极输出器,相当于双极型晶体管的集电极接地电路。图5-27为其基本连接图。源极跟随器最主要的特点是输出阻抗低。

场效应管放大恒流电路

由于场效应管的输入阻抗非常高,也就是输入电流极小,它常用于收音机电路中作为微弱信号的放大器。


实亿国际 ① 源极接地放大器与射极跟随器(共集电极晶体管放大器)的组合。

实亿国际 如图5-28所示,VT1为源极接地场效应管放大器,VT2为共集电极晶体管放大器。若电路中没有设置VT2,而是将数千欧的负载RL直接作为VT1的负载,其电压增益就相当小。通过源极接地放大器与低输出阻抗的射极跟随器进行组合,就可获得较高的电压增益,这是该电路的主要特征。


② 源极接地放大器与共发射极放大器的组合。

实亿国际 共发射极放大器的输入阻抗在103Ω的范围内,很难由场效应管直接驱动,但是,若通过一级射极跟随器,将其作为图5-25中的负载RL接在共发射极放大器之前,就很容易驱动了,如图5-29所示。该电路在输出级的前面加入了一级射极跟随器,以获得大电流增益,这是典型的低输出阻抗实例。

场效应管放大恒流电路

③ 将源极接地放大器与共基极放大器组合成级联式放大器。

实亿国际 图5-30所示是将场效应管的低噪声性与共基极放大器对高频放大的适应性相结合而产生的级联式放大器,常作为宽频带低噪声的前置放大器。



4.场效应管恒流源电路

场效应管放大恒流电路

场效应管恒流源电路图一

如图,其中分压电阻和稳压管为场效应管的栅极提供一个固定的基准电压。

场效应管放大恒流电路

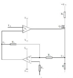
场效应管恒流源电路图二


基于场效应管的恒流源电路原理图如上图所示,电流经过采样电阻转换为采样电压。采样电压经运放A2反向放大后作为反馈电压VF送入运放A1的同相端,与基准电压VR进行比较,对栅极电压进行调整,从而对输出电流进行调整,使整个闭环反馈系统处于动态平衡中,以达到稳定输出电流的目的。如果输出电流增大,则采样电阻上的采样电压随之增大,反馈电压VF也增大,运放A1同相端电压增大,而基准电压不变,运放A1的输出电压为(VF-VR)K(K为运放A1的开环增益),因此运放A1的输出电压降低,栅极电压下降从而使输出电流下降,使输出电流保持稳定。


场效应管属于电压控制元件,这一点类似于电子管的三极管,但它的构造与工作原理和电子管是截然不同的,与双极型晶体管相比,场效应晶体管如下特点:

(1)场效应管是电压控制器件,它通过UGS来控制ID;


(2)场效应管的输入端电流极小,因此它的输入电阻很大。


实亿国际 (3)它是利用多数载流子导电,因此它的温度稳定性较好;


实亿国际 (4)它组成的放大电路的电压放大系数要小于三极管组成放大电路的电压放大系数;


(5)场效应管的抗辐射能力强;


实亿国际 (6)由于不存在杂乱运动的少子扩散引起的散粒噪声,所以噪声低。


联系方式:邹先生

联系电话:0755-83888366-8022

手机:18123972950

QQ:2880195519

联系地址:深圳市福田区车公庙天安数码城天吉大厦CD座5C1


关注KIA半导体工程专辑请搜微信号:“KIA半导体”或点击本文下方图片扫一扫进入官方微信“关注”。

关注「KIA半导体」,做优秀工程师!


长按二维码识别关注

阅读原文可一键关注+技术总汇

3000万彩票-追求健康,你我一起成长 乐发IV - welcome u284彩票- 欢迎您 实亿国际(中国区)官方网站 永兴集团yx06 5630彩票(中国区)官方网站 佰利乐·(中国区)有限公司官网 金彩汇 - welcome首页