实亿国际

实亿国际

国家高新企业

cn

新闻中心

实亿国际双向mos管,双向mos管开关电路有两种法-(非常实用)

信息来源:本站 日期:2017-11-01 

分享到:

而本文主要阐述利用MOS管搭建的低成本方案,实现电平的双向转换(本文给大家提供两个方式办法)


第一种方式:

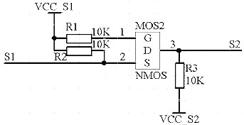
当你运用3.3V的单片机的时候,电平转换就在所难免了,经常会遇到3.3转5V或者5V转3.3V的状况,这里引见一个简单的电路,它能够完成两个电平的互相转换(注意是,双向的,不是单向的!).电路非常简单,仅由3个电阻加一个MOS管构成,电路图如下:

双向mos管


上图中,S1,S2为两个信号端,VCC_S1和VCC_S2为这两个信号的高电平电压.

另外限制条件为:

1,VCC_S1<=VCC_S2.

2,S1的低电平门限大于0.7V左右(视NMOS内的二极管压降而定)

3,Vgs<=VCC_S1.

4,Vds<=VCC_S2

关于3.3V和5V/12V等电路的互相转换,NMOS管选择AP2306即可.原理比拟简单,大家自行剖析吧!此电路我已在多处应用,效果很好.

双向mos管

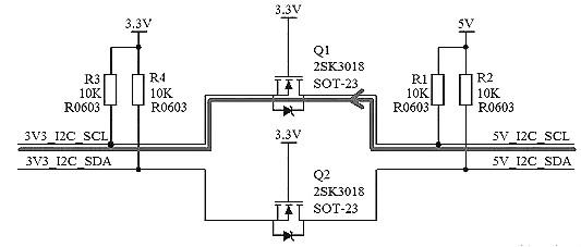
电路阐明如下:

电平转换器的操作

在电平转换器的操作中要思索下面的三种状态:

1)没有器件下拉总线线路。

“低电压”局部的总线线路经过上拉电阻Rp 上拉至3.3V。 MOSFET 管的门极和源极都是3.3V, 所以它的VGS 低于阀值电压,MOSFET 管不导通。这就允许“高电压”局部的总线线路经过它的上拉电阻Rp 拉到5V。 此时两局部的总线线路都是高电平,只是电压电平不同。


2)一个3.3V 器件下拉总线线路到低电平。

MOSFET 管的源极也变成低电平,而门极是3.3V。 VGS上升高于阀值,MOSFET 管开端导通。然后“高电压”局部的总线线路经过导通的MOSFET管被3.3V 器件下拉到低电平。此时,两局部的总线线路都是低电平,而且电压电平相同。


3)一个5V 的器件下拉总线线路到低电平。

MOSFET 管的漏极基底二极管“低电压”局部被下拉直到VGS 超越阀值,MOSFET 管开端导通。“低电压”局部的总线线路经过导通的MOSFET 管被5V 的器件进一步下拉到低电平。此时,两局部的总线线路都是低电平,而且电压电平相同。


这三种状态显现了逻辑电平在总线系统的两个方向上传输,与驱动的局部无关。状态1 执行了电平转换功用。状态2 和3 依照I2C 总线标准的请求在两局部的总线线路之间完成“线与”的功用。

除了3.3V VDD1 和5V VDD2 的电源电压外,还能够是例如:2V VDD1 和10V VDD2。 在正常操作中,VDD2必需等于或高于VDD1( 在开关电源时允许VDD2 低于VDD1)


第二种方式:


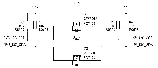
主要阐述利用MOS管搭建的低成本方案,实现电平的双向转换,具体电路如下图示:

双向mos管

以下分析其工作原理,因SCL与SDA两条支路工作原理一致,故选取其中一条支路进行分析,如下分三种情况进行讨论:

1)空闲状态:

双向mos管

则有:


3V3 12C SCL MOS管 体二极管 5V 12C SDA
空闲状态 3.3V OFF 反向载止 5V

2)3.3V转5V:

双向mos管

则有:


3V3 12C SCL MOS管 体二极管

5V 12V SDA

3.3V转5V

实亿国际 3.3V

实亿国际 OV

实亿国际 OFF

ON

实亿国际 反向载止

正向导通

实亿国际 3.3V

OV

3)5V转3.3V:

双向mos管

则有:


5V 12C SCL 体二极管 MOS管 3V3 12C SCL
5V转3.3V

实亿国际 5V

OV

实亿国际 反向载止

正向导通

OFF

先OFF后ON

3.3V

OV

注:

因MOS管都存在开关速度问题,故此种形式的电平转换电路速度不能过高,一般控制在1MHz以内;而对于标准模式100kbit/s 或快速模式400kbit/s的 I2C 总线,该电平转换电路不存在任何限制问题。


联系方式:邹先生

实亿国际 联系电话:0755-83888366-8022

手机:18123972950

实亿国际 QQ:2880195519

联系地址:深圳市福田区车公庙天安数码城天吉大厦CD座5C1


实亿国际 关注KIA半导体工程专辑请搜微信号:“KIA半导体”或点击本文下方图片扫一扫进入官方微信“关注”

实亿国际 长按二维码识别关注

3000万彩票-追求健康,你我一起成长 乐发IV - welcome u284彩票- 欢迎您 实亿国际(中国区)官方网站 永兴集团yx06 5630彩票(中国区)官方网站 佰利乐·(中国区)有限公司官网 金彩汇 - welcome首页