实亿国际

实亿国际

国家高新企业

cn

新闻中心

实亿国际igbt工作原理及实物接线图详解-igbt接线时应注意事项-KIA MOS管

信息来源:本站 日期:2018-12-13 

分享到:

igbt工作原理及接线图
igbt简介

igbt工作原理及接线图,我们先了解一下igbt是什么?IGBT是Insulated Gate Bipolar Transistor(绝缘栅双极型晶体管)的缩写,IGBT是由MOSFET和双极型晶体管复合而成的一种器件,其输入极为MOSFET,输出极为PNP晶体管,它融和了这两种器件的优点,既具有MOSFET器件驱动功率小和开关速度快的优点,又具有双极型器件饱和压降低而容量大的优点,其频率特性介于MOSFET与功率晶体管之间,可正常工作于几十kHz频率范围内,在现代电力电子技术中得到了越来越广泛的应用,在较高频率的大、中功率应用中占据了主导地位。


IGBT的等效电路如下图所示。由下图可知,若在IGBT的栅极和发射极之间加上驱动正电压,则MOSFET导通,这样PNP晶体管的集电极与基极之间成低阻状态而使得晶体管导通;若IGBT的栅极和发射极之间电压为0V,则MOS 截止,切断PNP晶体管基极电流的供给,使得晶体管截止。IGBT与MOSFET一样也是电压控制型器件,在它的栅极—发射极间施加十几V的直流电压,只有在uA级的漏电流流过,基本上不消耗功率。


通俗来讲:IGBT是一种大功率的电力电子器件,是一个非通即断的开关,IGBT没有放大电压的功能,导通时可以看做导线,断开时当做开路。三大特点就是高压、大电流、高速。

igbt工作原理及接线图


igbt结构

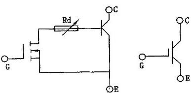
igbt是一个三端器件,它拥有栅极G、集电极c和发射极E。IGBT的结构、简化等效电路和电气图形符号如图所示。


如图所示为N沟道VDMOSFFT与GTR组合的N沟道IGBT(N-IGBT)的内部结构断面示意图。IGBT比VDMOSFET多一层P+注入区,形成丁一个大面积的PN结J1。由于IGBT导通时由P+注入区向N基区发射少子,因而对漂移区电导率进行调制,可仗IGBT具有很强的通流能力。介于P+注入区与N-漂移区之间的N+层称为缓冲区。有无缓冲区决定了IGBT具有不同特性。


有N*缓冲区的IGBT称为非对称型IGBT,也称穿通型IGBT。它具有正向压降小、犬断时间短、关断时尾部电流小等优点,但其反向阻断能力相对较弱。无N-缓冲区的IGBT称为对称型IGBT,也称非穿通型IGBT。它具有较强的正反向阻断能力,但它的其他特性却不及非对称型IGBT。


如下图(b)所示的简化等效电路表明,IGBT是由GTR与MOSFET组成的达林顿结构,该结构中的部分是MOSFET驱动,另一部分是厚基区PNP型晶体管。

igbt工作原理及接线图


igbt工作原理及接线图

(一)igbt工作原理

简单来说,IGBT相当于一个由MOSFET驱动的厚基区PNP型晶体管,它的简化等效电路如上图(b)所示,图中的RN为PNP晶体管基区内的调制电阻。从该等效电路可以清楚地看出,IGBT是用晶体管和MOSFET组成的达林顿结构的复合器件。冈为图中的晶体管为PNP型晶体管,MOSFET为N沟道场效应晶体管,所以这种结构的IGBT称为N沟道IIGBT,其符号为N-IGBT。类似地还有P沟道IGBT,即P- IGBT。


IGBT的电气图形符号如上图(c)所示。IGBT是—种场控器件,它的开通和关断由栅极和发射极间电压UGE决定,当栅射电压UCE为正且大于开启电压UCE(th)时,MOSFET内形成沟道并为PNP型晶体管提供基极电流进而使IGBT导通,此时,从P+区注入N-的空穴(少数载流子)对N-区进行电导调制,减小N-区的电阻RN,使高耐压的IGBT也具有很小的通态压降。当栅射极间不加信号或加反向电压时,MOSFET内的沟道消失,PNP型晶体管的基极电流被切断,IGBT即关断。由此可知,IGBT的驱动原理与MOSFET基本相同。


①当UCE为负时:J3结处于反偏状态,器件呈反向阻断状态。


②当uCE为正时:UC< UTH,沟道不能形成,器件呈正向阻断状态;UG>UTH,绝缘门极下形成N沟道,由于载流子的相互作用,在N-区产生电导调制,使器件正向导通。


1)导通

IGBT硅片的结构与功率MOSFET的结构十分相似,主要差异是JGBT增加了P+基片和一个N+缓冲层(NPT-非穿通-IGBT技术没有增加这个部分),其中一个MOSFET驱动两个双极器件(有两个极性的器件)。基片的应用在管体的P、和N+区之间创建了一个J,结。当正栅偏压使栅极下面反演P基区时,一个N沟道便形成,同时出现一个电子流,并完全按照功率MOSFET的方式产生一股电流。


如果这个电子流产生的电压在0.7V范围内,则J1将处于正向偏压,一些空穴注入N-区内,并调整N-与N+之间的电阻率,这种方式降低了功率导通的总损耗,并启动了第二个电荷流。最后的结果是在半导体层次内临时出现两种不同的电流拓扑:一个电子流(MOSFET电流);一个空穴电流(双极)。当UCE大于开启电压UCE(th),MOSFET内形成沟道,为晶体管提供基极电流,IGBT导通。


2)导通压降

电导调制效应使电阻RN减小,通态压降小。所谓通态压降,是指IGBT进入导通状态的管压降UDS,这个电压随UCS上升而下降。


3)关断

当在栅极施加一个负偏压或栅压低于门限值时,沟道被禁止,没有空穴注入N-区内。在任何情况下,如果MOSFET的电流在开关阶段迅速下降,集电极电流则逐渐降低,这是阂为换向开始后,在N层内还存在少数的载流子(少于)。这种残余电流值(尾流)的降低,完全取决于关断时电荷的密度,而密度又与几种因素有关,如掺杂质的数量和拓扑,层次厚度和温度。


少子的衰减使集电极电流具有特征尾流波形。集电极电流将引起功耗升高、交叉导通问题,特别是在使用续流二极管的设备上,问题更加明显。


鉴于尾流与少子的重组有关,尾流的电流值应与芯片的Tc、IC:和uCE密切相关,并且与空穴移动性有密切的关系。因此,根据所达到的温度,降低这种作用在终端设备设计上的电流的不理想效应是可行的。当栅极和发射极间施加反压或不加信号时,MOSFET内的沟道消失,晶体管的基极电流被切断,IGBT关断。


4)反向阻断

当集电极被施加一个反向电压时,J,就会受到反向偏压控制,耗尽层则会向N-区扩展。因过多地降低这个层面的厚度,将无法取得一个有效的阻断能力,所以这个机制十分重要。另外,如果过大地增加这个区域的尺寸,就会连续地提高压降。


5)正向阻断

当栅极和发射极短接并在集电极端子施加一个正电压时,J,结受反向电压控制。此时,仍然是由N漂移区巾的耗尽层承受外部施加的电压。


6)闩锁

ICBT在集电极与发射极之间有—个寄生PNPN晶闸管。在特殊条件下,这种寄生器件会导通。这种现象会使集电极与发射极之间的电流量增加,对等效MOSFET的控制能力降低,通常还会引起器件击穿问题。晶闸管导通现象被称为IGBT闩锁。具体来说,产生这种缺陷的原因各不相同,但与器件的状态有密切关系。


(二)igbt接线图

igbt工作原理及接线图


igbt模块的安装

为了使接触热阻变小,推荐在散热器与IGBT模块的安装面之间涂敷散热绝缘混合剂。涂敷散热绝缘混合剂时,在散热器或IGBT模块的金属基板面上涂敷。如图1所示。随着IGBT模块与散热器通过螺钉夹紧,散热绝缘混合剂就散开,使IGBT模块与散热器均一接触。

igbt工作原理及接线图

上图:两点安装型模块 下图:一点安装型模块


涂敷同等厚度的导热膏(特别是涂敷厚度较厚的情况下)可使无铜底板的模块比有铜底板散热的模块的发热更严重,最终引至模块的结温超出模块的安全工作的结温上限(Tj《 125℃或125℃)。因为散热器表面不平 整所引起的导热膏的厚度增加,会增大接触热阻,从而减慢热量的扩散速度。


IGBT模块安装时,螺钉的夹紧方法如图2所示。另外,螺钉应以推荐的夹紧力矩范围予以夹紧。如果该力矩不足,可能使接触热阻变大,或在工作中产生松动。反之,如果力矩过大,可能引起外壳破坏。将IGBT模块安装在由挤压模制作的散热器上时,IGBT模块的安装与散热器挤压方向平行,这是为了减小散热器变形的影响。

igbt工作原理及接线图

螺钉的夹紧方法


把模块焊接到PCB时,应注意焊接时间要短。注意波形焊接机的溶剂干燥剂的用量,不要使用过量的溶剂。模块不能冲洗。用网版印刷技术在散热器表面印刷50μm的散热复合用螺钉把模块和PCB安装在散热器上。在未上螺钉之前,轻微移动模块可以更好地分布散热膏。安装螺钉时先用合适的力度固定两个螺钉,然后用推荐的力度旋紧螺钉。


在IGBT模块的端子上,将栅极驱动电路和控制 电路锡焊时,一旦焊锡温度过高,可能发生外壳树脂材料熔化等不良情况。一般性产品的端子耐热性试验条件:焊锡温度: 260±5℃。焊接时间: 10±1s。次数:1次。


igbt单开关型模块的内部接线图-GA系列

igbt工作原理及接线图


igbt接线注意事项

1)栅极与任何导电区要绝缘,以免产生静电而击穿,IGBT在包装时将G极和E极之问有导电泡沫塑料,将它短接。装配时切不可用手指直接接触G极,直到 G极管脚进行永久性连接后,方可将G极和E极之间的短接线拆除。


2)在大功率的逆变器中,不仅上桥臂的开关管要采用各自独立的隔离电源,下桥臂的开关管也要采用各自独立的隔离电源,以避免回路噪声,各路隔离电源要达到一定的绝缘等级要求。


3)在连接IGBT 电极端子时,主端子电极间不能有张力和压力作用,连接线(条)必须满足应用,以免电极端子发热在模块上产生过热。控制信号线和驱动电源线要离远些,尽量垂直,不要平行放置。


4)光耦合器输出与IGBT输入之间在PCB上的走线应尽量短,最好不要超过3cm。


5)驱动信号隔离要用高共模抑制比( CMR)的高速光耦合器,要求 tp《0.8μs,CMR》l0kV/μs,如6N137,TCP250 等。


6)IGBT模块驱动端子上的黑色套管是防静电导电管,用接插件引线时,取下套管应立即插上引线;或采用焊接引线时先焊接再剪断套管。


7)对IGBT端子进行锡焊作业的时候,为了避免由烙铁、烙铁焊台的泄漏产生静电加到IGBT上,烙铁前端等要用十分低的电阻接地。焊接G极时,电烙铁要停电并接地,选用定温电烙铁最合适。当手工焊接时,温度260℃±5℃,时间(10 +1)s。波峰焊接时,PCB要预热80 ~105℃,在245℃时浸入焊接3~4s。


8)仪器测量时,应采用1000 电阻与G极串联。在模块的端子部测量驱动电压( VGE)时,应确认外加了既定的电压。


9)IGBT模块是在用lC泡沫等导电性材料对控制端子采取防静电对策的状态下出库的。这种导电性材料在产品进行电路连接后才能去除。


10)仅使用FWD而不使用IGBT时(比如在斩波电路等中应用时),不使用的IGBT的G-E间应加-5V以上(推荐-15V、最大- 20V)的反偏压。反偏压不足时,IGBT可能由于FWD反向恢复时的dv/dt引起误触发而损坏。



联系方式:邹先生

联系电话:0755-83888366-8022

手机:18123972950

QQ:2880195519

联系地址:深圳市福田区车公庙天安数码城天吉大厦CD座5C1


请搜微信公众号:“KIA半导体”或扫一扫下图“关注”官方微信公众号

请“关注”官方微信公众号:提供 MOS管 技术帮助