实亿国际

实亿国际

国家高新企业

cn

新闻中心

实亿国际教你三步看懂电路图-如何掌握电路图工作原理及它的分类-KIA MOS管

实亿国际信息来源:本站 日期:2018-11-08 

分享到:

教你三步看懂电路图

电路图

本文教你三步看懂电路图,电路图是指用电路元件符号表示电路连接的图。电路图是人们为研究、工程规划的需要,用物理电学标准化的符号绘制的一种表示各元器件组成及器件关系的原理布局图。由电路图可以得知组件间的工作原理,为分析性能、安装电子、电器产品提供规划方案。在设计电路中,工程师可从容在纸上或电脑上进行,确认完善后再进行实际安装。通过调试改进、修复错误、直至成功。采用电路仿真软件进行电路辅助设计、虚拟的电路实验,可提高工程师工作效率、节约学习时间,使实物图更直观。


掌握电路工作原理

教你三步看懂电路图,看懂电路图首先得掌握电路工作原理,接下来会讲到如何掌握电路工作原理。

(1)分析主电路。从主电路人手,根据每台电动机和执行电器的控制要求去分析各电动机和执行电器的控制内容,如电动机启动、转向控制、制动等基本控制环节。

(2)分析辅助电路。看辅助电路电源,弄清辅助电路中各电器元件的作用及其相互间的制约关系。

(3)分析联锁与保护环节。生产机械对于安全性、可靠性有很高的要求,实现这些要求,除了合理地选择拖动、控制方案以外,在控制线路中还设置了一系列电气保护和必要的电气联锁。

(4)分析特殊控制环节。在某些控制线路中,还设置了一些与主电路、控制电路关系不密切,相对独立的某些特殊环节。如产品计数装置、自动检测系统、晶闸管触发电路、自动调温装置等。这些部分往往自成一个小系统,其读图分析的方法可参照上述分析过程,并灵活运用所学过的电子技术、交流技术、自控系统、检测与转换等知识逐一分析。

(5)总体检查。经过化整为零,逐步分析了每一局部电路的工作原理以及各部分之间的控制关系之后,还必须用集零为整的方法,检查整个控制线路,看是否有遗漏。最后还要从整体角度去进一步检查和理解各控制环节之间的联系,以达到清楚地理解电路图中每一电气元器件的作用、工作过程及主要参数。


教你三步看懂电路图

看懂电路图的工作原理后,下面就是教你三步看懂电路图


1、根据由大到小,由粗到细的顺序识读各种电路图

一般的电路图主要有整机或系统方框图、板块或系统电路原理图、印刷电路板图和板块连线图等类型。这些电路图各有各的用途和特点,但又有内在联系。在识读这些电路图时,可以按照由大到小、由粗到细的顺序来识读。这个顺序符合人们认识事物的一般规律,实践证明是行之有效的办法,可使初学者少走许多弯路。


2、根据基本电路程式可以识读电路方框图(系统、板块或整机)

整机电路图有几种类型,其中组成方框图是其它类型电路图的基础,也是识读电路图的基础。方框图又有整机简化方框图、整机详细方框图、板块组成方框图及系统方框图等类型。有时,读者手边资料不全,可能没有上述各种方框图,或者方框图类型不全,为了正确、深入地读图,读者应当画出参考性组成方框图。

根据基本电路程式,可画出电路方框图。根据整机电路原理图的电路程式可画出整机组成方框图,根据板块电路图的电路程式可画出板块系统组成方框图,根据系统电路图的电路程式可画出系统方框图。电路组成方框图不反映电路的具体结构,主要是反映电路的功能,反映信号的变换过程,反映各级电路或各系统电路之间的联系,反映各种信号的来龙去脉。实际上,看电路图的重要任务之一,就是研究分析传输信号的内容、种类、波形及它们的变换规律。绘制方框图的过程是认识电路的实践过程,是分析研究电路的一个实践阶段,可为深入识读实用电路图奠定思想和物质基础。所画方框图可反映读者识读结果和水平。


3、根据整机信号变换原理来剖析实用电路原理图(系统、板块及整机)

在识读方框图基础上,还必须进一步识读具体的实用电路原理图。欲真正理解电路原理图,必须结合整机的基本原理来进行识读,也就是说,要分析通过什么具体电路来完成信号处理过程,为什么使用该电路完成此功能,而不是使用其它别的电路。

根据电路功能的粗细、大小,可将实用电路图分为单元电路图、系统电路图、板块电路图及整机电路图等。由于集成化水平日益提高,大量的单元电路已进入集成芯片内,因而目前剖析实用电路图主要是剖析系统电路图和板块电路图。实际上,识读系统电路和板块电路主要是识读集成电路,即识读集成块的类型功能、信号处理过程以及引出脚的功能,还要识读各集电电路之间的联系、集成电路与外围电路或元件的联系等。


教你三步看懂电路图-看电路图的方法与步骤举例说明

1、判断信号处理流程方向

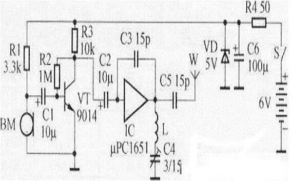
根据电路图的整体功能,找出整个电路圆的总输入端和总输出端,即可判断出电路图的信号处理流程方向。无线话筒的功能是将话音信号调制到高频信号上发射出去,图1电路图中,话筒BM为总输入端,天线W为总输出端。从总输入端到总输出端即为信号处理流程方向,图1为从左到右的方向依次排列。

教你三步看懂电路图


2、划分单元电路

一般来讲,晶体管、集成电路等是各单元电路的核心元器件。因此,我们可以以晶体管或集成电路等主要元器件为标志,按照信号处理流程方向将电路图分解为若干个单元电路,并据此画出电路原理方框图。方框图有助于我们掌握和分析电路图。


3、分析直流供电电路

电路图中通常将电源安排在右侧,直流供电电路按照从右到左的方向排列。图1中,整机电路的直流工作电源是6伏电池,R4、C6和稳压二极管VD构成稳压电路,以提高电路工作的稳定性。S为电源开关。


电路图分类


1、原理图

又被叫做“电原理图”。这种图,由于它直接体现了电子电路的结构和工作原理,所以一般用在设计、分析电路中。分析电路时,通过识别图纸上所画的各种电路元件符号,以及它们之间的连接方式,就可以了解电路实际工作时的原理,原理图就是用来体现电子电路的工作原理的一种工具。


2、方框图

简称框图,方框图是一种用方框和连线来表示电路工作原理和构成概况的电路图。从根本上说,这也是一种原理图,不过在这种图纸中,除了方框和连线,几乎就没有别的符号了。它和上面的原理图主要的区别就在于原理图上详细地绘制了电路的全部的元器件和它们的连接方式,而方框图只是简单地将电路按照功能划分为几个部分,将每一个部分描绘成一个方框,在方框中加上简单的文字说明,在方框间用连线(有时用带箭头的连线)说明各个方框之间的关系。所以方框图只能用来体现电路的大致工作原理,而原理图除了详细地表明电路的工作原理之外,还可以用来作为采集元件、制作电路的依据。


3、装配图

它是为了进行电路装配而采用的一种图纸,图上的符号往往是电路元件的实物的外形图。我们只要照着图上画的样子,依样画葫芦地把一些电路元器件连接起来就能够完成电路的装配。这种电路图一般是供初学者使用的。 装配图根据装配模板的不同而各不一样,大多数作为电子产品的场合,用的都是下面要介绍的印刷线路板,所以印板图是装配图的主要形式。 在初学电子知识时,为了能早一点接触电子技术,我们选用了螺孔板作为基本的安装模板,因此安装图也就变成另一种模式。


4、印板图

印板图的全名是“印刷电路板图”或“印刷线路板图”,它和装配图其实属于同一类的电路图,都是供装配实际电路使用的。 印刷电路板是在一块绝缘板上先覆上一层金属箔,再将电路不需要的金属箔腐蚀掉,剩下的部分金属箔作为电路元器件之间的连接线,然后将电路中的元器件安装在这块绝缘板上,利用板上剩余的金属箔作为元器件之间导电的连线,完成电路的连接。由于这种电路板的一面或两面覆的金属是铜皮,所以印刷电路板又叫“覆铜板”。印板图的元件分布往往和原理图中大不一样。这主要是因为,在印刷电路板的设计中,主要考虑所有元件的分布和连接是否合理,要考虑元件体积、散热、抗干扰、抗耦合等等诸多因素,综合这些因素设计出来的印刷电路板,从外观看很难和原理图完全一致;而实际上却能更好地实现电路的功能。 随着科技发展,现在印刷线路板的制作技术已经有了很大的发展;除了单面板、双面板外,还有多面板,已经大量运用到日常生活、工业生产、国防建设、航天事业等许多领域。 在上面介绍的四种形式的电路图中,电原理图是最常用也是最重要的,能够看懂原理图,也就基本掌握了电路的原理,绘制方框图,设计装配图、印板图这都比较容易了。掌握了原理图,进行电器的维修、设计,也是十分方便的。因此,关键是掌握原理图。


联系方式:邹先生

联系电话:0755-83888366-8022

手机:18123972950

QQ:2880195519

联系地址:深圳市福田区车公庙天安数码城天吉大厦CD座5C1


请搜微信公众号:“KIA半导体”或扫一扫下图“关注”官方微信公众号

请“关注”官方微信公众号:提供 MOS管 技术帮助