逆变器电路图-解析逆变器电路图及原理详解-KIA MOS管
信息来源:本站 日期:2018-04-18

逆变器是通过半导体功率开关的开通和关断作用,把直流电能转变成交流电能的一种变换装置,是整流变换的逆过程。
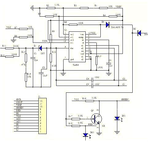
车载逆变器的整个电路大体上可分为两大部分,每部分各采用一只494或7500芯片组成控制电路,其中第一部分电路的作用是将汽车电瓶等提供的12V直流电,通过高频PWM (脉宽调制)开关电源技术转换成30kHz-50kHz、220V左右的交流电;第二部分电路的作用则是利用桥式整流、滤波、脉宽调制及开关功率输出等技术,将30kHz~50kHz、220V左右的交流电转换成50Hz、220V的交流电。
(1)脚第一组放大器的同相输入端,检测输出电流,与3个0.33R电阻分压,当电流过大时,分压电阻上的电压超过(2)脚基准电压,(3)脚放大器输出端输出高电平,(3)脚为高电平时,电路进入保护状态。(2)脚为比较器的反相输入端,接(14)脚基准,作比较器的参考电压,外部输入端的控制信号可输入至脚(4)的截止时间控制端(也叫死区时间控制),与脚(1)、(2)、(15)、(16)误差放大器的输入端,其输入端点的抵补电压为120mV,其可限制输出截止时间至最小值,大约为最初锯齿波周期时间的4%。当13脚的输出模控制端接地时,可获得96%最大工作周期,而当(13)脚接制参考电压时,可获得48%最大工作周期。如果我们在第4脚截止时间控制输入端设定一个固定电压,其范围由0V至3.3V之间,则附加的截止时间一定出现在输出上。 (5)、(6)脚是一个固定频率的脉冲宽度调制电路,内置了线性锯齿波振荡器,振荡频率可通过外部的一个电阻和一个电容进行调节,其振荡频率如下:
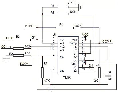
输出脉冲的宽度是通过电容CT上的正极性锯齿波电压与另外两个控制信号进行比较来实现。功率输出管Q1和Q2受控于或非门。当双稳触发器的时钟信号为低电平时才会被选通,即只有在锯齿波电压大于控制信号期间才会被选通。当控制信号增大,输出脉冲的宽度将减小。(7)脚接地端,(8)、(11)脚是Q1和Q2内部开关管的集电极,在此电路中接电源,(9)、(10)脚为Q1、Q2的发射极,作开关管驱动输出端,接下图中Q1与Q2外部放大电路。以驱动后极推挽电路。(12)脚电源端,(13)脚为输出控制端,接(14)脚基准电压时两路输出脉冲相差180方位,每路输出量大约200MA的驱动推挽或半桥式电路。(15)、脚第二组放大器的反相输入端,接基准电压, (16)脚同相输入端,检测电源电压。当电压过高超过(15)脚参考电压时,(3)脚输出高电平,电路进入保护状态。
这是一个推挽式拓扑逆变电路,当E1驱动脉冲驱动时,Q1导通,使VT3、VT6导通,VT7、VT8截止,此时电路进行正半周波形放大,变压器升压到次级,通过高频整流管整流,当E2脉冲驱动时,Q2导通,驱动VT7、VT8导通。VT3、VT6截止,进得负半周波形放大。经升压变压器升压后,高频整流。
(此VT3\6\7\8以推挽方式存在于电路中,各负责正负半周的波形放大任务,电路工作时,两只对称的功率开关管每次只有一对导通,所以导通损耗小效率高。推挽输出既可以向负载灌电流.)

最后由TL494CN芯片的5脚外接点容C3和6脚外接电阻R15决定脉宽频率为F=1.1÷(0.1×220)KHZ=50HZ控制Q10、Q11、Q13、Q14工作在50HZ的频率下,将220V直流电逆变为220V/50HZ的交流电,上图将完成这部分功能。TL494正向时,IC2控制Q3为饱和导通状态,Q4为截止状态,由于Q3为饱和导通状态,则Q10为饱和导通状态。由于Q4处于截止状态,Q11因栅极无正偏压而处于截止状态,同时Q14因栅极无正偏压而处于截止状态, Q13为饱和导通状态。此时220V直流电经VT6沿XAC插座到负载再经VT10接地,形成正半周期电流;反向时,IC2控制Q3为截止状态,Q4为饱和导通状态,由于Q3为截止状态,则Q10、Q13因栅极无正偏压而处于截止状态,由于Q4为饱和导通状态,Q11处于饱和导通状态,同时Q14处于饱和导通状态,Q11因栅极无正偏压而处于截止状态。此时220V直流电经VT9沿XAC插座到负载再经VT7接地,形成负半周期电流;这样接将220V直流电成功转变为220V/50HZ交流电输出供负载使用。
电路中采用双运放比较放大器LM358来控制输出过流保护,输出电压过低保护电路,TL431在此设制2.5V基准电压,给比较器同相输入端作参考电压,第一组运放的同相输入端接输出电流检测,反相输入端接参考电压,当电流过大,比较器输入电压升高,当超过2.5V时,输出端输出高电平,送入IC1的3脚,IC关闭输出。第二组运放同相输入端接参考电压,反相输入端接输出电压,当电压过低,检测分压后电压低于2.5V时,输出端输出高电平,Q1导通,蜂鸣器报警。
1.直流电可以通过震荡电路变为交流电
2.得到的交流电再通过线圈升压(这时得到的是方形波的交流电)
3.对得到的交流电进行整流得到正弦波
AC-DC就比较简单了 我们知道二极管有单向导电性
可以用二极管的这一特性连成一个电桥
让一端始终是流入的 另一端始终是流出的这就得到了电压正弦变化的直流电 如果需要平滑的直流电还需要进行整流 简单的方法就是连接一个电容
Inverter 是一种DC to AC的变压器,它其实与Adapter是一种电压逆变的过程。Adapter是将市电电网的交流电压转变为稳定的12V直流输出,而Inverter是将 Adapter输出的12V直流电压转变为高频的高压交流电;两个部分同样都采用了目前用得比较多的脉宽调制(PWM)技术。其核心部分都是一个PWM集 成控制器,Adapter用的是UC3842,I
nverter则采用TL5001芯片。TL5001的工作电压范围3.6~40V,其内部设有一个误差放大器,一个调节器、振荡器、有死区控制的PWM发生器、低压保护回路及短路保护回路等。
以下将对Inverter的工作原理进行简要介绍:
输入接口部分:
输 入部分有3个信号,12V直流输入VIN、工作使能电压ENB及Panel电流控制信号DIM。VIN由Adapter提供,ENB电压由主板上的MCU 提供,其值为0或3V,当ENB=0时,Inverter不工作,而ENB=3V时,Inverter处于正常工作状态;而DIM电压由主板提供,其变化 范围在0~5V之间,将不同的DIM值反馈给PWM控制器反馈端,Inverter向负载提供的电流也将不同,DIM值越小,Inverter输出的电流 就越大。
电压启动回路:
ENB为高电平时,输出高压去点亮Panel的背光灯灯管。
PWM控制器:
有以下几个功能组成:内部参考电压、误差放大器、振荡器和PWM、过压保护、欠压保护、短路保护、输出晶体管。
直流变换:
由MOS开关管和储能电感组成电压变换电路,输入的脉冲经过推挽放大器放大后驱动MOS管做开关动作,使得直流电压对电感进行充放电,这样电感的另一端就能得到交流电压。
LC振荡及输出回路:
保证灯管启动需要的1600V电压,并在灯管启动以后将电压降至800V。
输出电压反馈:
当负载工作时,反馈采样电压,起到稳定Inventer电压输出的作用。
其实你可以想象一下了.都有那些电子元件需要正负极,电阻,电感一般不需要.二极管一般坏的可能就是被击穿只要电压正常一般是没有问题的,三极管的话是不会 导通的.稳压管如果正负接反的话就会损坏了,但一般有的电路加了保护就是利用二极管的单向导通来保护.在就是电容了,电容里有正负之分的就是电解电容了, 如果正负接反严重的话其外壳发生爆裂.
主要元件二极管.开关管振荡变压器.取样.调宽管.还有振荡回路电阻电容等参开关电路原理.
逆变器的主功率元件的选择至关重要,目前使用较多的功率元件有达林顿功率晶体管(BJT),功率场效应管(MOSFET),绝缘栅晶体管(IGBT)和可关 断晶闸管(GTO)等,在小容量低压系统中使用较多的器件为MOSFET,因为MOSFET具有较低的通态压降和较高的开关频率,在高压大容量系统中一般 均采用IGBT模块,这是因为MOSFET随着电压的升高其通态电阻也随之增大,而IGBT在中容量系统中占有较大的优势,而在特大容量(100KVA以 上)系统中,一般均采用GTO作为功率元件
大件:场效应管或IGBT、变压器、电容、二极管、比较器以及3525之类的主控。交直交逆变还有整流滤波。
功率大小和精度,关系着电路的复杂程度。
可以看一下手机充电器,这就是一个小开关电源!
IGBT(绝 缘栅双极晶体管)作为新型电力半导体场控自关断器件,集功率MOSFET的高速性能与双极性器件的低电阻于一体,具有输入阻抗高,电压控制功耗低,控制电 路简单,耐高压,承受电流大等特性,在各种电力变换中获得极广泛的应用。与此同时,各大半导体生产厂商不断开发IGBT的高耐压、大电流、高速、低饱和压 降、高可靠性、低成本技术,主要采用1um以下制作工艺,研制开发取得一些新进展。
联系方式:邹先生
联系电话:0755-83888366-8022
手机:18123972950
QQ:2880195519
联系地址:深圳市福田区车公庙天安数码城天吉大厦CD座5C1
请搜微信公众号:“KIA半导体”或扫一扫下图“关注”官方微信公众号

请“关注”官方微信公众号:提供 MOS管 技术帮助