解析7805稳压电源电路图 7805稳压工作原理及典型电路 KIA MOS管
信息来源:本站 日期:2018-04-16
此稳压电源可调范围在3.5V~25V之间任意调节,输出电流大,并采用可调稳压管式电路,从而得到满意平稳的输出电压。
工作原理:经整流滤波后直流电压由R1提供给调整管的基极,使调整管导通,在V1导通时电压经过RP、R2使V2导通,接着V3也导通,这时V1、V2、V3的发射极和集电极电压不再变化(其作用完全与稳压管一样)。调节RP,可得到平稳的输出电压,R1、RP、R2与R3比值决定本电路输出的电压值。
元器件选择:变压器T选用80W~100W,输入AC220V,输出双绕组AC28V。FU1选用1A,FU2选用3A~5A。VD1、VD2选用 6A02。RP选用1W左右普通电位器,阻值为250K~330K,C1选用3300μF/35V电解电容,C2、C3选用0.1μF独石电容,C4选用 470μF/35V电解电容。R1选用180~220Ω/0.1W~1W,R2、R4、R5选用10KΩ、1/8W。V1选用2N3055,V2选用 3DG180或2SC3953,V3选用3CG12或3CG80。
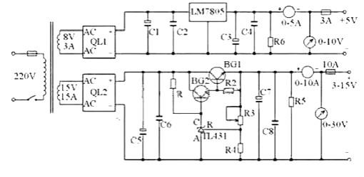
无论检修电脑还是电子制作都离不开稳压电源,下面介绍一款直流电压从3V到15V连续可调的稳压电源,最大电流可达10A,该电路用了具有温度补偿特性的,高精度的标准电压源集成电路431,使稳压精度更高,如果没有特殊要求,基本能满足正常维修使用,电路见下图。
其工作原理分两部分,第一部分是一路固定的5V1.5A稳压电源电路,第二部分是另一路由3至15V连续可调的高精度大电流稳压电路。
第一路的电路非常简单,由变压器次级8V交流电压通过硅桥QL1整流后的直流电压经C1电解电容滤波后,再由5V三端稳压块KIA7805不用作任何调整就可在输出端产生固定的5V1A稳压电源,这个电源在检修电脑板时完全可以当作内部电源使用。
第二部分与普通串联型稳压电源基本相同,所不同的是使用了具有温度补偿特性的,高精度的标准电压源集成电路431,所以使电路简化,成本降低,而稳压性能却很高。图中电阻R4,稳压管TL431,电位器R3组成一个连续可调得恒压源,为BG2基极提供基准电压,稳压管TL431的稳压值连续可调,这个稳压值决定了稳压电源的最大输出电压,如果你想把可调电压范围扩大,可以改变R4 和R3的电阻值,当然变压器的次级电压也要提高。
变压器的功率可根据输出电流灵活掌握,次级电压15V左右。桥式整流用的整流管QL用15-20A硅桥,结构紧凑,中间有固定螺丝,可以直接固定在机壳的铝板上,有利散热。调整管用的是大电流NPN型金属壳硅管,由于它的发热量很大,如果机箱允许,尽量购买大的散热片,扩大散热面积,如果不需要大电流,也可以换用功率小一点的硅管,这样可以做的体积小一些。滤波用50V4700uF电解电容C5和C7分别用三只并联,使大电流输出更稳定,另外这个电容要买体积相对大一点的,那些体积较小的同样标注50V4700uF尽量不用,当遇到电压波动频繁,或长时间不用,容易失效。
最后再说一下电源变压器,如果没有能力自己绕制,有买不到现成的,可以买一块现成的200W以上的开关电源代替变压器,这样稳压性能还可进一步提高,制作成本却差不太多,其它电子元件无特殊要求,安装完成后不用太大调整就可正常工作。
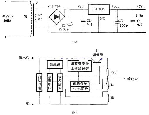
如图所示电路为输出电压+5V、输出电流1.5A的稳压电源。它由电源变压器B,桥式整流电路D1~D4,滤波电容C1、C3,防止自激电容C2、C3和一只固定式三端稳压器(7805)极为简捷方便地搭成的。
220V交流市电通过电源变压器变换成交流低压,再经过桥式整流电路D1~D4和滤波电容C1的整流和滤波,在固定式三端稳压器KIA7805的Vin和GND两端形成一个并不十分稳定的直流电压(该电压常常会因为市电电压的波动或负载的变化等原因而发生变化)。
此直流电压经过KIA7805的稳压和C3的滤波便在稳压电源的输出端产生了精度高、稳定度好的直流输出电压。本稳压电源可作为TTL电路或单片机电路的电源。三端稳压器是一种标准化、系列化的通用线性稳压电源集成电路,以其体积小、成本低、性能好、工作可靠性高、使用简捷方便等特点,成为目前稳压电源中应用最为广泛的一种单片式集成稳压器件。
联系方式:邹先生
联系电话:0755-83888366-8022
手机:18123972950
QQ:2880195519
联系地址:深圳市福田区车公庙天安数码城天吉大厦CD座5C1
请搜微信公众号:“KIA半导体”或扫一扫下图“关注”官方微信公众号
请“关注”官方微信公众号:提供 MOS管 技术帮助
