实亿国际

实亿国际

国家高新企业

cn

新闻中心

实亿国际常用大全电机控制电路图-识图电机控制器原理讲解-KIA MOS管

信息来源:本站 日期:2018-04-18 

分享到:

电机控制器,顾名思义,就是对电机实现控制,其主要是通过计算机编程来操作电机驱动器来实现的,具有适用范围较广、编程较灵活等特点,现已得到广泛应用,接下来小编就对电机控制器原理做以详细介绍。

电机控制电路图

一、电机控制器原理-简介

电机控制器,英文名称为controller,是一种用于控制电机操作的器件,其功能通常通过集成电路来实现,而非一个独立的仪器装置。电机控制器具有免维护、响应速度快、对电机的控制稳定等特点,现已在家用电器、工业控制、军事、汽车等多个领域得到广泛应用,如打印机、工厂自动化、机械人等。


电机它的主要作用是产生驱动转矩,作为用电器或各种机械的动力源。发电机在电路中用字母G表示。它的主要作用是利用电能转化为机械能。


电动机主要包括一个用以产生磁场的电磁铁绕组或分布的定子绕组和一个旋转电枢或转子和其它附件组成。在定子绕组旋转磁场的作用下,其在电枢鼠笼式铝框中有电流通过并受磁场的作用而使其转动。


常见电动机控制电路图

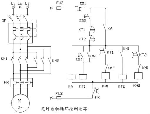
1、定时自动循环控制电路

说明:

电机控制电路图

题图中的三相异步电动机容量为1.5KW,要求电路能定时自动循环正反转控制;正转维持时间为20秒钟,反转维持时间为40秒钟。

按原理图在配电板上配线,要求线路明快、工艺合理、接点牢靠。

简述电路工作原理

注:时间继电器的延时时间不得小于15秒,时间调整应从长向短调。

定时自动循环控制电路电路工作原理:合上电源开关QF,按保持按钮SB2,中间继电器KA吸合,KA的自保触点与按钮SB2、KT1、KT2断电延时闭合的动断触点组成的串联电路并联,接通了起动控制电路。按起动按钮SB3,时间继电器KT1得电,其断电延时断开的动合触点KT1闭合,接触器KM1线圈得电,主触点闭合,电动机正转(正转维持时间为20秒计时开始)。同时KM1动合触点接通了时间继电器KT2,其串联在接触器KM2线圈回路中的断电延时断开的动合触点KT2闭合,由于KM1的互锁触点此时已断开,接触器KM2线圈不能通电。当正转维持时间结束后,断电延时断开的动合触点KT1断开,KM1释放,电动机正转停止。KM1的动断触点闭合,接触器KM2线圈得电,主触点闭合,电动机开始反转.同时KM1动合触点断开了时间继电器KT2线圈回路(反转维持时间为40秒计时开始)。这时KM2动合触点又接通了KT1线圈,断电延时断开的动合触点KT1闭合,为下次电动机正转作准备。因此时串联在接触器KM1线圈回路中的KM2互锁触点断开,接触器KM1线圈暂时不得电。与按钮SB2串联的KT1、KT2断电延时闭合的动断触点是保证在电动机自动循环结束后,才能再次起动控制电路。 热继电器FR常闭触点,是在电动机过负载或缺相过热时将控制电路自动断开,保护了电动机。


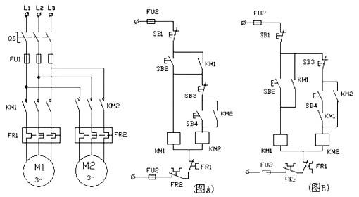
2、顺序控制电路

电机控制电路图

顺序控制电路工作原理:图A:KM2线圈电路由KM1线圈电路起动、停止控制环节之后接出。按下起动按钮SB2,KM1线圈得电吸合并自锁,此时才能控制KM2线圈电路。停止按钮SB3只能控制M2电动机的停转,停止按钮SB1为全停按钮。本电路只有满足M1电动机先起动的条件,才能起动M2电动机。

图B:控制电路由KM1线圈电路和KM2线圈电路单独构成。KM1的动合触点作为一控制条件,串接在KM2线圈电路中,只有KM1线圈得电吸合,其辅组助动合触点闭合,此时才能控制KM2线圈电路。停止按钮SB3只能控制M2电动机的停转,停止按钮SB1为全停按钮。本电路只有满足M1电动机先起动的条件,才能起动M2电动机。


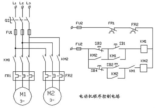
3、电动机顺序控制电路

电机控制电路图

说明:

1、本电路起动顺序是先M1电动机,后M2电动机;停止顺序则相反。

2、PLC编程器连接及通电操作。

3、清零操作;程序写入操作;根据梯形图写出指令表。

主机上用导线连接电动机顺序控制。

电动机顺序控制电路工作原理:合上电源开关QS,按下起动按钮SB1,接触器KM1得电吸合并自保,M1电动机起动运转。KM1的另一动合触点闭合,为接触器KM2得电作准备。按下起动按钮SB2,接触器KM2得电吸合并自保,M2电动机起动运转。起动顺序是先KM1吸合,M1电动机起动运转;后KM2吸合,M2电动机起动运转。停车顺序是:只有先按下按钮SB4,使接触器KM2断电释放,KM2的动合触点断开,M2电动机停转后再按SB3,M1电动机才能停止运转。热继电器FR1、FR2常闭触点,是在电动机过负载或缺相过热时将控制电路自动断开,保护了电动机。


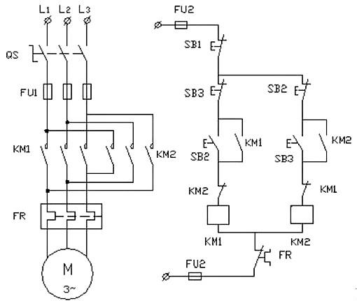
4、异步电动机可逆控制电路

电机控制电路图

可逆控制电路(范例)电路工作原理:

(图A)按下SB2,KM1得电吸合,电动机起动正转。按下SB1,KM1断电释放,电动机停转。按下SB3,KM2得电吸合,电动机起动反转。按下SB1,KM2断电释放,电动机停转。缺点:不能同时按下SB2 、SB3按钮,否则电源将短路,电动机无法工作。原因:主电路接触器KM1、KM2连接到电动机M的是两种相序的电源,若同时吸合,在接触器连接点上电源被短路。

(图B)原理同图A。在KM1线圈电路中串接了KM2的一个动断触点:同样,在KM2线圈电路中串接了KM1的一个动断触点。这两个动断触点称互锁触点,这种互锁称电气互锁。保证了任何时候只有一只接触器吸合,避免了电源短路。缺点:必须先按停止按钮SB1,电动机停转后,才能起动电动机的另一旋转方向。

(图C)在上图基础上增加了由起动按钮的动断触点构成的机械互锁。如:按下SB2,串接在KM2线圈电路中SB2动断触点断开了KM2线路。保证了两个接触器不能同时吸合,又能不按停止按钮直接起动电动机另一旋转方向。


5、双重连锁可逆控制电路

电机控制电路图

说明:(高级)

1、按原理图在配电板上配线,要求线路明快、工艺合理、接点牢靠。

2、简述电路工作原理

双重连锁可逆控制电路工作原理:按起动按钮SB2,KM1吸合并自保,电动机正转。与按钮SB2常触开点并联的KM1触点为自保触点。按起动按钮SB3,KM1断电释放,KM2吸合并自保,电动机反转。SB1为停止按钮。电路由按钮SB2、SB3的动断触点实现了机械联锁,串联在交流接触器线圈KM1、KM2中的KM2、KM1辅助动断触点实现了电气联锁。串联在控制电路中的FR动断触点,是在电动机过负载或缺相过热时热继电器将控制电路自动断开,保护了电动机。


6、限位开关控制自动往复电路(1)

电机控制电路图

限位开关控制自动往复电路(1)工作原理:按起动按钮SB2,KM1吸合并自保,电动机正转,带动机械设备左移。当撞块碰压行程开关SQ2时,KM1断电,KM2得电吸合并自保,电动机反转,机械设备右移。当撞块碰压行程开关SQ1时,KM2断电,KM1得电,电动机又正转左移。SB1为停止按钮。电路由按钮SB2、SB3及行程开关SQ1、 SQ2的动断触点实现了机械联锁,串联在交流接触器线圈KM1、KM2中的KM2、KM1辅助触点实现了电气联锁。串联在控制电路中的FR常闭触点,是在电动机过负载或缺相过热时热继电器将控制电路自动断开,保护了电动机。


7、限位开关控制自动往复电路(2)

电机控制电路图

限位开关控制自动往复电路(2)电路工作原理:

按起动按钮SB2,KM1吸合并自保,电动机正转,带动机械设备左移。当撞块碰压行程开关SQ2时,KM1断电,KM2得电吸合并自保,电动机反转,机械设备右移。当撞块碰压行程开关SQ1时,KM2断电,KM1得电,电动机又正转左移。SB1为停止按钮。电路由按钮SB2、SB3及行程开关SQ1、 SQ2的动断触点实现了机械联锁,串联在交流接触器线圈KM1、KM2中的KM2、KM1辅助触点实现了电气联锁。串联在控制电路中的FR常闭触点,是在电动机过负载或缺相过热时热继电器将控制电路自动断开,保护了电动机。

SQ3、SQ4S是左移和右移的终端位置行程开关。


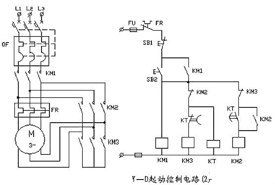
8、星形—三角形起动控制电路

电机控制电路图

星形—三角形起动控制电路工作原理:

按起动按钮SB2,接触器KM1、KM3和时间继电器KT线圈得电吸合并自保,电动机星形(Y)接法起动。当KT预定延时时间结束时,KM3线圈电路中的通电延时断开的动断触点断开,KM3断电释放,电动机星接(Y)起动结束。此时,KM2线圈电路中的通电延时闭合的动合触点闭合。KM2线圈得电吸合,电动机改为三角形(△)接法运转。串联在接触器线圈KM3、KM2电路中的KM2、KM3辅助动合触点实现了电气联锁。串联在控制电路中的FR动断触点,是在电动机过负载或缺相过热时热继电器将控制电路自动断开,保护了电动机。

星形—三角形起动控制电路(2)

电机控制电路图

星形—三角形起动控制电路(3)

电机控制电路图

星形—三角形起动控制电路(3)工作原理:

按起动按钮SB2,接触器KM3、KM1和时间继电器KT线圈得电吸合并自保,电动机星形(Y)接法起动。当KT预定延时时间结束时,KM3线圈电路中的通电延时断开的动断触点断开,KM3断电释放,电动机星接(Y)起动结束,KM2线圈得电吸合,电动机改为三角形(△)接法运转。串联在控制电路中的FR动断触点,是在电动机过负载或缺相过热时热继电器将控制电路自动断开,保护了电动机。


9、自耦变压器减压起动起动控制电路

电机控制电路图

自耦变压器减压起动控制电路工作原理:

合上电源开关,按起动按钮SB2,接触器KM1线圈得电吸合并自保,将自耦变压器T接入,电动机定子绕组经自耦变压器供电减压起动;同时,KT线圈得电吸合,计时开始。当KT整定延时时间结束时,其通电延时闭合的动合触点闭合,使中间继电器KA的线圈得电吸合并自保,KM1断电释放,其主触点断开; KM2线圈得电吸合,其主触点闭合,自耦变压器被切除,电动机全压运行。

自耦变压器减压起动起动控制电路(2)

电机控制电路图


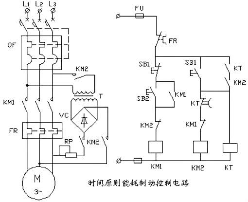
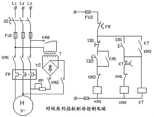
10、时间原则能耗制动控制电路

电机控制电路图

时间原则能耗制动控制电路工作原理:

合上电源开关,按起动按钮SB2,接触器KM1线圈得电吸合并自保,电动机起动运转。当按停止按钮SB1时,KM1线圈断电释放,其主触点断开,定子绕组断电;同时,KM2、KT线圈得电吸合并,KM2主触点闭合,电动机二相定子绕组接入直流电源进行能耗制动。使电动机转速迅速下降,当机转接近零时,时间继电器KT延时时间到。其通电延时断开的动断触点断开,使KM2、KT线圈相继断电释放,制动过程结束。

RP为调节制动力大小的限流电阻。


11、电动机电容制动制动控制电路

电机控制电路图


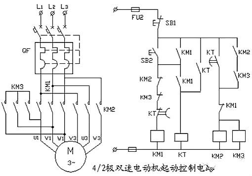
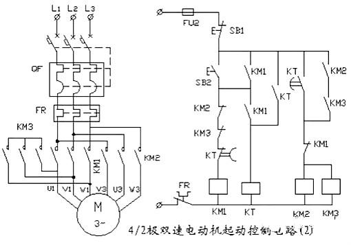
12、4/2极双速电动机起动电路

电机控制电路图

4/2极双速电动机起动控制电路工作原理:

图中KM1为三角形接法(△)接触器,KM2、 KM3为双星形接法(YY)接触器。

合上电源开关,按起动按钮SB2,接触器KM1、KT线圈相继得电吸合并自保,电动机定子绕组接成三角形接法(△)4极起动;经一定时间延时后,KT的通电延时断开的动断触点断开,KM1断电释放,KT的通电延时闭合的动合触点闭合,KM2、 KM3线圈得电吸合并自保,电动机定子绕组接成双星形接法(YY)2极运转。

由于双速电动机定子绕组的接线原因,换极的同时应改变电源的相序。


13、4/2极双速电动机起动电路(2)

电机控制电路图

4/2极双速电动机起动控制电路工作原理:

图中KM1为三角形接法(△)接触器,KM2、 KM3为双星形接法(YY)接触器。

合上电源开关,按起动按钮SB2,接触器KM1、KT线圈相继得电吸合并自保,电动机定子绕组接成三角形接法(△)4极起动;经一定时间延时后,KT的通电延时断开的动断触点断开,KM1断电释放,KT的通电延时闭合的动合触点闭合,KM2、 KM3线圈得电吸合并自保,电动机定子绕组接成双星形接法(YY)2极运转。

由于双速电动机定子绕组的接线原因,换极的同时应改变电源的相序。

串联在控制电路中的FR动断触点,是在电动机过负载或缺相过热时热继电器将控制电路自动断开,保护了电动机。


联系方式:邹先生

联系电话:0755-83888366-8022

手机:18123972950

QQ:2880195519

联系地址:深圳市福田区车公庙天安数码城天吉大厦CD座5C1


请搜微信公众号:“KIA半导体”或扫一扫下图“关注”官方微信公众号

请“关注”官方微信公众号:提供  MOS管  技术帮助

电机控制电路图

相关搜索:

报警器电路图

锂电池保护板电路图

场效应管功放电路图

7805稳压电源电路图

场效应管捕鱼机电路图

场效应管开关电路图

12锂电池保护板电路图

逆变器电路图

场效应管实用电路图