实亿国际

实亿国际

国家高新企业

cn

新闻中心

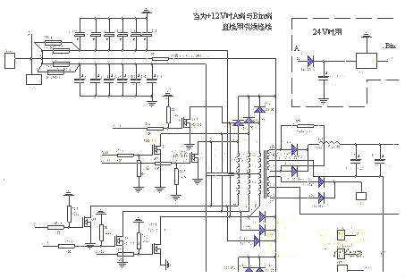
实亿国际逆变器电路图-逆变器电路图原理详解与电路分析-KIA MOS管

信息来源:本站 日期:2018-03-05 

分享到:

逆变电源

在进行电源设计时,效率与可靠性都是设计者首先考虑的因素,在设计逆变电源时更是如此。逆变电源可靠性的提升对于新手们来说是一个较为头疼的问题,虽然有资料可供参考,但其中值给出了部分方法,却没有给出一些技巧或原理上的讲解。


先从输入回路的电解电容讲起,逆变器的DC输入电流通常很大。12V1000W的逆变器输入电流最大可达120A以上,此时输入端的电解电容的选择就变得非常关键。如果选择不当,就会造成炸电解电容的故障。


实亿国际 这里并不是指选用一个较好的电容就可以,目前真正的低等效串联电阻与电感值的高频电解为数不多,并且价格昂贵。所以从实用性出发,目前主要靠普通电解多个并联法来降低电容的温升,同时注重风道散热设计来及时降温。当然,在“普通”中选好一点的品牌与品质的电解是必需的。


实亿国际 下面来说说对不同负载特性适应性问题。这里主要分成两个方面来讲。一:是逆变器自身的功率余量、允许最大带载启动输出电流与过流保护措施。二:是对不同特性如感性、容性、负阻性等负载的适应性。


一般如果在技术上没处理好这些问题,产品在使用时就易出现各种问题。


“均流均压”这简简单单四个字里不但包含平衡驱动、PCB布线均衡(布线的DC、AC电阻相等)、还包含了管体散热均温、MOS管的Ron动静态匹配(选管)等问题。


实亿国际 除去并网之外,逆变器的自我保护问题也是影响着逆变器的可靠性。这其中包括限流保护模式、热关断保护、用户操作异常保护、负载异常保护、启动保护等等。


实亿国际 对于原器件的参数设定与选型一样会影响到产品的可靠性。但对MOS管、超快整流二极管来说,不同的封装形式对可靠性的影响有时差别十分明显,需要谨慎对待。

逆变电源

图1

图1是实测的推挽逆变电路的其中一边MOS管的G极波形(1:1蓝)与升压变压器的副边电压波(15:1黄),这是电路处在满载1000WDC+24V输入时的实测波形,可以看到另一路MOS管导通时串入到截止MOS管的G极的干扰尖刺波形。

逆变电源

图2

实亿国际 图2是使用推挽主功率的1/2电路原理图(另一半完全相同),前级为SG3525或UC3846。波形图为采用100KHz、EE55B升压主变、MOS管为早期IRFP150的实验波形,产生此波形的原因在于早期MOS管的“米勒”电容较大。


实亿国际 主变的“振铃尖刺”会通过A相或B相MOS管的结电容,在G极波形之间互串,即蓝色驱动波形中的“毛刺”部分。由于大部分逆变器的MOS管驱动部分的供电与主振荡IC一样,都为单电源供电(用SG3525输出直驱管MOS的同样较为常见),因此驱动波形以0V~+15V方波为多见,此时驱动波形如受到干扰(见上图尖刺部分),如接近达到MOS管的Vth值,对系统的不良影响是非常大的。


如果接近Vth值,那么效率与温升肯定会收到影响。如果采取一般的手段无法有效减低或避免这种干扰时,那么采用负压关断也就非常有必要了。这个问题在专业的量产方案中需要引起研发人员足够的重视。

逆变电源

图3

图3为实测逆变器满载时的推挽A相与B相MOS管的G极波形(1:10),由于采用了+15V开通、-5V关断的驱动方式,同时精选低Qgs的功率MOS管,驱动波形的“尖峰”干扰大为减少,也可看到由于采用了负压关断,满载时从对方相位串扰过来的“毛刺”被有效控制在0V线以内(见于图中红圈标注部分),确保截止时期的MOS管能绝对可靠地截止关断。

实亿国际 在说环路反馈与过流保护前,先来说说结构设计与主功率管的散热问题。

逆变电源

图4

实亿国际 举一个实例:某山寨小企业抄板了某个已成熟的逆变电路,此电路在别人那里反映不错,而在自己这里的产品却炸主功率MOS管的比例较高。摄氏25度环境时,输出满载1000W,10分钟后图4的B处(8个MOS管的中心位置)的温度比A处高出6~8度!C处(绿圈)最低,比B处低14~15度。(C处为进风口,D为风扇,样机为进风设计,据说是用以延长含油轴承的寿命),同样型号并联工作的功率MOS管,实际工作的温差那么大,对“均流”极其不利,所以更提不上高可靠性。



实亿国际 采用康铜丝采样时,由于为了减少损耗,一般输出电压极低,需放大后再作为反馈信号,多用作平均值限流控制,虽然响应速度慢,但却有限流精度高且稳定的优点,当蓄电池电压从14.5V下降到10.5V时,结合对限流值的补偿,可获得较理想的恒定输出功率,不会导致因蓄电池电压下降而影响逆变器的输出功率。


结合散热设计,对MOS管的并联来说,从参数筛选配对(如Ron、Qgs等的误差最好可以小于5%)到每个MOS管的PCB的走线参数(PCB布线的AC、DC阻抗)相近、驱动波形严格相同、工作时的温升变化同步一致等等,当然还有限流保护点的合理选定、装配焊接工艺的各个细节都不能掉以轻心,这样才能保证并联工作时的高可靠性。


电源逆变器使用常见问题

电源逆变器有哪些型号

实亿国际 目前在市场上销售的电源逆变器有 150W、400W、600W、1000W、1500W、2000W、3000W、225W手提式、400W手提式


如何选用合适的型号

选用电源逆变器可以根据您生活和工作中用途来选择。如:150W电源逆变器可以使用一台29寸彩电和一台VCD 机。

实亿国际 400W电源逆变器可以使用一般的电动工具。

实亿国际 1000W电源逆变器可以使用带动一台小型微波炉。


电源逆变器的保护装置有哪些

实亿国际 1) 温度保护。表面温度高于70℃,自动关断

2) 高电压保护。输入电压为16V±0.5V

实亿国际 3) 低电压报警。输入电压为10.5V±0.5V

实亿国际 4) 低电压保护。输入电压为10V±0.5V


联系方式:邹先生

联系电话:0755-83888366-8022

实亿国际 手机:18123972950

QQ:2880195519

实亿国际 联系地址:深圳市福田区车公庙天安数码城天吉大厦CD座5C1


关注KIA半导体工程专辑请搜微信号:“KIA半导体”或点击本文下方图片扫一扫进入官方微信“关注”。

关注「KIA半导体」,做优秀工程师!


实亿国际 长按二维码识别关注

阅读原文可一键关注+技术总汇

3000万彩票-追求健康,你我一起成长 乐发IV - welcome u284彩票- 欢迎您 实亿国际(中国区)官方网站 永兴集团yx06 5630彩票(中国区)官方网站 佰利乐·(中国区)有限公司官网 金彩汇 - welcome首页