实亿国际

实亿国际

国家高新企业

cn

新闻中心

实亿国际分析cmos电路逻辑及主要参数-cmos外形结构与工作速度详解-KIA MOS管

信息来源:本站 日期:2018-11-15 

分享到:

分析cmos电路逻辑

CMOS是单词的首字母缩写,集成电路是一块微小的硅片,它包含有几百万个电子元件。术语IC隐含的含义是将多个单独的集成电路集成到一个电路中,产生一个十分紧凑的器件。在通常的术语中,集成电路通常称为芯片,而为计算机应用设计的IC称为计算机芯片。

虽然制造集成电路的方法有多种,但对于数字逻辑电路而言CMOS是主要的方法。桌面个人计算机、工作站、视频游戏以及其它成千上万的其它产品都依赖于CMOS集成电路来完成所需的功能。当我们注意到所有的个人计算机都使用专门的CMOS芯片,如众所周知的微处理器,来获得计算性能时, CMOS IC的重要性就不言而喻了。CMOS之所以流行的一些原因为:

1、逻辑函数很容易用CMOS电路来实现。

2、CMOS允许极高的逻辑集成密度。其含义就是逻辑电路可以做得非常小,可以制造在极小的面积上。

3、用于制造硅片CMOS芯片的工艺已经是众所周知,并且CMOS芯片的制造和销售价格十分合理。

这些特征及其它特征都为CMOS成为制造IC的主要工艺提供了基础。CMOS可以作为学习在电子网络中如何实现逻辑功能的工具。CMOS它允许我们用简单的概念和模型来构造逻辑电路。而理解这些概念只需要基本的电子学概念。

分析cmos电路逻辑的系列及主要参数

1.分析cmos电路逻辑的系列

CMOS集成电路诞生于20世纪60年代末,经过制造工艺的不断改进,在应用的广度上已与TTL平分秋色,它的技术参数从总体上说,已经达到或接近TTL的水平,其中功耗、噪声容限、扇出系数等参数优于TTL。CMOS集成电路主要有以下几个系列。

(1)基本的CMOS——4000系列。

这是早期的CMOS集成逻辑门产品,工作电源电压范围为3~18V,由于具有功耗低、噪声容限大、扇出系数大等优点,已得到普遍使用。缺点是工作速度较低,平均传输延迟时间为几十ns,最高工作频率小于5MHz。

(2)高速的CMOS——HC(HCT)系列。

该系列电路主要从制造工艺上作了改进,使其大大提高了工作速度,平均传输延迟时间小于10ns,最高工作频率可达50MHz。HC系列的电源电压范围为2~6V。HCT系列的主要特点是与TTL器件电压兼容,它的电源电压范围为4.5~5.5V。它的输入电压参数为VIH(min)=2.0V;VIL(max)=0.8V,与TTL完全相同。另外,74HC/HCT系列与74LS系列的产品,只要最后3位数字相同,则两种器件的逻辑功能、外形尺寸,引脚排列顺序也完全相同,这样就为以CMOS产品代替TTL产品提供了方便。

(3)先进的CMOS——AC(ACT)系列

该系列的工作频率得到了进一步的提高,同时保持了CMOS超低功耗的特点。其中ACT系列与TTL器件电压兼容,电源电压范围为4.5~5.5V。AC系列的电源电压范围为1.5~5.5V。AC(ACT)系列的逻辑功能、引脚排列顺序等都与同型号的HC(HCT)系列完全相同。

2.cmos电路逻辑的主要参数

cmos电路逻辑主要参数的定义同TTL电路,下面主要说明cmos电路逻辑主要参数的特点。

(1)输出高电平VOH与输出低电平VOL。CMOS门电路VOH的理论值为电源电压VDD,VOH(min)=0.9VDD;VOL的理论值为0V,VOL(max)=0.01VDD。所以CMOS门电路的逻辑摆幅(即高低电平之差)较大,接近电源电压VDD值。

(2)阈值电压Vth。从CMOS非门电压传输特性曲线中看出,输出高低电平的过渡区很陡,阈值电压Vth约为VDD/2。

(3)抗干扰容限。CMOS非门的关门电平VOFF为0.45VDD,开门电平VON为0.55VDD。因此,其高、低电平噪声容限均达0.45VDD。其他CMOS门电路的噪声容限一般也大于0.3VDD,电源电压VDD越大,其抗干扰能力越强。

(4)传输延迟与功耗。CMOS电路的功耗很小,一般小于1 mW/门,但传输延迟较大,一般为几十ns/门,且与电源电压有关,电源电压越高,CMOS电路的传输延迟越小,功耗越大。前面提到74HC高速CMOS系列的工作速度己与TTL系列相当。

(5)扇出系数。因CMOS电路有极高的输入阻抗,故其扇出系数很大,一般额定扇出系数可达50。但必须指出的是,扇出系数是指驱动CMOS电路的个数,若就灌电流负载能力和拉电流负载能力而言,CMOS电路远远低于TTL电路。

分析cmos电路逻辑是在TTL电路问世之后 ,所开发出的第二种广泛应用的数字集成器件,从发展趋势来看,由于制造工艺的改进,CMOS电路的性能有可能超越TTL而成为占主导地位的逻辑器件 。CMOS电路的工作速度可与TTL相比较,而它的功耗和抗干扰能力则远优于TTL。此外,几乎所有的超大规模存储器件 ,以及PLD器件都采用CMOS艺制造,且费用较低。 早期生产的CMOS门电路为4000系列 ,随后发展为4000B系列。当前与TTL兼容的CMOS 器件如74HCT系列等可与TTL器件交换使用。

分析cmos电路逻辑-MOS管参数

1.开启电压VT

开启电压(又称阈值电压):使得源极S和漏极D之间开始形成导电沟道所需的栅极电压;·标准的N沟道MOS管,VT约为3~6V;·通过工艺上的改进,可以使MOS管的VT值降到2~3V。

2. 直流输入电阻RGS

即在栅源极之间加的电压与栅极电流之比,这一特性有时以流过栅极的栅流表示,MOS管的RGS可以很容易地超过1010Ω。

3. 漏源击穿电压BVDS

在VGS=0(增强型)的条件下 ,在增加漏源电压过程中使ID开始剧增时的VDS称为漏源击穿电压BVDS

ID剧增的原因有下列两个方面:

(1)漏极附近耗尽层的雪崩击穿

(2)漏源极间的穿通击穿

有些MOS管中,其沟道长度较短,不断增加VDS会使漏区的耗尽层一直扩展到源区,使沟道长度为零,即产生漏源间的穿通,穿通后源区中的多数载流子,将直接受耗尽层电场的吸引,到达漏区,产生大的ID 。

4. 栅源击穿电压BVGS

在增加栅源电压过程中,使栅极电流IG由零开始剧增时的VGS,称为栅源击穿电压BVGS。

5. 低频跨导gm

在VDS为某一固定数值的条件下 ,漏极电流的微变量和引起这个变化的栅源电压微变量之比称为跨导。gm反映了栅源电压对漏极电流的控制能力,是表征MOS管放大能力的一个重要参数。一般在十分之几至几mA/V的范围内 。

6. 导通电阻RON

导通电阻RON说明了VDS对ID的影响 ,是漏极特性某一点切线的斜率的倒数,在饱和区,ID几乎不随VDS改变,RON的数值很大 ,一般在几十千欧到几百千欧之间,由于在数字电路中 ,MOS管导通时经常工作在VDS=0的状态下,所以这时的导通电阻RON可用原点的RON来近似。对一般的MOS管而言,RON的数值在几百欧以内 。

7. 极间电容

三个电极之间都存在着极间电容:栅源电容CGS 、栅漏电容CGD和漏源电容CDS

CGS和CGD约为1~3pF

CDS约在0.1~1pF之间。

8. 低频噪声系数NF

噪声是由管子内部载流子运动的不规则性所引起的,由于它的存在,就使一个放大器即便在没有信号输人时,在输出端也出现不规则的电压或电流变化,噪声性能的大小通常用噪声系数NF来表示,它的单位为分贝(dB)。这个数值越小,代表管子所产生的噪声越小,低频噪声系数是在低频范围内测出的噪声系数。场效应管的噪声系数约为几个分贝,它比双极性三极管的要小 。

分析cmos电路逻辑结构

分析cmos电路逻辑是在TTL电路问世之后 ,所开发出的第二种广泛应用的数字集成器件,从发展趋势来看,由于制造工艺的改进,CMOS电路的性能有可能超越TTL而成为占主导地位的逻辑器件 。CMOS电路的工作速度可与TTL相比较,而它的功耗和抗干扰能力则远优于TTL。此外,几乎所有的超大规模存储器件 ,以及PLD器件都采用CMOS艺制造,且费用较低。早期生产的CMOS门电路为4000系列 ,随后发展为4000B系列。当前与TTL兼容的CMO器件如74HCT系列等可与TTL器件交换使用。下面首先讨论CMOS反相器,然后介绍其他cmos电路逻辑。

分析cmos电路逻辑

工作原理

首先考虑两种极限情况:当vI处于逻辑0时 ,相应的电压近似为0V;而当vI处于逻辑1时,相应的电压近似为VDD。假设在两种情况下N沟道管 TN为工作管P沟道管TP为负载管。但是,由于电路是互补对称的,这种假设可以是任意的,相反的情况亦将导致相同的结果。

下图分析了当vI=VDD时的工作情况。在TN的输出特性iD—vDS(vGSN=VDD)(注意vDSN=vO)上 ,叠加一条负载线,它是负载管TP在 vSGP=0V时的输出特性iD-vSD。由于vSGP<VT(VTN=|VTP|=VT),负载曲线几乎是一条与横轴重合的水平线。两条曲线的交点即工作点。显然,这时的输出电压vOL≈0V(典型值<10mV ,而通过两管的电流接近于零。这就是说,电路的功耗很小(微瓦量级)

分析cmos电路逻辑

下图分析了另一种极限情况,此时对应于vI=0V。此时工作管TN在vGSN=0的情况下运用,其输出特性iD-vDS几乎与横轴重合 ,负载曲线是负载管TP在vsGP=VDD时的输出特性iD-vDS。由图可知,工作点决定了VO=VOH≈VDD;通过两器件的电流接近零值 。可见上述两种极限情况下的功耗都很低。

分析cmos电路逻辑

由此可知,基本CMOS反相器近似于一理想的逻辑单元,其输出电压接近于零或+VDD,而功耗几乎为零。

传输特性

下图为CMOS反相器的传输特性图。图中VDD=10V,VTN=|VTP|=VT=2V。由于 VDD>(VTN+|VTP|),因此,当VDD-|VTP|>vI>VTN 时,TN和TP两管同时导通。考虑到电路是互补对称的,一器件可将另一器件视为它的漏极负载。还应注意到,器件在放大区(饱和区)呈现恒流特性,两器件之一可当作高阻值的负载。因此,在过渡区域,传输特性变化比较急剧。两管在VI=VDD/2处转换状态。

分析cmos电路逻辑

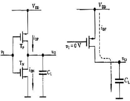
工作速度

CMOS反相器在电容负载情况下,它的开通时间与关闭时间是相等的,这是因为电路具有互补对称的性质。下图表示当vI=0V时 ,TN截止,TP导通,由VDD通过TP向负载电容CL充电的情况。由于CMOS反相器中,两管的gm值均设计得较大,其导通电阻较小,充电回路的时间常数较小。类似地,亦可分析电容CL的放电过程。CMOS反相器的平均传输延迟时间约为10ns。

分析cmos电路逻辑



联系方式:邹先生

联系电话:0755-83888366-8022

手机:18123972950

QQ:2880195519

联系地址:深圳市福田区车公庙天安数码城天吉大厦CD座5C1


请搜微信公众号:“KIA半导体”或扫一扫下图“关注”官方微信公众号

请“关注”官方微信公众号:提供 MOS管 技术帮助