mosfet驱动电路结构及自举升压结构双电压mosfet驱动电路解析-KIA MOS管
信息来源:本站 日期:2018-12-20
mosfet驱动,跟双极性晶体管相比,一般认为使MOS管导通不需要电流,只要GS电压高于一定的值,就可以了。这个很容易做到,但是,我们还需要速度。
在MOS管的结构中可以看到,在GS,GD之间存在寄生电容,而MOS管的驱动,实际上就是对电容的充放电。对电容的充电需要一个电流,因为对电容充电瞬间可以把电容看成短路,所以瞬间电流会比较大。选择/设计MOS管驱动时第一要注意的是可提供瞬间短路电流的大小。
第二注意的是,普遍用于高端驱动的NMOS,导通时需要是栅极电压大于源极电压。而高端驱动的MOS管导通时源极电压与漏极电压(VCC)相同,所以这时 栅极电压要比VCC大4V或10V。如果在同一个系统里,要得到比VCC大的电压,就要专门的升压电路了。很多马达驱动器都集成了电荷泵,要注意的是应该 选择合适的外接电容,以得到足够的短路电流去驱动MOS管。
4V或10V是常用的MOS管的导通电压,设计时当然需要有一定的余量。而且电压越高,导通速度越快,导通电阻也越小。现在也有导通电压更小的MOS管用在不同的领域里,但在12V汽车电子系统里,一般4V导通就够用了。
MOS管的驱动电路及其损失,可以参考Microchip公司的AN799 Matching MOSFET Drivers to MOSFETs。
1.低压应用:当使用5V电源,这时候如果使用传统的图腾柱结构,由于三极管的be有0.7V左右的压降,导致实际最终加在gate上的电压只有4.3V。这时候,我们选用标称gate电压4.5V的MOS管就存在一定的风险。 同样的问题也发生在使用3V或者其他低压电源的场合。
2.宽电压应用:输入电压并不是一个固定值,它会随着时间或者其他因素而变动。这个变动导致PWM电路提供给MOS管的驱动电压是不稳定的。为了让MOS管在高gate电压下安全,很多MOS管内置了稳压管强行限制gate电压的幅值。在这种情况下,当提供的驱动电压超过稳压管的电压,就会引起较大的静态功耗。
同时,如果简单的用电阻分压的原理降低gate电压,就会出现输入电压比较高的时候,MOS管工作良好,而输入电压降低的时候gate电压不足,引起导通不够彻底,从而增加功耗。
3.双电压应用:在一些控制电路中,逻辑部分使用典型的5V或者3.3V数字电压,而功率部分使用12V甚至更高的电压。两个电压采用共地方式连接。这就提出一个要求,需要使用一个电路,让低压侧能够有效的控制高压侧的MOS管,同时高压侧的MOS管也同样会面对1和2中提到的问题。
在这三种情况下,图腾柱结构无法满足输出要求,而很多现成的MOS驱动IC,似乎也没有包含gate电压限制的结构。
一个相对通用的电路来满足这三种需求。
电路图如下:

用于NMOS的驱动电路
用于POMS的驱动电路
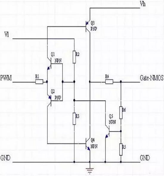
这里我只针对NMOS驱动电路做一个简单分析:Vl和Vh分别是低端和高端的电源,两个电压可以是相同的,但是Vl不应该超过Vh。Q1和Q2组成了一个反置的图腾柱,用来实现隔离,同时确保两只驱动管Q3和Q4不会同时导通。 R2和R3提供了PWM电压基准,通过改变这个基准,可以让电路工作在PWM信号波形比较陡直的位置。
Q3和Q4用来提供驱动电流,由于导通的时候,Q3和Q4相对Vh和GND最低都只有一个Vce的压降,这个压降通 常只有0.3V左右,大大低于0.7V的Vce。 R5和R6是反馈电阻,用于对gate电压进行采样,采样后的电压通过Q5对Q1和Q2的基极产生一个强烈的负反馈, 从而把gate电压限制在一个有限的数值。这个数值可以通过R5和R6来调节。
最后,R1提供了对Q3和Q4的基极电流限制,R4提供了对MOS管的gate电流限制,也就是Q3和Q4的Ice的限 制。必要的时候可以在R4上面并联加速电容。
这个电路提供了如下的特性:
1,用低端电压和PWM驱动高端MOS管。
2,用小幅度的PWM信号驱动高gate电压需求的MOS管。
3,gate电压的峰值限制
4,输入和输出的电流限制
5,通过使用合适的电阻,可以达到很低的功耗。
6,PWM信号反相。NMOS并不需要这个特性,可以通过前置一个反相器来解决。
在设计便携式设备和无线产品时,提高产品性能、延长电池工作时间是设计人员需要面对的两个问题。DC-DC转换器具有效率高、输出电流大、静态电流小等优点,非常适用于为便携式设备供电。目前DC-DC转换器设计技术发展主要趋势有:
(1)高频化技术:随着开关频率的提高,开关变换器的体积也随之减小,功率密度也得到大幅提升,动态响应得到改善。小功率DC-DC转换器的开关频率将上升到兆赫级。
(2)低输出电压技术:随着半导体制造技术的不断发展,微处理器和便携式电子设备的工作电压越来越低,这就要求未来的DC-DC变换器能够提供低输出电压以适应微处理器和便携式电子设备的要求,这些技术的发展对电源芯片电路的设计提出了更高的要求。
首先,随着开关频率的不断提高,对于开关元件的性能提出了很高的要求,同时必须具有相应的开关元件驱动电路以保证开关元件在高达兆赫级的开关频率下正常工作。其次,对于电池供电的便携式电子设备来说,电路的工作电压低(以锂电池为例,工作电压2.5~3.6V),因此,电源芯片的工作电压较低。
MOS管具有很低的导通电阻,消耗能量较低,在目前流行的高效DC-DC芯片中多采用MOS管作为功率开关。但是由于MOS管的寄生电容大,一般情况下NMOS开关管的栅极电容高达几十皮法。这对于设计高工作频率DC-DC转 换器开关管驱动电路的设计提出了更高的要求。
在低电压ULSI设计中有多种CMOS、BiCMOS采用自举升压结构的逻辑电路和作为大容性负载的驱动电路。这些电路能够在低于1V电压供电条件下正常工作,并且能够在负载电容1~2pF的条件下工作频率能够达到几十兆甚至上百兆赫兹。本文正是采用了自举升压电路,设计了一种具有大负载电容驱动能力的,适合于低电压、高开关频率升压型DC-DC转换器的驱动电路。电路基于Samsung AHP615 BiCMOS工艺设计并经过Hspice仿真验证,在供电电压1.5V ,负载 电容为60pF时,工作频率能够达到5MHz以上。
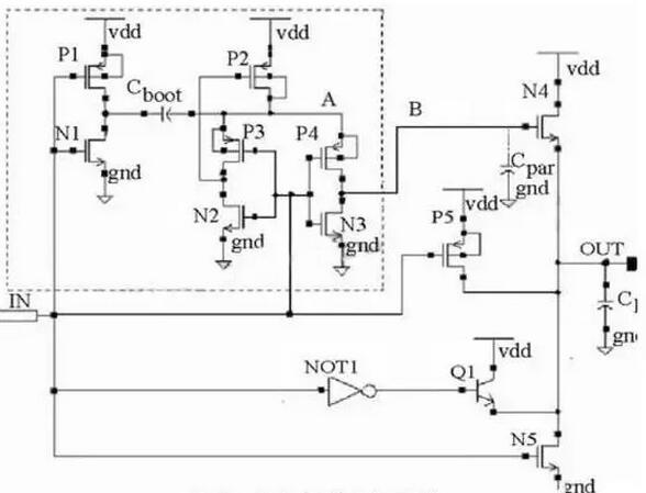
自举升压电路的原理图如图1所示。所谓的自举升压原理就是,在输入端IN输入一个方波信号,利用电容Cboot将A点电压抬升至高于VDD的电平,这样就可以在B端输出一个与输入信号反相,且高电平高于VDD的方波信号。具体工作原理如下:
自举升压电路原理图
当VIN为高电平时,NMOS管N1导通,PMOS管P1截止,C点电位为低电平。同时N2导通,P2的栅极电位 为低电平,则P2导通。这就使得此时A点电位约为VDD,电容Cboot两端电压UC≈VDD。由于N3导通,P4截止,所以B点的电位为低电平。这段时间称为预充电周期。
当VIN变为低电平时,NMOS管N1截止,PMOS管P1导通,C点电位为高电平,约为VDD。同时N2、N3截止,P3导通。这使得P2的栅极电位升高,P2截止。此时A点电位等于C点电位加上电容Cboot 两端电压,约为2VDD。而且P4导通,因此B点输出高电平,且高于VDD。这段时间称为自举升压周期。
输入端IN电路与A、B两点电位关
实际上,B点电位与负载电容和电容Cboot的大小有关,可以根据设计需要调整。具体关系将在介绍电路具体设计时详细讨论。在图2中给出了输入端IN电位与A、B两点电位关系的示意图。
图中给出了驱动电路的电路图。驱动电路采用Totem输出结构设计,上拉驱动管为NMOS管N4、晶体管Q1和PMOS管P5。下拉驱动管为NMOS管N5。图中CL为负载电容,Cpar为B点的寄生电容。虚线框内的电路为自举升压电路。
驱动电路原理图
本驱动电路的设计思想是,利用自举升压结构将上拉驱动管N4的栅极(B点)电位抬升,使得UB>VDD+VTH ,则NMOS管N4工作在线性区,使得VDSN4 大大减小,最终可以实现驱动输出高电平达到VDD。而在输出低电平时,下拉驱动管本身就工作在线性区,可以保证输出低电平位GND。因此无需增加自举电路也能达到设计要求。
考虑到此驱动电路应用于升压型DC-DC转换器的开关管驱动,负载电容CL很大,一般能达到几十皮法,还需要进一步增加输出电流能力,因此增加了晶体管Q1作为上拉驱动管。这样在输入端由高电平变为低电平时,Q1导通,由N4、Q1同时提供电流,OUT端电位迅速上升,当OUT端电位上升到VDD-VBE时,Q1截止,N4继续提供电流对负载电容充电,直到OUT端电压达到VDD。
驱动电路传输特性瞬态响应
在OUT端为高电平期间,A点电位会由于电容Cboot 上的电荷泄漏等原因而下降。这会使得B点电位下降,N4 的导通性下降。同时由于同样的原因,OUT端电位也会有所下降,使输出高电平不能保持在VDD。为了防止这种现象的出现,又增加了PMOS管P5作为上拉驱动管,用来补充OUT端CL的泄漏电荷,维持OUT端在整个导通周期内为高电平。
驱动电路的传输特性瞬态响应在图4中给出。其中(a)为上升沿瞬态响应,(b)为下降沿瞬态响应。从图4中可以看出,驱动电路上升沿明显分为了三个部分,分别对应三个上拉驱动管起主导作用的时期。1阶段为Q1、N4共同作用,输出电压迅速抬升,2阶段为N4起主导作,使输出电平达到VDD,3阶段为P5起主导作用,维持输出高电平为VDD。而且还可以缩短上升时间,下降时间满足工作频率在兆赫兹级以上的要求。
功率MOSFET属于电压型控制器件,只要栅极和源极之间施加的电压超过其阀值电压就会导通。由于MOSFET存在结电容,关断时其漏源两端电压的突然 上升将会通过结电容在栅源两端产生干扰电压。常用的互补驱动电路的关断回路阻抗小,关断速度较快,但它不能提供负压,故抗干扰性较差。为了提高电路的抗干 扰性,可在此种驱动电路的基础上增加一级有V1、V2、R组成的电路,产生一个负压,电路原理图如下图所示。
提供负压的互补电路
当V1导通时,V2关断,两个MOSFET中的上管的栅、源极放电,下管的栅、源极充电,即上管关断,下管导通,则被驱动的功率管关断;反之V1关断 时,V2导通,上管导通,下管关断,使驱动的管子导通。因为上下两个管子的栅、源极通过不同的回路充放电,包含有V2的回路,由于V2会不断退出饱和直至 关断,所以对于S1而言导通比关断要慢,对于S2而言导通比关断要快,所以两管发热程度也不完全一样,S1比S2发热严重。
该驱动电路的缺点是需要双电源,且由于R的取值不能过大,否则会使V1深度饱和,影响关断速度,所以R上会有一定的损耗。
(1)正激式驱动电路。电路原理如下图(a)所示,N3为去磁绕组,S2为所驱动的功率管。R2为防止功率管栅极、源极端电压振荡的一个阻尼电阻。因不要求漏感较小,且从速度方面考虑,一般R2较小,故在分析中忽略不计。
正激驱动电路
其等效电路图如下图(b)所示脉冲不要求的副边并联一电阻R1,它做为正激变换器的假负载,用于消除关断期间输出电压发生振荡而误导通。同时它还可 以作为功率MOSFET关断时的能量泄放回路。该驱动电路的导通速度主要与被驱动的S2栅极、源极等效输入电容的大小、S1的驱动信号的速度以及S1所能 提供的电流大小有关。由仿真及分析可知,占空比D越小、R1越大、L越大,磁化电流越小,U1值越小,关断速度越慢。该电路具有以下优点:
①电路结构简单可靠,实现了隔离驱动。
②只需单电源即可提供导通时的正、关断时负压。
③占空比固定时,通过合理的参数设计,此驱动电路也具有较快的开关速度。
该电路存在的缺点:一是由于隔离变压器副边需要噎嗝假负载防振荡,故电路损耗较大;二是当占空比变化时关断速度变化较大。脉宽较窄时,由于是储存的能量减少导致MOSFET栅极的关断速度变慢。
(2)有隔离变压器的互补驱动电路。如下图所示,V1、V2为互补工作,电容C起隔离直流的作用,T1为高频、高磁率的磁环或磁罐。
隔离变压器的互补驱动电路
导通时隔离变压器上的电压为(1-D)Ui、关断时为D Ui,若主功率管S可靠导通电压为12V,而隔离变压器原副边匝比N1/N2为12/[(1-D)Ui]。为保证导通期间GS电压稳定C值可稍取大些。该电路具有以下优点:
①电路结构简单可靠,具有电气隔离作用。当脉宽变化时,驱动的关断能力不会随着变化。
②该电路只需一个电源,即为单电源工作。隔直电容C的作用可以在关断所驱动的管子时提供一个负压,从而加速了功率管的关断,且有较高的抗干扰能力。
但该电路存在的一个较大缺点是输出电压的幅值会随着占空比的变化而变化。当D较小时,负向电压小,该电路的抗干扰性变差,且正向电压较高,应该注意使其 幅值不超过MOSFET栅极的允许电压。当D大于0.5时驱动电压正向电压小于其负向电压,此时应该注意使其负电压值不超过MOAFET栅极允许电压。所 以该电路比较适用于占空比固定或占空比变化范围不大以及占空比小于0.5的场合。
(3)集成芯片UC3724/3725构成的驱动电路
电路构成如下图所示。其中UC3724用来产生高频载波信号,载波频率由电容CT和电阻RT决定。一般载波频率小于600kHz,4脚和6脚两端产生 高频调制波,经高频小磁环变压器隔离后送到UC3725芯片7、8两脚经UC3725进行调制后得到驱动信号,UC3725内部有一肖特基整流桥同时将 7、8脚的高频调制波整流成一直流电压供驱动所需功率。一般来说载波频率越高驱动延时越小,但太高抗干扰变差;
隔离变压器磁化电感越大磁化电流越 小,UC3724发热越少,但太大使匝数增多导致寄生参数影响变大,同样会使抗干扰能力降低。根据实验数据得出:对于开关频率小于100kHz的信号一般 取(400~500)kHz载波频率较好,变压器选用较高磁导如5K、7K等高频环形磁芯,其原边磁化电感小于约1毫亨左右为好。
这种驱动电路仅适合于信 号频率小于100kHz的场合,因信号频率相对载波频率太高的话,相对延时太多,且所需驱动功率增大,UC3724和UC3725芯片发热温升较高,故 100kHz以上开关频率仅对较小极电容的MOSFET才可以。对于1kVA左右开关频率小于100kHz的场合,它是一种良好的驱动电路。该电路具有以 下特点:单电源工作,控制信号与驱动实现隔离,结构简单尺寸较小,尤其适用于占空比变化不确定或信号频率也变化的场合。
集成芯片UC3724/UC3725构成的驱动电路
联系方式:邹先生
联系电话:0755-83888366-8022
手机:18123972950
QQ:2880195519
联系地址:深圳市福田区车公庙天安数码城天吉大厦CD座5C1
请搜微信公众号:“KIA半导体”或扫一扫下图“关注”官方微信公众号
请“关注”官方微信公众号:提供 MOS管 技术帮助