mos管驱动电路总结-各种开关电源mos管驱动电路设计详解-KIA MOS管
实亿国际信息来源:本站 日期:2018-09-20
在使用mos管驱动电路设计开关电源或者马达驱动电路的时候,大部分人都会考虑mos的导通电阻,最大电压等,最大电流等,也有很多人仅仅考虑这些因素。这样的电路也许是可以工作的,但并不是优秀的,作为正式的产品设计也是不允许的。
1、mos管种类和结构
mos管是FET的一种(另一种是JFET),可以被制造成增强型或耗尽型,P沟道或N沟道共4种类型,但实际应用的只有增强型的N沟道MOS管和增强型的P沟道mos管,所以通常提到NMOS,或者PMOS指的就是这两种。右图是这两种MOS管的符号。
至于为什么不使用耗尽型的MOS管,不建议刨根问底。对于这两种增强型MOS管,比较常用的是NMOS。原因是导通电阻小且容易制造。所以开关电源和马达驱动的应用中,一般都用NMOS。下面的介绍中,也多以NMOS为主。
在MOS管原理图上可以看到,漏极和源极之间有一个寄生二极管。这个叫体二极管,在驱动感性负载(如马达),这个二极管很重要。在单个的MOS管中存在,在集成电路芯片内部通常是没有的。下图是MOS管的构造图,通常的原理图中都画成右图所示的样子。

MOS管的三个管脚之间有寄生电容存在,如右图所示。这不是我们需要的,而是由于制造工艺限制产生的。寄生电容的存在使得在设计或选择驱动电路的时候要麻烦一些,但没有办法避免,在MOS管的驱动电路设计时再详细介绍。

2、MOS管导通特性
导通的意思是作为开关,相当于开关闭合。
NMOS的特性,Vgs大于一定的值就会导通,适合用于源极接地时的情况(低端驱动),只要栅极电压达到4V或10V就可以了。
PMOS的特性,Vgs小于一定的值就会导通,使用与源极接VCC时的情况(高端驱动)。但是,虽然PMOS可以很方便地用作高端驱动,但由于导通电阻大,价格贵,替换种类少等原因,在高端驱动中,通常还是使用NMOS。
右图是瑞萨2SK3418的Vgs电压和Vds电压的关系图。可以看出小电流时,Vgs达到4V,DS间压降已经很小,可以认为导通。

3、MOS开关管损失
不管是NMOS还是PMOS,导通后都有导通电阻存在,因而在DS间流过电流的同时,两端还会有电压(如2SK3418特性图所示),这样电流就会在这个电阻上消耗能量,这部分消耗的能量叫做导通损耗。选择导通电阻小的MOS管会减小导通损耗。现在的小功率MOS管导通电阻一般在几十毫欧左右,几毫欧的也有。
mos在导通和截止的时候,一定不是在瞬间完成的。MOS两端的电压有一个下降的过程,流过的电流有一个上升的过程,在这段时间内,MOS管的损失是电压和电流的乘积,叫做开关损失。通常开关损失比导通损失大得多,而且开关频率越快,损失也越大。
下图是MOS管导通时的波形。可以看出,导通瞬间电压和电流的乘积很大,造成的损失也就很大。降低开关时间,可以减小每次导通时的损失;降低开关频率,可以减小单位时间内的开关次数。这两种办法都可以减小开关损失。

4、MOS管驱动
跟双极性晶体管相比,一般认为使MOS管导通不需要电流,只要GS电压高于一定的值,就可以了。这个很容易做到,但是,我们还需要速度。
在MOS管的结构中可以看到,在GS,GD之间存在寄生电容,而MOS管的驱动,实际上就是对电容的充放电。对电容的充电需要一个电流,因为对电容充电瞬间可以把电容看成短路,所以瞬间电流会比较大。选择/设计MOS管驱动时第一要注意的是可提供瞬间短路电流的大小。
第二注意的是,普遍用于高端驱动的NMOS,导通时需要是栅极电压大于源极电压。而高端驱动的MOS管导通时源极电压与漏极电压(VCC)相同,所以这时栅极电压要比VCC大4V或10V。如果在同一个系统里,要得到比VCC大的电压,就要专门的升压电路了。很多马达驱动器都集成了电荷泵,要注意的是应该选择合适的外接电容,以得到足够的短路电流去驱动MOS管。
上边说的4V或10V是常用的MOS管的导通电压,设计时当然需要有一定的余量。而且电压越高,导通速度越快,导通电阻也越小。现在也有导通电压更小的MOS管用在不同的领域里,但在12V汽车电子系统里,一般4V导通就够用了。MOS管的驱动电路及其损失,可以参考Microchip公司AN799 Matching MOSFET Drivers to MOSFETs。讲述得很详细,所以不打算多写了。
5、MOS管应用电路
MOS管最显着的特性是开关特性好,所以被广泛应用在需要电子开关的电路中,常见的如开关电源和马达驱动,也有照明调光。这三种应用在各个领域都有详细的介绍,这里就不多写了。
在使用MOSFET设计开关电源时,大部分人都会考虑MOSFET的导通电阻、最大电压、最大电流。但很多时候也仅仅考虑了这些因素,这样的电路也许可以正常工作,但并不是一个好的设计方案。更细致的,MOSFET还应考虑本身寄生的参数。对一个确定的MOSFET,其驱动电路,驱动脚输出的峰值电流,上升速率等,都会影响MOSFET的开关性能。当电源IC与MOS管选定之后, 选择合适的驱动电路来连接电源IC与MOS管就显得尤其重要了。一个好的mos管驱动电路有以下几点要求:
(1)开关管开通瞬时,驱动电路应能提供足够大的充电电流使MOSFET栅源极间电压迅速上升到所需值,保证开关管能快速开通且不存在上升沿的高频振荡。
(2)开关导通期间驱动电路能保证MOSFET栅源极间电压保持稳定且可靠导通。
(3)关断瞬间驱动电路能提供一个尽可能低阻抗的通路供MOSFET栅源极间电容电压的快速泄放,保证开关管能快速关断。
(4)驱动电路结构简单可靠、损耗小。
(5)根据情况施加隔离。
下面介绍几个模块电源中常用的mos管驱动电路。
1:当源极输出为高电压时的驱动
当源极输出为高电压的情况时,我们需要采用偏置电路达到电路工作的目的,既我们以源极为参考点,搭建偏置电路,驱动电压在两个电压之间波动,驱动电压偏差由低电压提供。
图1 源极输出为高电压时的驱动电路
2:电源IC直接驱动mos
图2 IC直接驱动MOSFET
电源IC直接驱动是我们最常用的驱动方式,同时也是最简单的驱动方式,使用这种驱动方式,应该注意几个参数以及这些参数的影响。第一,查看一下电源IC手册,其最大驱动峰值电流,因为不同芯片,驱动能力很多时候是不一样的。第二,了解一下MOSFET的寄生电容,如图2中C1、C2的值。如果C1、C2的值比较大,MOS管导通的需要的能量就比较大,如果电源IC没有比较大的驱动峰值电流,那么管子导通的速度就比较慢。如果驱动能力不足,上升沿可能出现高频振荡,即使把图2中Rg减小,也不能解决问题! IC驱动能力、MOS寄生电容大小、MOS管开关速度等因素,都影响驱动电阻阻值的选择,所以Rg并不能无限减小。
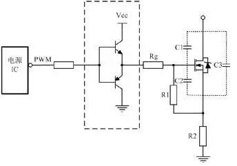
3:电源IC驱动能力不足时
如果选择MOS管寄生电容比较大,电源IC内部的驱动能力又不足时,需要在驱动电路上增强驱动能力,常使用图腾柱电路增加电源IC驱动能力,
图3 腾柱驱动MOS
这种驱动电路作用在于,提升电流提供能力,迅速完成对于栅极输入电容电荷的充电过程。这种拓扑增加了导通所需要的时间,但是减少了关断时间,开关管能快速开通且避免上升沿的高频振荡。
4:驱动电路加速MOS管关断时间
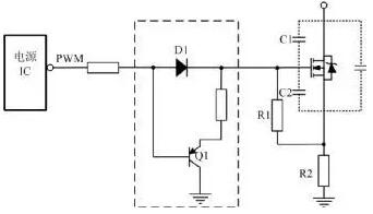
图4 加速MOS关断
关断瞬间驱动电路能提供一个尽可能低阻抗的通路供MOSFET栅源极间电容电压快速泄放,保证开关管能快速关断。为使栅源极间电容电压的快速泄放,常在驱动电阻上并联一个电阻和一个二极管,如图4所示,其中D1常用的是快恢复二极管。这使关断时间减小,同时减小关断时的损耗。Rg2是防止关断的时电流过大,把电源IC给烧掉。
图4-1 改进型加速MOS关断
在第二点介绍的图腾柱电路也有加快关断作用。当电源IC的驱动能力足够时,对图 2中电路改进可以加速MOS管关断时间,得到如图 4所示电路。用三极管来泄放栅源极间电容电压是比较常见的。如果Q1的发射极没有电阻,当PNP三极管导通时,栅源极间电容短接,达到最短时间内把电荷放完,最大限度减小关断时的交叉损耗。与图 3拓扑相比较,还有一个好处,就是栅源极间电容上的电荷泄放时电流不经过电源IC,提高了可靠性。
5:驱动电路加速MOS管关断时间
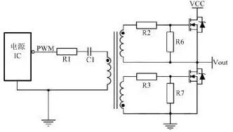
图5 隔离驱动
为了满足如图5所示高端MOS管的驱动,经常会采用变压器驱动,有时为了满足安全隔离也使用变压器驱动。其中R1目的是抑制PCB板上寄生的电感与C1形成LC振荡,C1的目的是隔开直流,通过交流,同时也能防止磁芯饱和。
除了以上驱动电路之外,还有很多其它形式的驱动电路。对于各种各样的驱动电路并没有一种驱动电路是最好的,只有结合具体应用,选择最合适的驱动。
联系方式:邹先生
联系电话:0755-83888366-8022
手机:18123972950
QQ:2880195519
联系地址:深圳市福田区车公庙天安数码城天吉大厦CD座5C1
请搜微信公众号:“KIA半导体”或扫一扫下图“关注”官方微信公众号
请“关注”官方微信公众号:提供 MOS管 技术帮助