实亿国际

实亿国际

国家高新企业

cn

新闻中心

实亿国际电源mos-电源mos管驱动电路如何选用-详解分析-KIA MOS管

信息来源:本站 日期:2018-01-10 

分享到:

介绍几个模块电源中常用的MOSFET驱动电路。


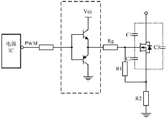
1、电源IC直接驱动MOSFET

电源mos

图 1 IC直接驱动MOSFET


实亿国际 电源IC直接驱动是我们最常用的驱动方式,同时也是最简单的驱动方式,使用这种驱动方式,应该注意几个参数以及这些参数的影响。第一,查看一下电源IC手册,其最大驱动峰值电流,因为不同芯片,驱动能力很多时候是不一样的。第二,了解一下MOSFET的寄生电容,如图1中C1、C2的值。如果C1、C2的值比较大,MOS管导通的需要的能量就比较大,如果电源IC没有比较大的驱动峰值电流,那么管子导通的速度就比较慢。如果驱动能力不足,上升沿可能出现高频振荡,即使把图 1中Rg减小,也不能解决问题! IC驱动能力、MOS寄生电容大小、MOS管开关速度等因素,都影响驱动电阻阻值的选择,所以Rg并不能无限减小。


2、电源IC驱动能力不足时

如果选择MOS管寄生电容比较大,电源IC内部的驱动能力又不足时,需要在驱动电路上增强驱动能力,常使用图腾柱电路增加电源IC驱动能力,其电路如图 2虚线框所示。


电源mos

实亿国际 图 2 图腾柱驱动MOS


实亿国际 这种驱动电路作用在于,提升电流提供能力,迅速完成对于栅极输入电容电荷的充电过程。这种拓扑增加了导通所需要的时间,但是减少了关断时间,开关管能快速开通且避免上升沿的高频振荡。


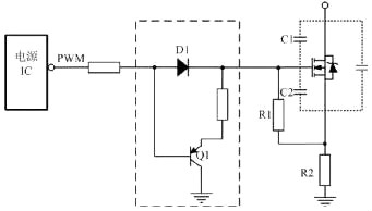
3、驱动电路加速MOS管关断时间


电源mos

图 3 加速MOS关断


实亿国际 关断瞬间驱动电路能提供一个尽可能低阻抗的通路供MOSFET栅源极间电容电压快速泄放,保证开关管能快速关断。为使栅源极间电容电压的快速泄放,常在驱动电阻上并联一个电阻和一个二极管,如图3所示,其中D1常用的是快恢复二极管。这使关断时间减小,同时减小关断时的损耗。Rg2是防止关断的时电流过大,把电源IC给烧掉。


电源mos

图 4 改进型加速MOS关断


实亿国际 在第二点介绍的图腾柱电路也有加快关断作用。当电源IC的驱动能力足够时,对图2中电路改进可以加速MOS管关断时间,得到如图4所示电路。用三极管来泄放栅源极间电容电压是比较常见的。如果Q1的发射极没有电阻,当PNP三极管导通时,栅源极间电容短接,达到最短时间内把电荷放完,最大限度减小关断时的交叉损耗。与图3拓扑相比较,还有一个好处,就是栅源极间电容上的电荷泄放时电流不经过电源IC,提高了可靠性。


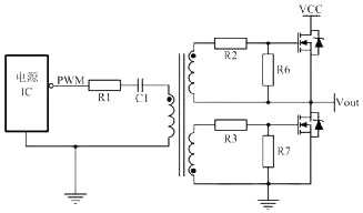
4、驱动电路加速MOS管关断时间


电源mos

图 5 隔离驱动


实亿国际 为了满足如图 5所示高端MOS管的驱动,经常会采用变压器驱动,有时为了满足安全隔离也使用变压器驱动。其中R1目的是抑制PCB板上寄生的电感与C1形成LC振荡,C1的目的是隔开直流,通过交流,同时也能防止磁芯饱和。


5、当源极输出为高电压时的驱动

实亿国际 当源极输出为高电压的情况时,我们需要采用偏置电路达到电路工作的目的,既我们以源极为参考点,搭建偏置电路,驱动电压在两个电压之间波动,驱动电压偏差由低电压提供,如下图6所示。


电源mos

图6 源极输出为高电压时的驱动电路


除了以上驱动电路之外,还有很多其它形式的驱动电路。对于各种各样的驱动电路并没有一种驱动电路是最好的,只有结合具体应用,选择最合适的驱动。


下面介绍一些关于开关电源经典回答。



1)开关电源变压器如果用铜带取代漆包线,其允许通过的电流怎么算?比如说厚度为0.1mm的铜带,允许通过的电流怎么算?


专家解答:如果开关电源变压器用铜带取代漆包线,铜带(漆包线)的涡流损耗可以大大将小,工作频率可以相应提高,但直流损耗几乎不变,铜带允许通过的电流密度一般还是不要超过4.5A/平方毫米。电流密度等于电流除与以导体的截面积,导体的截面积等于厚(0.1mm)乘以宽(铜带的宽度)。


2)电源开关交流回路和整流器的交流回路是最容易产生电磁干扰的吗?


专家解答:开关电源产生电磁干扰最严重的地方是开关变压器的初、次级线圈组成的电路,但它的干扰会通过感应对其它电路产生辐射和传导干扰,传导干扰和辐射干扰最严重的地方是电源线,因为电源线很容易成为辐射源的半波振子天线,另外它又与外线路进行连接,很容易把干扰信号传输给其它设备。所以在开关电源的输入端一定要对电源线进行有效隔离。


3)降低变压器的温升有什么具体方法?


专家解答:降低变压温升的方法一个是降低变压器磁芯的最大磁通增量(Bm)的取值,因为变压器磁芯的损耗(磁滞损耗和涡流损耗)与磁通密度的平方成正比;另一个是降低开关电源的工作频率,因为变压器磁芯的损耗(磁滞损耗和涡流损耗)与工作频率成正比;再一个是降低线圈的损耗,线圈的损耗(主要是涡流损耗),线圈的涡流损耗与集肤效应损耗也与工作频率成正比,降低线圈的直流损耗必须降低导线的电流密度,一般漆包线的电流密度不能超过4.5A/平方毫米。


4)反激式开关电源的占空比是如何变化的?


实亿国际 专家解答:反激式开关电源的占空比主要由输入电压和开关电源管的耐压来决定,当输入电压变化时占空比也要跟着变化。例如当输入电压为AC260V时,如果电源开关管的耐压为650V,则占空比大为0.306;当输入电压为AC170V时,占空比大约为0.5;当输入电压低于AC170V时,占空比大于0.5。但不管输入电压这样变化,开关电源都会通过改变占空比来大到稳定(或改变)输出电压的数值。


5)正激和反激的区别主要在哪?


实亿国际 专家解答:正激式开关电源是电源开关管导通的时候,电源向负责提供功率输出,而关断的时候没有功率输出。反激式开关电源正好相反,电源开关管导通时只向变压器存储能量,没有给负载提供功率输出,仅在电源开关管关断时才向负载提供输出。正激式开关电源输出电压是取整流输出电压的平均值,反激式开关电源输出电压是取整流输出电压的半波平均值,两种电压输出的相位正好相反。


6)能具体讲讲环路设计吗?


实亿国际 专家解答:反馈环路的增益,既不是越大越好,也不是越小越好。当反馈环路的增益过高时,输出电压会围绕着平均值来回跟踪,输出电压上下波动很厉害,增益越高,波动的幅度就越大,严重时会出现振荡;当反馈环路的增益过低时,输出电压又会不稳定,因为电压跟踪不到位,会存在一个滞后误差。


实亿国际 为了使输出电压稳定,但又不发生振荡,一般都把反馈环路分成三个回路来组成,一个回路用来决定微分增益的大小,另一个回路用来决定积分增益的大小,还有一个是决定直流增益的大小。这样做的目的是,在误差信号很小的时候,环路增益很大,而在误差小号很大的时候环路增益又会变小,即误差放大器的增益是动态的。仔细调节这三个反馈环路的增益,就可以实现开关电源既稳定,又不出现振荡。


7)反激电源开关MOS如何降到最低?特别是在硬开关条件下。


实亿国际 专家解答:降低占空比,但占空比太低,电源的工作效率大大降低,电压调整范围也会减小。


8)铜箔损耗占电源损耗比例约为多少?


专家解答:非常小,如果铜箔损耗大,铜箔的温升会很高,如果超过80度,铜箔的油漆会发黄。但也只相当于一个1~3瓦左右的金属膜电阻在同样温升时的损耗。


9)驱动波形大小波问题是什么原因引起的??我有款电源,在低压AC85-120V的时候输出驱动都很正常,,当电压变为120-150V的时候,驱动出现大小波,输出电流明显下降。当电压再次提升到150V-265V的时候,驱动波形的频率完全不对头了,输出也不对了。


专家解答:如果你的驱动电路采用电容或变压器输出,会出现这种情况,因为电容或变压器传输波形(信号时),信号中不能含有直流分量,如果含有直流分量,输出波形将出现严重失真,只有驱动电路的输出波形,其占空比为0.5时,输出波形才不会产生失真,而占空比过大或过小,都会出现失真。


10)想问下关于整流桥的选择,不同的功率选怎么样的整流桥?还有就是我做了一款30W的电源,用了3A700V的整流桥,发现整流桥很烫,没几分钟温度就大约有60多度了。这个引起整流桥发烫的原因有哪些?


专家解答:整流二极管的选择主要是根据流过整流二极管的电流大小和耐压还有工作频率这三个参数来决定,进行电路参数设计时,流过整流二极管的电流一般只能取标称值(25℃时)的三分之一,因为流过整流二极管的工作温度可能会上升到80℃以上。如果整流二极管的导通和关断速度很低,它在电压反向的情况下还会导通一段时间,即反向电流非常大,这样整流二极管也会发热。你的整流桥发热可能属于后一种情况。


11)反馈环路设计 以及 补偿 如何入手?还望老师耐心解答。


专家解答:反馈环路的增益,既不是越大越好,也不是越小越好。当反馈环路的增益过高时,输出电压会围绕着平均值上下波动,增益越高,波动的幅度就越大,严重时会出现振荡;当反馈环路的增益过低时,输出电压又会不稳定。为了使输出电压稳定,但又不发生振荡,一般都把反馈环路分成三个回路来组成,一个回路用来决定微分增益的大小,另一个回路用来决定积分增益的大小,还有一个是决定直流增益的大小。仔细调节这三个反馈环路的增益,就可以实现开关电源既稳定,又不出现振荡。


12)最近在做DC TO DC效率有点低,怎样解决呢?


实亿国际 专家解答:把工作频率降低,或把电源开关管换成一个高速开关管,另外还可以把变压器的体积加大,把最大磁通密度(Bm)的取值降低,即把开关变压器初级线圈的匝数增加,因为开关变压器的磁滞损耗和涡流损耗与工作频率成正比,与最大磁通密度增量的平方成正比。


13)老师您好,您是怎么计算最小直流电压的?我看了好几个版本一直找不到最合适的。


实亿国际 专家解答:这里我不太明白你说的“最小直流电压”是指哪方面?如果是开关电源的最小输入直流电压,一般可根据最低输入交流电压换算得来,比如,最低输入交流电压为AC100V(有效值),则换算为最低直流输入电压大约为120V(取平均值),因为整流滤波后最大值为140V,最低值为100V,取平均值就是120V。


如果最小直流电压为晶体管自激式开关电源的正反馈电压,则此电压最好选为晶管导通时工作电压的2倍,而留1倍作为可调整的余量用。如果最小直流电压为场效应管驱动电路的最小工作电压,则此工作电压最低不能小于16V,因为,大功率场效应管深度饱和需要的驱动电压都在12V以上(最好为20V)。


14)老师您好,我做的反激式变压器电源输出侧有毛刺,且毛刺的频率和原边开关频率一样,怎么消除毛刺呢?


实亿国际 专家解答:在次级整流与滤波电容之间串了一个小电感,但电感流过直流时不能饱和,这种电感的磁回路不能用封闭式的,必须要留有很大的气隙。


15)反激式电源开关频率如何优化选择? VOR反激电压如何优化设置,在什么情况下最合适?谢谢!匝比如何 最优化计算?谢谢。


实亿国际 专家解答:反激式开关电源工作频率的选择主要与开关电源的工作效率和体积大小有关,而开关电源的工作效率又主要与开关电源管、开关变压器的损耗(磁滞损耗和涡流损耗)有关,这两者的损耗均与频率成正比。开关电源管的损耗主要由开通损耗(导通时间损耗)和关断损耗(关断时间损耗)组成,开关电源管的导通时间和关断时间越长,这两个损耗就越大。


一般大功率开关电源管的导通时间和关断时间都比小功率开关电源管的导通时间和关断时间长很多,所以大功率开关电源的工作频率一般都取得比较低。


在考虑开关电源的工作效率时,如果从开关电源的体积和成本等方面考虑,最好选工作效率为80%左右较为合适,此时,开关电源管的损耗大约占总损耗的50%,开关变压器的损耗大约占总损耗的30%,其余电路的损耗大约占总损耗的20%。开关变压器的匝数比与输入输出电压的比值有关,与开关电源的占空比有关。



联系方式:邹先生

手机:18123972950

QQ:2880195519

实亿国际 联系地址:深圳市福田区车公庙天安数码城天吉大厦CD座5C1


关注KIA半导体工程专辑请搜微信号:“KIA半导体”或点击本文下方图片扫一扫进入官方微信“关注”


实亿国际 长按二维码识别关注

3000万彩票-追求健康,你我一起成长 乐发IV - welcome u284彩票- 欢迎您 实亿国际(中国区)官方网站 永兴集团yx06 5630彩票(中国区)官方网站 佰利乐·(中国区)有限公司官网 金彩汇 - welcome首页