实亿国际

实亿国际

国家高新企业

cn

新闻中心

场效应管并联及并联判断方法-KIA MOS管

信息来源:本站 日期:2020-09-27 

分享到:

场效应管并联及并联判断方法-KIA MOS管


mos管如何并联使用?

并联是元件之间的一种连接方式,其特点是将2个同类或不同类的元件、器件等首首相接,同时尾尾亦相连的一种连接方式。通常是用来指电路中电子元件的连接方式,即并联电路。


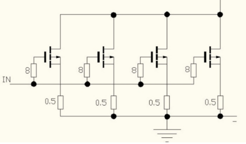
MOS管并联方法电路图

场效应管并联


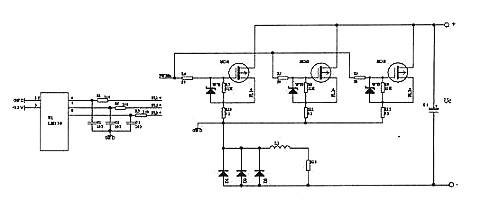
MOS管并联工作原理

场效应管并联,在图1中,采用对每个并联的MOS管单独实限流技术来限制流过每个MOS管的电流。具体方法如下:

在每个MOS管串联作电流检测用的采样电阻(图中的RlO、Rll、R12),实时对流过每个MOS管的电流进行监测。3路分流器的采集信号均送人4比较器LM339,作为判断是否过流的依据:只要流过任何一个MOS管的电流超过对其所限定的电流保护值,则控制回路依据送出的过流保护信号马上限制驱动脉冲的开度,保证当前流过每个MOS管的电流不超过所限定的电保护值。


在图1中,如果在PWNin驱动脉冲加入后,假定MOS1先开通,MOS2、MOS3暂时未开通,则电流只能先流过MOS1,而且电流被限制在其限制值以内;接着MOS2又开通,则部分原先流过MOS1的电流会被分流到MOS2,必然引起流过MOS1的电流小于其限制值,于是过流信号消失,PWNin驱动脉冲开度加大,直至电流重新到达MOS1或MOS2的电流限制点后,PWNin驱动脉冲才会停止增加。以后MOS3导通的又重复上述的电流分配过程,直至到达新的电流平衡。同理,可分析MOS管任何时刻单个或多个导通时电流的自行分配过程。


场效应管并联



1、场效应管并联,饱和压降VDs或导通RDSon:对所有并联的MOS管而言,导通时其管压降是相同的,其结果必然是饱和电压小的MOS管先流过较大的电流,随着结温的升高,管压降逐渐增大,则流过管压降大的MOS管的电流又会逐渐增大,从而减轻管压降小的MOS管的工作压力。因此,从原理上讲,由于N沟道功率型MOS管的饱和压降VDs或导通电阻RDSon具有正的温度特性,是很适合并联的。


2、开启电压VGS(th):在同一驱动脉冲作用下,开启电压VGS(th)的不同,会引起MOS管的开通时刻不同,进而会引起先开通的MOS管首先流过整个回路的电流,如果此时电流偏大,不加以限制,则对MOS管的安全工作造成威胁;


3、开通、关断延迟时间Td(on)、td(off);开通上升、关断下降时间tr、tf:同样,在同一驱动脉冲作用下,td(on)、td(off)、tr、tf的不同,也会引起MOS管的开通/关断时刻不同,进而会引起先开通/后关断的MOS管流过整个回路的电流,如果此时电流偏大,不加以限制,则同样对MOS管的安全工作造成威胁。


4、驱动极回路的驱动输入电阻、等效输入电容、等效输入电感等,均会造成引起MOS管的开通/关断时刻不同。从上所述,可以看出,只要保证无论在开通、关断、导通的过程流过MOS管的电流均使MOS管工作在安全工作区内,则MOS管的安全工作得到保障。为此,本文提出一种MOS管的新的并联方法,着重于均流方面的研究,可有效的保证MOS管工作在安全工作区内,提高并联电路的工作可靠性。


场效应管怎样使用多管并联

1、在各管输入端串接一bai个8欧左右的小电du阻,然后并连在一起接到zhiIN(信号输入端)。


2、S极的小dao电阻可以不要。


3、将各管D极并连后接负载。场效应管是正温度系数元件,能够自动均衡电流,因此多管并联扩流是可以不加均衡电阻的。而双极型晶体管是负温度系数,是必须加均流电阻的。



场效应管并联


场效应管具有如下特点。



(1)场效应管是电压控制器件,它通过VGS(栅源电压)来控制ID(漏极电流);


(2)场效应管的控制输入端电流极小,因此它的输入电阻(107~1012Ω)很大。


(3)它是利用多数载流子导电,因此它的温度稳定性较好;


(4)它组成的放大电路的电压放大系数要小于三极管组成放大电路的电压放大系数;


(5)场效应管的抗辐射能力强;


(6)由于它不存在杂乱运动的电子扩散引起的散粒噪声,所以噪声低。


并联判断方法怎样判断电路中用电器之间是串联还是并联?


场效应管并联,串联和并联是电路连接两种最基本的形式,它们之间有一定的区别。要判断电路中各元件之间是串联还是并联,就必须抓住它们的基本特征,具体方法是:(1)用电器连接法:分析电路中用电器的连接方法,逐个顺次连接的是串联;并列在电路两点之间的是并联。(2)电流流向法:当电流从电源正极流出,依次流过每个元件的则是串联;当在某处分开流过两个支路,最后又合到一起,则表明该电路为并联。


(3)去除元件法:任意拿掉一个用电器,看其他用电器是否正常工作,如果所有用电器都被拿掉过,而且其他用电器都可以继续工作,那么这几个用电器的连接关系是并联;否则为串联。(4)用笔画线代替导线,能用一根导线将所有用电器连起来即为串联,不能则为并联。



联系方式:邹先生

实亿国际 联系电话:0755-83888366-8022

手机:18123972950

QQ:2880195519

实亿国际 联系地址:深圳市福田区车公庙天安数码城天吉大厦CD座5C1


实亿国际 请搜微信公众号:“KIA半导体”或扫一扫下图“关注”官方微信公众号

请“关注”官方微信公众号:提供 MOS管 技术帮助