实亿国际

实亿国际

国家高新企业

cn

新闻中心

功放电路图详解及工作原理(十二种功放电路图详解)KIA MOS管

实亿国际信息来源:本站 日期:2018-05-02 

分享到:

功放电路图

随着技术的发展,功放保护电路在社会里面的应用会越来越广泛,为大家讲解一下功放保护电路的内容,下面的内容主要分析了功放保护电路与功放保护电路的检测。


如果没有考虑滤波器类型和最低技术规格要求方面的基本要素,可能导致产品不能通过“测试”,结果产品又得重新开始设计,导致代价昂贵的生产推迟。另一方面,懂得如何准确确定滤波器参数,将有助于使生产出的产品满足客户的生产标准和功能。事实上,这种知识有助于在提高产品在市场上的成功机会的同时,控制生产费用。


功放保护电路的分析

功放保护电路(一)

功放电路图

随着技术的发展,功放保护电路在社会里面的应用会越来越广泛,将会为大家讲解一下功放保护电路的内容。下面的内容主要分析了功放保护电路与功放保护电路的检测。

在检修功放的输出电路中,常常会遇到继电器不能吸合的故障,除了功放中点电压偏移引起电路保护之外,保护电路本身不正常也是故障的原因之一。


常见的功放保护电路有两种,一种是分立元件组成的电路,另一种是由集成电路组成的保护电路。两种电路在实际应用中都十分常见,下面以μPCI237构成的功放保护电路为例介绍其电路原理和检修方法。


由μPCI237组成的保护电路.保护范围包括:中点电压漂移保护、功放末级过流保护等。电路的保护十分灵敏,保护电路的动作时间小于1秒,只要外围电路的元件选取得当,电路工作十分可靠。但此类保护电路,因为电路的灵敏度太高,有时会出现误保护的故障,此时若在集成电路的,两脚分别对地加接一 只:104的电容,可以有效防止误保护的发生。


功放保护电路的检测

其电路工作原理如下:

功放电路图

电路中的、两脚都是保护电路的输入端,当脚电路外围出现正电压或负电压时,电路的继电器输出端脚则输出高电平,继电器因没有回路电流而不能吸合,起到电路保护的作用。本电路的检修十分简单,只要检查、两脚的外围电路和供电是否正常,就可以很快的找出故障部位。如果脚的电压为正电压或者负电压,且继电器不吸合,那么说明功放末级有故障。应该先检查并排除功放末级电路的故障。另外,当电路中有其他的脉冲干扰时,也会引起继电器误保护,采用CPU功能控制的功放,CPU工作时出现干扰脉冲,也会引起本电路的保护。在、脚加上两个电容,可以防止CPU电路的工作脉冲对本电路的干扰而引起误保护。实际上在应用中。加上此电容也可提高电路的稳定性,

本电路的常见故障元件为:脚供电电压二极管D21N4007,脚外围对地电容C4损坏多数情况下为电容引脚锈断等等。


功放保护电路

如一台声宝BD808功放机。出现无规律性自动保护的现象,在音量开大时频繁自动保护。开机检查发现在功放正常放音时无失真的现象,说明功放末级放大电路正常如果放音失真那么就说明末级放大电路中的输出有直流电压。


此时继电器保护则是属于中点电压漂移而保护。可以根据声音的输出是否失真来断定是哪一部分的原因,应着重检查保护电路。


保护电路是由集成电路UPCI237组成,其典型应用电路与附图电路基本相同,于是检查并代换电路中的元件,但故障依旧。更换集成电路也没能排除故障。在电路保护时测集成电路UPC1237的脚有不稳定的电压出现。经分析,这大都是交流成分串入电路中引起集成电路保护,对于此现象,只要在电路的脚对地接一只标称容量为 104的瓷片电容,故障即可排除。


功放电路图(二)

功放电路图


功放电路图(三)

功放电路图


功放电路图(四)

功放电路图



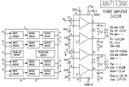
功放电路图(五)

功放电路图


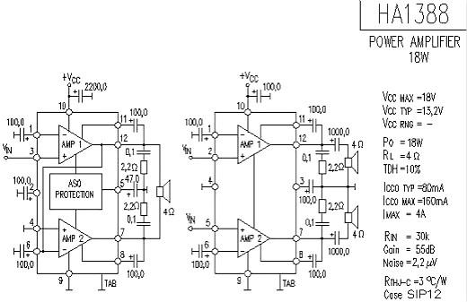
功放电路图(六)

功放电路图


功放电路图(七)

功放电路图


功放电路图(八)

功放电路图


功放电路图(九)

功放电路图


功放电路图(十)

功放电路图


功放电路图(十一)

功放电路图


联系方式:邹先生

联系电话:0755-83888366-8022

手机:18123972950

QQ:2880195519

联系地址:深圳市福田区车公庙天安数码城天吉大厦CD座5C1


请搜微信公众号:“KIA半导体”或扫一扫下图“关注”官方微信公众号

请“关注”官方微信公众号:提供  MOS管  技术帮助

功放电路图