实亿国际mos管封装引脚大全-常见mos管封装引脚图及引脚顺序详解-KIA MOS管
信息来源:本站 日期:2018-11-12
MOS管的英文全称叫MOSFET(Metal Oxide Semiconductor Field Effect Transistor),即金属氧化物半导体型场效应管,属于场效应晶体管中的绝缘栅型。因此,MOS管有时被称为场效应管。在一般电子电路中,MOS管通常被用于放大电路或开关电路。而在板卡上的电源稳压电路中,MOSFET扮演的角色主要是判断电位。
MOS管对于整个供电系统而言起着稳压的作用。目前板卡上所采用的MOS管并不是太多,一般有10个左右,主要原因是大部分MOS管被整合到IC芯片中去了。由于MOS管主要作用是为配件提供稳定的电压,所以它一般使用在CPU、GPU 和插槽等附近。MOS管一般是以上下两个组成一组的形式出现板卡上。
MOSFET芯片在制作完成之后,需要给MOSFET芯片加上一个外壳,即MOS管封装。MOSFET芯片的外壳具有支撑、保护、冷却的作用,同时还为芯片提供电气连接和隔离,以便MOSFET器件与其它元件构成完整的电路。按照安装在PCB 方式来区分,MOS管封装主要有两大类:插入式(Through Hole)和表面贴装式(Surface Mount)。插入式就是MOSFET的管脚穿过PCB的安装孔焊接在PCB 上。表面贴裝则是MOSFET的管脚及散热法兰焊接在PCB表面的焊盘上。
TO(Transistor Out-line)的中文意思是“晶体管外形”。这是早期的封装规格,例如TO-92,TO-92L,TO-220,TO-252等等都是插入式封装设计。近年来表面贴装市场需求量增大,TO封装也进展到表面贴装式封装。
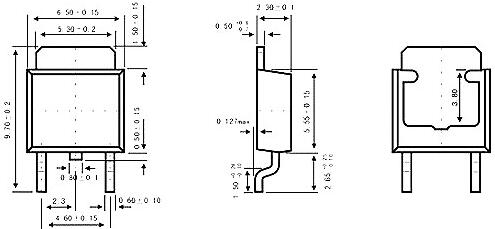
TO252和TO263就是表面贴装封装。其中TO-252又称之为D-PAK,TO-263又称之为D2PAK。
D-PAK封装的MOSFET有3个电极,栅极(G)、漏极(D)、源极(S)。其中漏极(D)的引脚被剪断不用,而是使用背面的散热板作漏极(D),直接焊接在PCB上,一方面用于输出大电流,一方面通过PCB散热。所以PCB的D-PAK焊盘有三处,漏极(D)焊盘较大。
芯片封装流行的还是双列直插封装,简称DIP(Dual ln-line Package)。DIP封装在当时具有适合PCB(印刷电路板)的穿孔安装,具有比TO型封装易于对PCB布线以及操作较为方便等一些特点,其封装的结构形式也很多,包括多层陶瓷双列直插式DIP,单层陶瓷双列直插式DIP,引线框架式DIP等等。常用于功率晶体管、稳压芯片的封装。
SOT(Small Out-Line Transistor)小外形晶体管封装。这种封装就是贴片型小功率晶体管封装,比TO封装体积小,一般用于小功率MOSFET。常见的规格如上。
主板上常用四端引脚的SOT-89 MOSFET。
SOP(Small Out-Line Package)的中文意思是“小外形封装”。SOP是表面贴装型封装之一,引脚从封装两侧引出呈海鸥翼状(L 字形)。材料有塑料和陶瓷两种。SOP也叫SOL 和DFP。SOP封装标准有SOP-8、SOP-16、SOP-20、SOP-28等等,SOP后面的数字表示引脚数。MOSFET的SOP封装多数采用SOP-8规格,业界往往把“P”省略,叫SO(Small Out-Line )。
SO-8采用塑料封装,没有散热底板,散热不良,一般用于小功率MOSFET。
SO-8是PHILIP公司首先开发的,以后逐渐派生出TSOP(薄小外形封装)、VSOP(甚小外形封装)、SSOP(缩小型SOP)、TSSOP(薄的缩小型SOP)等标准规格。
这些派生的几种封装规格中,TSOP和TSSOP常用于MOSFET封装。
QFN(Quad Flat Non-leaded package)是表面贴装型封装之一,中文叫做四边无引线扁平封装,是一种焊盘尺寸小、体积小、以塑料作为密封材料的新兴表面贴装芯片封装技术。现在多称为LCC。QFN是日本电子机械工业会规定的名称。封装四边配置有电极接点,由于无引线,贴装占有面积比QFP小,高度比QFP低。这种封装也称为LCC、PCLC、P-LCC等。QFN本来用于集成电路的封装,MOSFET不会采用的。Intel提出的整合驱动与MOSFET的DrMOS采用QFN-56封装,56是指在芯片背面有56个连接Pin。
联系方式:邹先生
联系电话:0755-83888366-8022
手机:18123972950
QQ:2880195519
联系地址:深圳市福田区车公庙天安数码城天吉大厦CD座5C1
请搜微信公众号:“KIA半导体”或扫一扫下图“关注”官方微信公众号
请“关注”官方微信公众号:提供 MOS管 技术帮助