实亿国际

实亿国际

国家高新企业

cn

新闻中心

实亿国际7805引脚图和参数、规格书中文资料详情-KIA MOS管

信息来源:本站 日期:2019-11-18 

分享到:

7805引脚图和参数、规格书中文资料详情

7805引脚图和参数-7805引脚图及电路

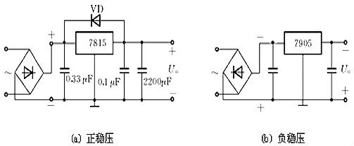
(1)集成三端稳压器根据稳定电压的正、负极性分为78×××,79×××系列。附图给出了正、负稳压的典型电路。


7805引脚图和参数

正、负稳压7805电路


(2)7805引脚图和参数-三端稳压器的型号规格和管脚分布


7805引脚图和参数


附表1-17 三端稳压器输出电流字母表示法


7805引脚图和参数


例如:78M05三端稳压器可输出+5 V、0.5 A的稳定电压;7912三端稳压器可输出 12V、1A的稳定电压。


(3) 外形及管脚分布,如附图1-25所示。


7805引脚图和参数


KIA半导体7805引脚图和参数、规格书

7805 1A 引脚图和参数、规格书

(1)引脚图


7805引脚图和参数


(2)规格书

查看规格书,请点击下图。


7805引脚图和参数


7805 1.5A 引脚图和参数、规格书

(1)引脚图


7805引脚图和参数


(2)规格书

查看规格书,请点击下图。


7805引脚图和参数


联系方式:邹先生

联系电话:0755-83888366-8022

手机:18123972950

QQ:2880195519

联系地址:深圳市福田区车公庙天安数码城天吉大厦CD座5C1


请搜微信公众号:“KIA半导体”或扫一扫下图“关注”官方微信公众号

请“关注”官方微信公众号:提供 MOS管 技术帮助