实亿国际原厂直销贴片mos管型号参数大全与封装外观尺寸图-KIA MOS管
信息来源:本站 日期:2018-12-29
mos管是金属(metal)—氧化物(oxide)—半导体(semiconductor)场效应晶体管,或者称是金属—绝缘体(insulator)—半导体。MOS管的source和drain是可以对调的,他们都是在P型backgate中形成的N型区。在多数情况下,这个两个区是一样的,即使两端对调也不会影响器件的性能。这样的器件被认为是对称的。
MOSFET芯片在制作完成之后,需要给MOSFET芯片加上一个外壳,即MOS管封装。MOSFET芯片的外壳具有支撑、保护、冷却的作用,同时还为芯片提供电气连接和隔离,以便MOSFET器件与其它元件构成完整的电路。按照安装在PCB 方式来区分,MOS管封装主要有两大类:插入式(Through Hole)和表面贴装式(Surface Mount)。插入式就是MOSFET的管脚穿过PCB的安装孔焊接在PCB 上。
表面贴裝则是MOSFET的管脚及散热法兰焊接在PCB表面的焊盘上。贴片mos管,因器价格低、体积小、驱动电流大,现已广泛用于各种开关电源、逆变器、锂电池保护板及低压LED驱动器中。
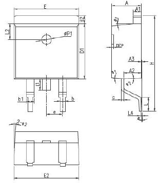
1、TO-263


2、TO-252


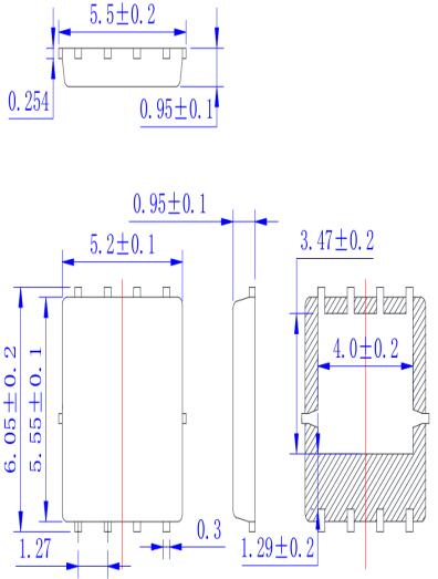
3、PDFN5*6

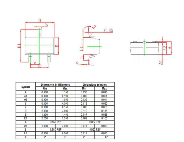
4、SOT-23

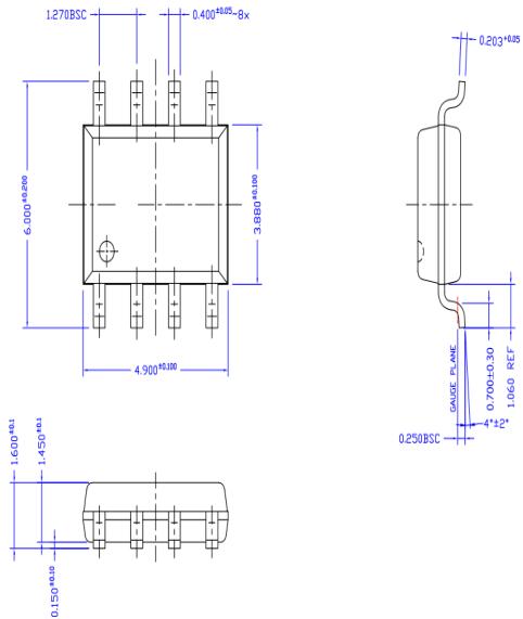
5、SOP-8

KIA半导体MOS管封装是与上市公司天水华天微封装厂合作。我们从设计研发到制造再到仓储物流,KIA半导体真正实现了一体化的服务链,真正做到了服务细节全到位的品牌内涵,我们致力于成为场效应管(MOSFET)功率器件领域的领跑者,为了这个目标,KIA半导体正在持续创新,永不止步!
KIA半导体也一直执行全面质量管理体系,是将所有产品质量从芯片设计开始,一直贯彻到客户使用的全过程质量跟踪和监控。我们确定在这一质量控制体系下生产的产品,在相关环节的质量状态和信息都是有效控制,确保提供给客户的产品是安全可靠的。
注:这里只列出部分型号,需咨询更多,请联系我们,将竭诚为您服务!





联系方式:邹先生
联系电话:0755-83888366-8022
请搜微信公众号:“KIA半导体”或扫一扫下图“关注”官方微信公众号
请“关注”官方微信公众号:提供 MOS管 技术帮助