实亿国际

实亿国际

国家高新企业

cn

新闻中心

TO-220与TO-220F的区别(性能、外观尺寸)及为何要分两种封装-KIA MOS管

信息来源:本站 日期:2018-12-28 

分享到:

TO-220

TO-220与TO-220F的区别下文将会讲到,现在了解一下TO-220与TO220F是什么?TO-220封装外形( Transistor Outline Package)是一种大功率晶体管、中小规模集成电路等常采用的一种直插式的封装形式。其中,TO英文是 Transistor Outline的缩写。通常,TO-220为单排直插,一般可以引出3个、5个或7个脚。标准的TO-220封装外形(七个引脚)。


TO-220F

TO-220与TO-202F外型基本相同,都是2.54mm脚距的3脚单列直插封装。TO-220F是全塑封装,上到散热器上不必加绝缘垫。TO-220带金属片与中间脚相连的,如装散热器的话要加绝缘垫。


TO-220与TO-220F的区别

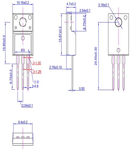
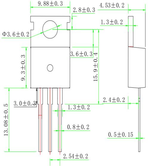
(一)TO-220与TO-220F外观及封装尺寸的区别

TO-220与TO-220F的区别

TO-220


TO-220与TO-220F的区别

TO-220F


(二)TO-220与TO-220F性能比较与区别

TO-220、TO-220F:TO-220F是全塑封装,装到散热器上时不必加绝缘垫;TO-220带金属片与中间脚相连,装散热器时要加绝缘垫。这两种封装样式的MOS管外观差不多,可以互换使用。


在电子元器件采购的很多时候,由于度 TO-220 .TO-220F 的不了解,性能无从的得知,其之间的区别也无法分清楚,很多时候就因为这样发生一些小麻烦。下面我们就来讲讲TO-220 与 TO-220F,从而让的大家了解并便于选购。


TO-220和TO-220F两个封装的Pd不同,源于两种封装的Rjc不同所致,Tj一般是到150℃,认为Tj=Tc+Pd*Rjc,其中,Tc是离晶圆最近的结构外壳的温度,Pd是MOSFET上承载的功耗,Rjc是Juction to case的热阻。


为什么要分这两种封装呢?

很重要的一个原因是散热TO-220的封装后面是一块铁片,总所皆知,铁的导热性是非常好,可以有效的解决散热的问题。


那么就有人会问了,TO-220F 是全塑封的,那岂不是起不到散热的作用了?


答案肯定是不会的啦,在通风条件良好的情况下使用,就要考虑到一个绝缘性的问题了。 TO-220F 全塑料包裹,使产品的缘性大大提升,也会因空气潮湿而发生漏电现象。简单来说,TO-220的Rjc小于TO-220的Rjc,TO-220封装的散热优于TO-220F封装的散热,220F的绝缘好些,220的效率相对来讲会稍大点,但是差异并不是特别明显。


联系方式:邹先生

联系电话:0755-83888366-8022

手机:18123972950

QQ:2880195519

联系地址:深圳市福田区车公庙天安数码城天吉大厦CD座5C1


请搜微信公众号:“KIA半导体”或扫一扫下图“关注”官方微信公众号

请“关注”官方微信公众号:提供 MOS管 技术帮助








3000万彩票-追求健康,你我一起成长 乐发IV - welcome u284彩票- 欢迎您 实亿国际(中国区)官方网站 永兴集团yx06 5630彩票(中国区)官方网站 佰利乐·(中国区)有限公司官网 金彩汇 - welcome首页