实亿国际插件MOS管型号大全与封装尺寸图-原厂供应插件MOS管-KIA MOS管
信息来源:本站 日期:2018-12-21
mos管是金属(metal)—氧化物(oxide)—半导体(semiconductor)场效应晶体管,或者称是金属—绝缘体(insulator)—半导体。MOS管的source和drain是可以对调的,他们都是在P型backgate中形成的N型区。在多数情况下,这个两个区是一样的,即使两端对调也不会影响器件的性能。这样的器件被认为是对称的。
MOSFET芯片在制作完成之后,需要给MOSFET芯片加上一个外壳,即MOS管封装。MOSFET芯片的外壳具有支撑、保护、冷却的作用,同时还为芯片提供电气连接和隔离,以便MOSFET器件与其它元件构成完整的电路。按照安装在PCB 方式来区分,MOS管封装主要有两大类:插入式(Through Hole)和表面贴装式(Surface Mount)。插入式就是MOSFET的管脚穿过PCB的安装孔焊接在PCB 上。表面贴裝则是MOSFET的管脚及散热法兰焊接在PCB表面的焊盘上。
KIA半导体插件MOS管封装如下:
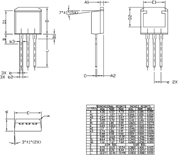
1、TO-262

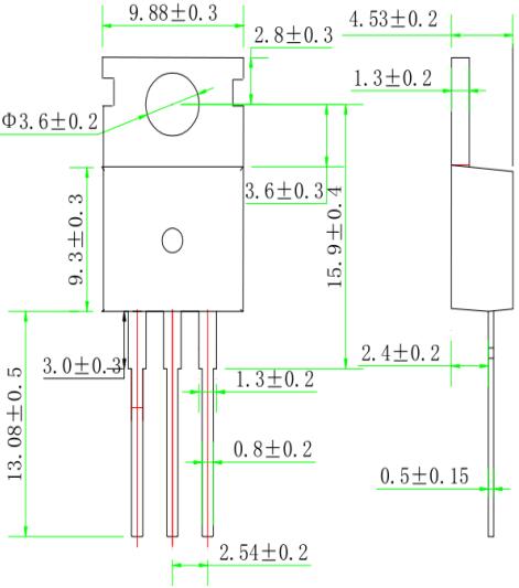
2、TO-220

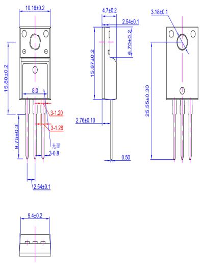
3、TO-247


4、TO-220F

5、TO-3P

KIA半导体MOS管封装是与上市公司天水华天微封装厂合作。我们从设计研发到制造再到仓储物流,KIA半导体真正实现了一体化的服务链,真正做到了服务细节全到位的品牌内涵,我们致力于成为场效应管(MOSFET)功率器件领域的领跑者,为了这个目标,KIA半导体正在持续创新,永不止步!
注:这里只列出部分型号,需咨询更多,请联系我们,将竭诚为您服务!
插件MOS管-TO-262
插件MOS管-TO-220
插件MOS管-TO-247
插件MOS管-TO-220F
插件MOS管-TO-3P
联系方式:邹先生
联系电话:0755-83888366-8022
手机:18123972950
QQ:2880195519
联系地址:深圳市福田区车公庙天安数码城天吉大厦CD座5C1
请搜微信公众号:“KIA半导体”或扫一扫下图“关注”官方微信公众号
请“关注”官方微信公众号:提供 MOS管 技术帮助