实亿国际

实亿国际

国家高新企业

cn

新闻中心

实亿国际MOS管 TO-247封装尺寸及外形说明-TO-247封装型号参数-KIA MOS管

信息来源:本站 日期:2018-12-11 

分享到:

TO-247封装

MOSFET芯片在制作完成之后,需要给MOSFET芯片加上一个外壳,即MOS管封装。MOSFET芯片的外壳具有支撑、保护、冷却的作用,同时还为芯片提供电气连接和隔离,以便MOSFET器件与其它元件构成完整的电路。按照安装在PCB 方式来区分,MOS管封装主要有两大类:插入式(Through Hole)和表面贴装式(Surface Mount)。插入式就是MOSFET的管脚穿过PCB的安装孔焊接在PCB 上。表面贴裝则是MOSFET的管脚及散热法兰焊接在PCB表面的焊盘上。


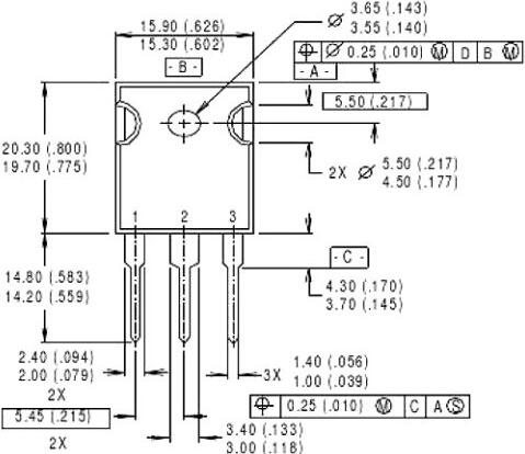
TO247是比较常用的小外形封装,表面贴封装型之一,247是封装标准的序号。常见的TO-247AC和TO-247AD应该都是vishay的名称。TO-247封装尺寸介于模块与单管之间,能封装大部分的电子元器件,TO247一般为非绝缘封装,TO-247的管子一般用在大功率的POWER中,用作开关管的话,它的耐压和电流会比较大一点。海飞乐技术有限公司的TO247封装在二极管、三极管、MOSFET、IGBT、可控硅、电源模块、整流桥、功率电阻等领域工艺与技术已经趋于完善。

TO-247封装,MOS管

MOS管 TO-247封装尺寸及外形

TO-247封装,MOS管

TO-247封装,MOS管

TO-247封装,MOS管


TO247安装到散热器上注意事项

1、散热器要光滑平整,无毛刺、无铁销、无赃物,检查散热器上的螺丝孔无毛刺;


2、涂覆导热硅脂:给TO247模块DBC底板上涂覆一薄层导热硅脂(DBC底板很平整,导热硅脂涂敷量不宜多),导热硅脂涂覆厚度小于50μm,尽量涂覆均匀,这是最重要的一点;


3、装配,模块放置于正确位置,将两个螺钉先装上不要加力;一手按住模块一手给,第一个螺钉少许加力;接着给第二个螺钉加力,可以一次加力到位;再给第一个螺钉加力到位,完成散热器上的装配。


MOS管 TO-247封装与其他封装对比

元器件的封装对性能的影响并不大,只是外形按照终端的需求要设计。下面是SOT-247封装与其他封装的一些对比。所以制作元件封装焊盘尺寸、孔的尺寸不同,3个焊盘间距也不同.空间留的大小也不同.注意,SOT-227封装也有两脚封装..两脚封装就是取消了中间脚.


(一)TO-247封装与TO-3P封装的区别

TO-247封装与TO-3P封装都是3引脚输出的,里面的裸芯片(即电路图)是可以完全一样的,所以功能及性能基本一样,最多是散热及稳定性稍有影响。由于不同的终端需要,所以需要不同的外形而已。比如现在的手机MP3越做越薄,越做越小,那么上面的芯片只能采用小型外形的,所以就要求同样的功能下的IC外形要小。


(二)TO-220封装和TO-247封装的区别

TO247封装脚距:5.56mm;宽度:15.8mm;管脚最大宽度:1.29mm

TO220封装脚距:2.54mm,宽为5.08mm ;管脚最大宽度:1.29mm


MOS管 TO-247封装选型

TO-247封装,MOS管



联系方式:邹先生

联系电话:0755-83888366-8022

手机:18123972950

QQ:2880195519

联系地址:深圳市福田区车公庙天安数码城天吉大厦CD座5C1


请搜微信公众号:“KIA半导体”或扫一扫下图“关注”官方微信公众号

请“关注”官方微信公众号:提供 MOS管 技术帮助