实亿国际

实亿国际

国家高新企业

cn

新闻中心

TO-220封装尺寸及TO-220 MOS管引脚顺序图-KIA MOS管

信息来源:本站 日期:2018-12-10 

分享到:

MOS管封装形式

MOSFET芯片在制作完成之后,需要给MOSFET芯片加上一个外壳,即MOS管封装。MOSFET芯片的外壳具有支撑、保护、冷却的作用,同时还为芯片提供电气连接和隔离,以便MOSFET器件与其它元件构成完整的电路。按照安装在PCB 方式来区分,MOS管封装主要有两大类:插入式(Through Hole)和表面贴装式(Surface Mount)。插入式就是MOSFET的管脚穿过PCB的安装孔焊接在PCB 上。表面贴裝则是MOSFET的管脚及散热法兰焊接在PCB表面的焊盘上。


TO封装规格

1、TO(Transistor Out-line)的中文即“晶体管外形”,是早期的封装规格,例如TO-92,TO-92L,TO-220,TO-252等等都是插入式封装设计。


2、近年来表面贴装市场需求量的增大也使得TO封装进展到表面贴装式封装。TO252和TO263就是表面贴装封装。其中TO-252又称之为D-PAK,TO-263又称之为D2PAK。

TO-220封装


TO-220封装

TO-220封装外形( Transistor Outline Package)是一种大功率晶体管、中小规模集成电路等常采用的一种直插式的封装形式。


TO-220封装外形是一种大功率晶体管、中小规模集成电路等常采用的一种直插式的封装形式。


其中,TO英文是 Transistor Outline的缩写。通常,TO-220为单排直插,一般可以引出3个、5个或7个脚。


常见的TO-220封装有TO-220、TO-220F、TO-220AB、TO-220AC、TO-220D等。


TO-220mos引脚顺序图

TO-220全包(即塑封)和半包(即铁封)产品可以满足大功率二极管、三极管、MOS管和小规模IC的使用需求,采用带散热片的设计,增加了期间的散热通道,均衡了电路的热特性。其中全包产品可以实现散热片和外部的电器绝缘,半包产品的散热效果则更好,两种外形的选择可以满足电路灵活设计和使用条件的不同需求。

TO-220封装

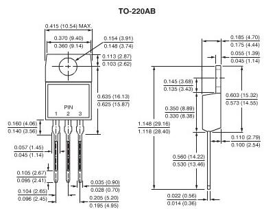
TO-220封装尺寸图


快恢复二极管TO-220系列的区别

TO-220与TO-220F外型基本相同,都是2.54mm脚距的3脚单列直插封装。


TO-220F是全塑封装,上到散热器上不必加绝缘垫。


TO-220带金属片与中间脚相连的,如装散热器的话要加绝缘垫。


TO-220AC表示的单管,只有两个脚,里面只有一个芯片。


TO-220AB是双管,里面两个芯片,共阴方式连接,有两个脚。


TO-220几种封装性能对比

TO-220的散热部分:9.9×15.7,散热金属部分两侧有明显缺耳;TO-220AB的散热部分:10.4×15.0,散热金属部分两侧没有明显缺耳。TO-220和TO-220F两个封装的Pd不同,源于两种封装的Rjc不同所致,Tj一般是到150,我觉得Tj=Tc+Pd*Rjc,其中,Tc是离晶圆最近的结构外壳的温度,Pd是快恢复二极管上承载的功耗,Rjc是Juction to case的热阻。TO-220的Rjc小于TO-220的Rjc,TO-220封装的散热要优于TO-220F封装的散热。反之220F的绝缘好些,220的效率相对来讲会稍大点,但是差异并不是特别明显。


联系方式:邹先生

联系电话:0755-83888366-8022

手机:18123972950

QQ:2880195519

联系地址:深圳市福田区车公庙天安数码城天吉大厦CD座5C1


请搜微信公众号:“KIA半导体”或扫一扫下图“关注”官方微信公众号

请“关注”官方微信公众号:提供 MOS管 技术帮助