实亿国际

实亿国际

国家高新企业

cn

新闻中心

实亿国际CMOS管工作原理及详解-CMOS管电路原理图与性能特点-KIA MOS管

实亿国际信息来源:本站 日期:2018-07-24 

分享到:

CMOS门电路

CMOS门电路一般是由MOS管构成,由于MOS管的栅极和其它各极间有绝缘层相隔,在直流状态下,栅极无电流,所以静态时栅极不取电流,输入电平与外接电阻无关。由于MOS管在电路中是一压控元件,基于这一特点,输入端信号易受外界干扰,所以在使用CMOS门电路时输入端特别注意不能悬空。在使用时应采用以下方法:

1)、与门和与非门电路:由于与门电路的逻辑功能是输入信号只要有低电平,输出信号就为低电平,只有全部为高电平时,输出端才为高电平。而与非门电路的逻辑功能是输入信号只要有低电平,输出信号就是高电平,只有当输入信号全部为高电平时,输出信号才是低电平。所以某输入端输入电平为高电平时,对电路的逻辑功能并无影响,即其它使用的输入端与输出端之间仍具有与或者与非逻辑功能。这样对于CMOS与门、与非门电路的多余输入端就应采用高电平,即可通过限流电阻(500Ω)接电源。

2)、或门、或非门电路:或门电路的逻辑功能是输入信号只要有高电平输出信号就为高电平,只有输入信号全部为低电平时,输出信号才为低电平。而或非门电路的逻辑功能是输入信号只要有高电平,输出信号就是低电平,只有当输入信号全部是低电平时输出信号才是高电平。这样当或门或者或非门电路某输入端的输入信号为低电平时并不影响门电路的逻辑功能。所以或门和或非门电路多余输入端的处理方法应是将多余输入端接低电平,即通过限流电阻(500Ω)接地。


CMOS逻辑电平

高速CMOS电路的电源电压VDD通常为+5V;Vss接地,是0V。

高电平视为逻辑“1”,电平值的范围为:VDD的65%~VDD(或者VDD-1.5V~VDD)

低电平视作逻辑“0”,要求不超过VDD的35%或0~1.5V。

+1.5V~+3.5V应看作不确定电平。在硬件设计中要避免出现不确定电平。

随着技术的发展,单片机的电源呈下降趋势。低电源电压有助于降低功耗。VDD为3.3V的CMOS器件已大量使用。在便携式应用中,VDD为2.7V,甚至1.8V的单片机也已经出现。将来电源电压还会继续下降,降到0.9V,但低于VDD的35%的电平视为逻辑“0”,高于VDD的65%的电平视为逻辑“1”的规律仍然是适用的。


CMOS集成电路的性能特点

微功耗—CMOS电路的单门静态功耗在毫微瓦(nw)数量级。

高噪声容限—CMOS电路的噪声容限一般在40%电源电压以上。

宽工作电压范围—CMOS电路的电源电压一般为1.5~18伏。

高逻辑摆幅—CMOS电路输出高、低电平的幅度达到全电为VDD,逻辑“0”为VSS。

高输入阻抗--CMOS电路的输入阻抗大于108Ω,一般可达1010Ω。

高扇出能力--CMOS电路的扇出能力大于50。

低输入电容--CMOS电路的输入电容一般不大于5PF。

宽工作温度范围—陶瓷封装的CMOS电路工作温度范围为

- 55 0C ~ 125 0C;塑封的CMOS电路为 – 40 0C ~ 85 0C。


CMOS工作原理及详解

由于两管栅极工作电压极性相反,故将两管栅极相连作为输入端,两个漏极相连作为输出端,如图(a)所示,则两管正好互为负载,处于互补工作状态。当输入低电平(Vi=Vss)时,PMOS管导通,NMOS管截止,输出高电平,如图(b)所示。 ·当输入高电平(Vi=VDD)时,PMOS管截止,NMOS管导通,输出为低电平,如图(c)所示。两管如单刀双掷开关一样交替工作,构成反相器

CMOS管工作原理及详解

1、非门

非门(反向器)是最简单的门电路,由一对CMOS管组成。其工作原理如下:

CMOS管工作原理及详解

A端为高电平时,P型管截止,N型管导通,输出端C的电平与Vss保持一致,输出低电平;A端为低电平时,P型管导通,N型管截止,输出端C的电平与VDD一致,输出高电平。


2、与非门工作原理

CMOS管工作原理及详解

①、A、B输入均为低电平时,1、2管导通,3、4管截止,C端电压与VDD一致,输出高电平。

②、A输入高电平,B输入低电平时,1、3管导通,2、4管截止,C端电位与1管的漏极保持一致,输出高电平。

③、A输入低电平,B输入高电平时,情况与②类似,亦输出高电平。

④、A、B输入均为高电平时,1、2管截止,3、4管导通,C端电压与地一致,输出低电平。


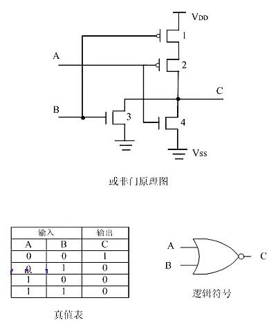
3、或非门工作原理

CMOS管工作原理及详解

①、A、B输入均为低电平时,1、2管导通,3、4管截止,C端电压与VDD一致,输出高电平。

②、A输入高电平,B输入低电平时,1、4管导通,2、3管截止,C端输出低电平。

③、A输入低电平,B输入高电平时,情况与②类似,亦输出低电平。

④、A、B输入均为高电平时,1、2管截止,3、4管导通,C端电压与地一致,输出低电平。

注:将上述“与非”门、“或非”门逻辑符号的输出端的小圆圈去掉,就成了“与”门、“或”门的逻辑符号。而实现“与”、“或”功能的电路图则必须在输出端加上一个反向器,即加上一对CMOS管,因此,“与”门实际上比“与非”门复杂,延迟时间也长些,这一点在电路设计中要注意。

4、三态门的工作原理

CMOS管工作原理及详解

当控制端C为“1”时,N型管3导通,同时,C端电平通过反向器后成为低电平,使P型管4导通,输入端A的电平状况可以通过3、4管到达输出端B。

当控制端C为“0”时,3、4管都截止,输入端A的电平状况无法到达输出端B,输出端B呈现高电阻的状态,称为“高阻态”。

这个器件也称作“带控制端的传输门”。带有一定驱动能力的三态门也称作“缓冲器”,逻辑符号是一样的。

注:从CMOS等效电路或者真值表、逻辑表达式上都可以看出,把“0”和“1”换个位置,“与非”门就变成了“或非”门。对于“1”有效的信号是“与非”关系,对于“0”有效的信号是“或非”关系。

上述图中画的逻辑器件符号均是正逻辑下的输入、输出关系,即对“1”(高电平)有效而言。而单片机中的多数控制信号是按照负有效(低电平有效)定义的。例如片选信号CS(Chip Select),指该信号为“0”时具有字符标明的意义,即该信号为“0”表示该芯片被选中。因此,“或非”门的逻辑符号也可以画成下图。

CMOS管工作原理及详解

联系方式:邹先生

联系电话:0755-83888366-8022

手机:18123972950

QQ:2880195519

联系地址:深圳市福田区车公庙天安数码城天吉大厦CD座5C1


请搜微信公众号:“KIA半导体”或扫一扫下图“关注”官方微信公众号

请“关注”官方微信公众号:提供  MOS管  技术帮助