MOS管电子开关电路图-MOS管开关电路图大全以及电路设计原理详解-KIA MOS管
信息来源:本站 日期:2018-07-21
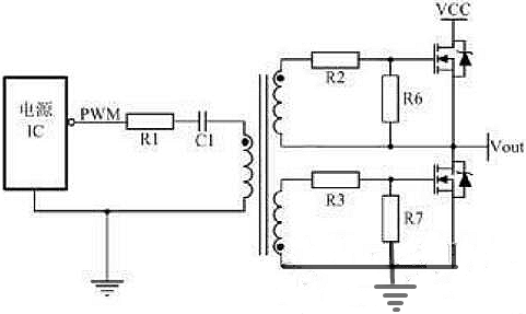
电子开关电源的电路组成如下:
开关电源的主要电路是由输入电磁干扰滤波器(EMI)、整流滤波电路、功率变换电路、PWM控制器电路、输出整流滤波电路组成。IC根据输出电压和电流时刻调整着⑥脚锯形波占空比的大小,从而不乱了整机的输出电流和电压。从R3测得的电流峰值信号介入当前工作周波的占空比控制,因此是当前工作周波的电流限制。
Q1的栅极受控电压为锯形波,当其占空比越大时,Q1导通时间越长,变压器所储存的能量也就越多;当Q1截止时,变压器通过D1、D2、R5、R4、C3开释能量,同时也达到了磁场复位的目的,为变压器的下一次存储、传递能量做好了预备。在开关管Q1关断时,变压器的原边线圈易产生尖峰电压和尖峰电流,这些元件组合一起,能很好地吸收尖峰电压和电流。
1:输入滤波电路:C1、L1、C2组成的双π型滤波网络主要是对输入电源的电磁噪声及杂波信号进行按捺,防止对电源干扰,同时也防止电源本身产生的高频杂波对电网干扰。Z1通常将MOS管的GS电压限制在18V以下,从而保护了MOS管。因瞬时能量全消耗在RT1电阻上,一定时间后温度升高后RT1阻值减(RT1是负温系数元件),这时它消耗的能量非常小,后级电路可正常工作。C3、C4 为安规电容,L2、L3为差模电感。
2:输入滤波电路:C1、L1、C2、C3组成的双π型滤波网络主要是对输入电源的电磁噪声及杂波信号进行按捺,防止对电源干扰,同时也防止电源本身产生的高频杂波对电网干扰。
3:工作原理:R4、C3、R5、R6、C4、D1、D2组成缓冲器,和开关MOS管并接,使开关管电压应力减少,EMI减少,不发生二次击穿。辅助电路有输入过欠压保护电路、输出过欠压保护电路、输出过流保护电路、输出短路保护电路等。

图中电池的正电通过开关S1接到场效应管Q1的2脚源极,由于Q1是一个P沟道管,它的1脚栅极通过R20电阻提供一个正电位电压,所以不能通电,电压不能继续通过,3v稳压IC输入脚得不到电压所以就不能工作不开机!这时,如果我们按下SW1开机按键时,正电通过按键、R11、R23、D4加到三极管Q2的基极,三极管Q2的基极得到一个正电位,三极管导通(前面讲到三极管的时候已经讲过),由于三极管的发射极直接接地,三极管Q2导通就相当于Q1的栅极直接接地,加在它上面的通过R20电阻的电压就直接入了地,Q1的栅极就从高电位变为低电位,Q1导通电就从Q1同过加到3v稳压IC的输入脚,3v稳压IC就是那个U1输出3v的工作电压vcc供给主控,主控通过复位清0,读取固件程序检测等一系列动作,输处一个控制电压到PWR_ON再通过R24、R13分压送到Q2的基极,保持Q2一直处于导通状态,即使你松开开机键断开Q1的基极电压,这时候有主控送来的控制电压保持着,Q2也就一直能够处于导通状态,Q1就能源源不断的给3v稳压IC提供工作电压!SW1还同时通过R11、R30两个电阻的分压,给主控PLAYON脚送去时间长短、次数不同的控制信号,主控通过固件鉴别是播放、暂停、开机、关机而输出不同的结果给相应的控制点,以达到不同的工作状态!

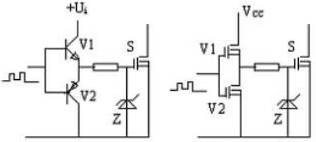
下图是两种MOS管的典型应用:其中第一种NMOS管为高电平导通,低电平截断,Drain端接后面电路的接地端;第二种为PMOS管典型开关电路,为高电平断开,低电平导通,Drain端接后面电路的VCC端。

为了满足如图所示高端MOS管的驱动,经常会采用变压器驱动,有时为了满足安全隔离也使用变压器驱动。其中R1目的是抑制PCB板上寄生的电感与C1形成LC振荡,C1的目的是隔开直流,通过交流,同时也能防止磁芯饱和。

如图所示为常用的小功率驱动电路,简单可靠成本低。适用于不要求隔离的小功率开关设备。如图所示驱动电路开关速度很快,驱动能力强,为防止两个MOSFET管直通,通常串接一个0.5~1Ω小电阻用于限流,该电路适用于不要求隔离的中功率开关设备。这两种电路特点是结构简单。

功率MOSFET属于电压型控制器件,只要栅极和源极之间施加的电压超过其阀值电压就会导通。由于MOSFET存在结电容,关断时其漏源两端电压的突然上升将会通过结电容在栅源两端产生干扰电压。常用的互补驱动电路的关断回路阻抗小,关断速度较快,但它不能提供负压,故抗干扰性较差。为了提高电路的抗干扰性,可在此种驱动电路的基础上增加一级有V1、V2、R组成的电路,产生一个负压,电路原理图如图所示。

电路原理如图所示,N3为去磁绕组,S2为所驱动的功率管。R2为防止功率管栅极、源极端电压振荡的一个阻尼电阻。因不要求漏感较小,且从速度方面考虑,一般R2较小,故在分析中忽略不计。其等效电路图如图所示脉冲不要求的副边并联一电阻R1,它做为正激变换器的假负载,用于消除关断期间输出电压发生振荡而误导通。同时它还可以作为功率MOSFET关断时的能量泄放回路。该驱动电路的导通速度主要与被驱动的S2栅极、源极等效输入电容的大小、S1的驱动信号的速度以及S1所能提供的电流大小有关。由仿真及分析可知,占空比D越小、R1越大、L越大,磁化电流越小,U1值越小,关断速度越慢。该电路具有以下优点:①电路结构简单可靠,实现了隔离驱动。②只需单电源即可提供导通时的正、关断时负压。③占空比固定时,通过合理的参数设计,此驱动电路也具有较快的开关速度。该电路存在的缺点:一是由于隔离变压器副边需要噎嗝假负载防振荡,故电路损耗较大;二是当占空比变化时关断速度变化较大。脉宽较窄时,由于是储存的能量减少导致MOSFET栅极的关断速度变慢。

如图所示,V1、V2为互补工作,电容C起隔离直流的作用,T1为高频、高磁率的磁环或磁罐。导通时隔离变压器上的电压为(1-D)Ui、关断时为DUi,若主功率管S可靠导通电压为12V,而隔离变压器原副边匝比N1/N2为12/[(1-D)Ui]。为保证导通期间GS电压稳定C值可稍取大些。该电路具有以下优点:
①电路结构简单可靠,具有电气隔离作用。当脉宽变化时,驱动的关断能力不会随着变化。
②该电路只需一个电源,即为单电源工作。隔直电容C的作用可以在关断所驱动的管子时提供一个负压,从而加速了功率管的关断,且有较高的抗干扰能力。
但该电路存在的一个较大缺点是输出电压的幅值会随着占空比的变化而变化。当D较小时,负向电压小,该电路的抗干扰性变差,且正向电压较高,应该注意使其幅值不超过MOSFET栅极的允许电压。当D大于0.5时驱动电压正向电压小于其负向电压,此时应该注意使其负电压值不超过MOAFET栅极允许电压。所以该电路比较适用于占空比固定或占空比变化范围不大以及占空比小于0.5的场合。

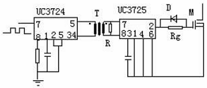
电路构成如图11所示。其中UC3724用来产生高频载波信号,载波频率由电容CT和电阻RT决定。一般载波频率小于600kHz,4脚和6脚两端产生高频调制波,经高频小磁环变压器隔离后送到UC3725芯片7、8两脚经UC3725进行调制后得到驱动信号,UC3725内部有一肖特基整流桥同时将7、8脚的高频调制波整流成一直流电压供驱动所需功率。一般来说载波频率越高驱动延时越小,但太高抗干扰变差;隔离变压器磁化电感越大磁化电流越小,UC3724发热越少,但太大使匝数增多导致寄生参数影响变大,同样会使抗干扰能力降低。
根据实验数据得出:
对于开关频率小于100kHz的信号一般取(400~500)kHz载波频率较好,变压器选用较高磁导如5K、7K等高频环形磁芯,其原边磁化电感小于约1毫亨左右为好。这种驱动电路仅适合于信号频率小于100kHz的场合,因信号频率相对载波频率太高的话,相对延时太多,且所需驱动功率增大,UC3724和UC3725芯片发热温升较高,故100kHz以上开关频率仅对较小极电容的MOSFET才可以。对于1kVA左右开关频率小于100kHz的场合,它是一种良好的驱动电路。该电路具有以下特点:单电源工作,控制信号与驱动实现隔离,结构简单尺寸较小,尤其适用于占空比变化不确定或信号频率也变化的场合。


