三相电表接线图-三相电表互感器接线方法图解大全-电工基础知识
实亿国际信息来源:本站 日期:2018-05-24

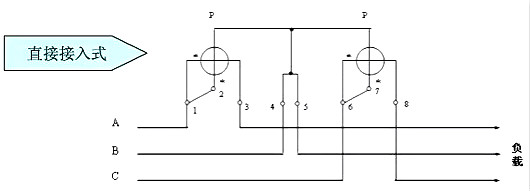
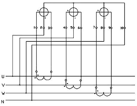
低压三相四线有功电能表经电流互感器接线适用于计量低压大电流(电流大于50A)负荷

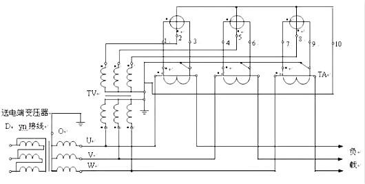
高压三相四线有功电能表经电压互感器和电流互感器的接线适用于110KV及以上电网(中性点有效接地电网)


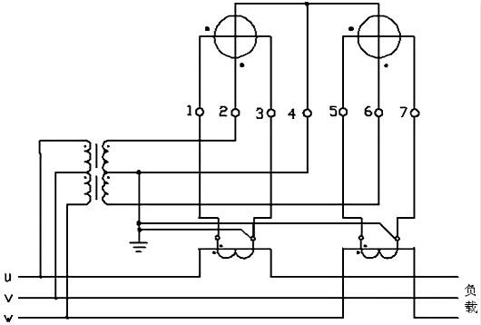
高压三相三线有功电能表经电压互感器和电流互感器的接线适用于10KV、35KV电网(中性点非有效接地电网
(1)低压三相四线有功电能表经电流互感器接线适用于计量低压大电流(电流大于50A)负荷
(2)高压三相四线有功电能表经电压互感器和电流互感器的接线适用于110KV及以上电网(中性点有效接地电网)
(3)高压三相三线有功电能表经电压互感器和电流互感器的接线适用于10KV、35KV电网(中性点非有效接地电网)
(1)低压三相四线有功电能表经电流互感器接线需接10根线:六根电流线、四根电压线。
(2)高压三相四线有功电能表经电流互感器、电压互感器接线需接10根线:六根电流线、四根电压线。
(3)高压三相三线有功电能表经电流互感器、电压互感器接线需接7根线:四根电流线、三根电压线。
联系方式:邹先生
联系电话:0755-83888366-8022
手机:18123972950
QQ:2880195519
联系地址:深圳市福田区车公庙天安数码城天吉大厦CD座5C1
请搜微信公众号:“KIA半导体”或扫一扫下图“关注”官方微信公众号
请“关注”官方微信公众号:提供 MOS管 技术帮助
